grazie delle risposte IsidoroKZ.
se opto per la soluzione di realizzare 4 centraline, che monitorano 6 celle ognuno, dovrei stare su collegamenti abbastanza corti (meno di 1 metro), poiché posizionerei le stesse centraline in prossimità delle celle. anche in questo caso ritieni che ci si bisogno di cavo schermato e twistato?
la soluzione di convertire e trasmettere su ogni singola cella sicuramente garantisce un funzionamento ottimale, ma mi complica in maniera in'accettabile il tutto...
i chip non li ho ancora acquistati se ti è venuta qualche altra idea consiglia pure, è tutto ancora in fase di sviluppo...
ciao e grazie
analizzatore di batterie
16 messaggi
• Pagina 2 di 2 • 1, 2
0
voti
1
voti
A un metro di distanza non ci sono problemi, erano la decina e oltre di metri di cavo che passano non si sa dove che possono dare problemi. Che cosa c'e` vicino alle batterie? Inverter rumorosi? Per gli integrati nessuna altra idea 
Per usare proficuamente un simulatore, bisogna sapere molta più elettronica di lui
Plug it in - it works better!
Il 555 sta all'elettronica come Arduino all'informatica! (entrambi loro malgrado)
Se volete risposte rispondete a tutte le mie domande
Plug it in - it works better!
Il 555 sta all'elettronica come Arduino all'informatica! (entrambi loro malgrado)
Se volete risposte rispondete a tutte le mie domande
0
voti
vicino ci sono inverter, carica batterie, ecc. però non proprio vicino alle batterie diciamo 5-6 metri.
comunque posso anche implementare nel micro la discriminazione delle letture palesemente sballate.
nei riguardi del condizionamento-filtro d'ingresso (degli ina117) come mi potrei indirizzare? basta un filtro lc o posso usare qualcosa di più complesso?
ciao e grazie
comunque posso anche implementare nel micro la discriminazione delle letture palesemente sballate.
nei riguardi del condizionamento-filtro d'ingresso (degli ina117) come mi potrei indirizzare? basta un filtro lc o posso usare qualcosa di più complesso?
ciao e grazie
1
voti
Probabilmente basta addirittura solo un RC, inizierei con uno di modo differenziale, poi se necessario si va sul modo comune. Come e` alimentato il circuito di misura?
Per usare proficuamente un simulatore, bisogna sapere molta più elettronica di lui
Plug it in - it works better!
Il 555 sta all'elettronica come Arduino all'informatica! (entrambi loro malgrado)
Se volete risposte rispondete a tutte le mie domande
Plug it in - it works better!
Il 555 sta all'elettronica come Arduino all'informatica! (entrambi loro malgrado)
Se volete risposte rispondete a tutte le mie domande
0
voti
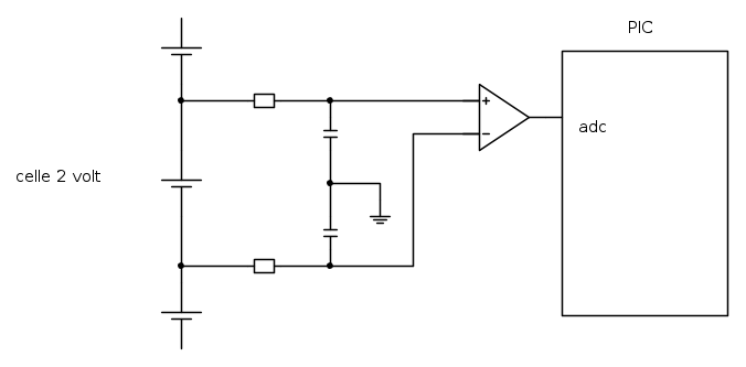
stavo pensando a qualcosa del genere, che te ne pare (un po troppo semplice) ?
ciao
2
voti
Si`, qualcosa del genere con due limitazioni: il collegamento verso ground dei due condensatori puo` convertire rumore di modo comune in rumore differenziale, bisogna vedere se e` conveniente.
La seconda limitazione e` che le resistenze in serie non possono essere troppo grandi, altrimenti le asimmetrie delle resistenze messe di fuori riconvertono il segnale di modo comune, questa volta anche una tensione continua in un segnale differenziale. E anche se le due resistenze sono identiche, comunque cambiano il guadagno del sistema. Se ne puo` tenere conto.
Il primo tentativo lo farei senza filtri, per vedere che cosa salta fuori.
La seconda limitazione e` che le resistenze in serie non possono essere troppo grandi, altrimenti le asimmetrie delle resistenze messe di fuori riconvertono il segnale di modo comune, questa volta anche una tensione continua in un segnale differenziale. E anche se le due resistenze sono identiche, comunque cambiano il guadagno del sistema. Se ne puo` tenere conto.
Il primo tentativo lo farei senza filtri, per vedere che cosa salta fuori.
Per usare proficuamente un simulatore, bisogna sapere molta più elettronica di lui
Plug it in - it works better!
Il 555 sta all'elettronica come Arduino all'informatica! (entrambi loro malgrado)
Se volete risposte rispondete a tutte le mie domande
Plug it in - it works better!
Il 555 sta all'elettronica come Arduino all'informatica! (entrambi loro malgrado)
Se volete risposte rispondete a tutte le mie domande
16 messaggi
• Pagina 2 di 2 • 1, 2
Chi c’è in linea
Visitano il forum: Nessuno e 11 ospiti

Elettrotecnica e non solo (admin)
Un gatto tra gli elettroni (IsidoroKZ)
Esperienza e simulazioni (g.schgor)
Moleskine di un idraulico (RenzoDF)
Il Blog di ElectroYou (webmaster)
Idee microcontrollate (TardoFreak)
PICcoli grandi PICMicro (Paolino)
Il blog elettrico di carloc (carloc)
DirtEYblooog (dirtydeeds)
Di tutto... un po' (jordan20)
AK47 (lillo)
Esperienze elettroniche (marco438)
Telecomunicazioni musicali (clavicordo)
Automazione ed Elettronica (gustavo)
Direttive per la sicurezza (ErnestoCappelletti)
EYnfo dall'Alaska (mir)
Apriamo il quadro! (attilio)
H7-25 (asdf)
Passione Elettrica (massimob)
Elettroni a spasso (guidob)
Bloguerra (guerra)



