Ci sono diverse considerazioni su questo caso, il ragionamento sul buck che fai e' corretto ma incompleto ...
Per approfondire ti rimanderei ad un articolo di
-tensione in ingresso "elevata"
-uso di NMOS per la commutazione (Low Side)
-corrente costante
http://www.electroyou.it/isidorokz/wiki/luuunghe-stringhe-di-led-iii-alimentazione-da-rete
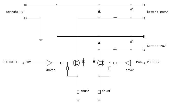
Ma ... non basta, non puoi fermarti alla "corrente costante" per ricaricare una batteria piombo acido. Occorre anche un monitor sulla tensione. La carica a corrente costante deve avvenire fino ad un determinato valore di tensione Vbatt per poi passare alla detta "trickle charge" cioe corrente bassa o di mantenimento.
Quindi ti serve anche un ingresso per monitorare la tensione di batteria, visto che usi un micro (0-5V in ingresso ADC) occorre un "traslatore di livello" per misurare questa tensione, ad esempio un partitore che divida per 3 o 4. Inoltre il monitoraggio della corrente sul lato high, o Vbatt, esige che l'OP di misura sia alimentato ad una tensione superiore alla tensione di modo comune presente sugli ingressi, cioe Vbatt stessa.

Elettrotecnica e non solo (admin)
Un gatto tra gli elettroni (IsidoroKZ)
Esperienza e simulazioni (g.schgor)
Moleskine di un idraulico (RenzoDF)
Il Blog di ElectroYou (webmaster)
Idee microcontrollate (TardoFreak)
PICcoli grandi PICMicro (Paolino)
Il blog elettrico di carloc (carloc)
DirtEYblooog (dirtydeeds)
Di tutto... un po' (jordan20)
AK47 (lillo)
Esperienze elettroniche (marco438)
Telecomunicazioni musicali (clavicordo)
Automazione ed Elettronica (gustavo)
Direttive per la sicurezza (ErnestoCappelletti)
EYnfo dall'Alaska (mir)
Apriamo il quadro! (attilio)
H7-25 (asdf)
Passione Elettrica (massimob)
Elettroni a spasso (guidob)
Bloguerra (guerra)











