Saluti a tutti,
scusate la domanda da principiante ma vorrei capire come funziona davvero un triac.
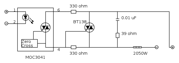
Ho realizzato il seguente circuito:
funziona regolarmete.
Se invece inverto MT1 con MT2 del triac BT138 la tensione sui pin 4 e 6 del moc rimane sempre 0.
Potete aiutarmi a capire perché?
funzionamento triac
Moderatori:
carloc,
g.schgor,
BrunoValente,
IsidoroKZ
8 messaggi
• Pagina 1 di 1
9
voti
Se inverti A1 e A2 il triac si auto innesca e conduce praticamente sempre, per questo la tensione tra i suoi terminali è sempre zero o quasi.
Per essere precisi rimane spento per breve tempo solo all'inizio di ogni semionda, quando la tensione di rete è prossima allo zero. Appena la tensione di rete raggiunge qualche volt il triac si innesca perché inizia a scorrere corrente nel gate attraverso la resistenza che lo collega ad A2.
Se ti può aiutare a comprendere il funzionamento, facendo un ragionamento molto grossolano, puoi pensare al triac come fosse un relè collegato come in figura.
Come vedi, invertendo A1 e A2, la bobina, trovandosi in serie al carico e a R2, risulta sempre alimentata e quindi l'innesco avviene appena la tensione supera il valore necessario.
Come saprai il triac , una volta innescato, rimane in conduzione fino a quando la corrente nel circuito di potenza non va a zero. Se il carico è resistivo questo avviene alla fine di ogni semiperiodo della tensione di rete.
in definitiva con A1 e A2 invertiti il triac conduce sempre tranne che per un tempo breve nell'intorno dei passaggi per lo zero della tensione di rete.
Per essere precisi rimane spento per breve tempo solo all'inizio di ogni semionda, quando la tensione di rete è prossima allo zero. Appena la tensione di rete raggiunge qualche volt il triac si innesca perché inizia a scorrere corrente nel gate attraverso la resistenza che lo collega ad A2.
Se ti può aiutare a comprendere il funzionamento, facendo un ragionamento molto grossolano, puoi pensare al triac come fosse un relè collegato come in figura.
Come vedi, invertendo A1 e A2, la bobina, trovandosi in serie al carico e a R2, risulta sempre alimentata e quindi l'innesco avviene appena la tensione supera il valore necessario.
Come saprai il triac , una volta innescato, rimane in conduzione fino a quando la corrente nel circuito di potenza non va a zero. Se il carico è resistivo questo avviene alla fine di ogni semiperiodo della tensione di rete.
in definitiva con A1 e A2 invertiti il triac conduce sempre tranne che per un tempo breve nell'intorno dei passaggi per lo zero della tensione di rete.
-

BrunoValente
39,6k 7 11 13 - G.Master EY

- Messaggi: 7796
- Iscritto il: 8 mag 2007, 14:48
0
voti
Grazie mille! Adesso è molto più chiaro.
La tua risposta mi è stata davvero di aiuto.
La tua risposta mi è stata davvero di aiuto.
-

scipiusbarbatus
35 3 - Messaggi: 38
- Iscritto il: 21 lug 2012, 18:12
0
voti
Ti faccio un ulteriore domanda sul triac
BrunoValente
Nel circuito che si vede all' inizio del Thread Il circuito che si occupa di innescare il triac si trova in serie con l' impedenza di carico.
Esistono invece configurazioni per pilotare il triac in cui il circuito che si occupa di innescarlo è indipendente rispetto all' impedenza del carico?
Cioè la corrente per innescare il Gate del triac viene presa dalla fase direttamente senza avere in mezzo il carico.
Nel circuito che si vede all' inizio del Thread Il circuito che si occupa di innescare il triac si trova in serie con l' impedenza di carico.
Esistono invece configurazioni per pilotare il triac in cui il circuito che si occupa di innescarlo è indipendente rispetto all' impedenza del carico?
Cioè la corrente per innescare il Gate del triac viene presa dalla fase direttamente senza avere in mezzo il carico.
4
voti
Si potrebbe fare anche come dici tu ma sarebbe scomodo partire dalla tensione di rete: occorrerebbe un partitore con resistenze di potenza, invece, con il carico in serie, appena il triac va in conduzione, la tensione sulle resistenze va a zero e di conseguenza non dissipano calore per tutto il tempo che rimane acceso.
-

BrunoValente
39,6k 7 11 13 - G.Master EY

- Messaggi: 7796
- Iscritto il: 8 mag 2007, 14:48
0
voti
Secondo i datasheet il triac si innesca con un segnale sul gate in qualunque dei quattro quadranti. Anche se per il vero è una verità parziale. (Il triac si innesca per molte ragioni... Per certi versi è più facile da innescare che essere certi non si inneschi).
In linea di massima la tensione di gate dovrebbe essere positiva rispetto ad MT2, in questa condizione l'impulso d'innesco può avere valori di tensione e corrente contenuti. (Secondo DS).
Tuttavia, pur di riuscire a far circolare qualcosa nel terminale di gate, è possibile innescare il triac. (Qui piacerebbe anche a me chiedere sostegno morale e scentifico ad
IsidoroKZ. In gate, anche se polarizzato inversamente rispetto ad MT2, pur di riuscire ad infilare qualche carica, (e servono maggiore tensione e corrente rispotto alla polarizzazione diretta), si riesce ad innescare il componente. (Presumo, ma lo penso senza cognizione di causa), che in verità si manifesti qualche effetto valanga, che lo porta in conduzione.
Tantissi anni fa ho fatto delle esperienze in questa direzione e, si, il triac è facile da innescare con una corrente indipendente sul gate, pur di avere il terminale MT2 come riferimento comune. Perché funzioni, bisogna offrire la tensione e corrente del quadrante più sfavorevole.
In linea di massima la tensione di gate dovrebbe essere positiva rispetto ad MT2, in questa condizione l'impulso d'innesco può avere valori di tensione e corrente contenuti. (Secondo DS).
Tuttavia, pur di riuscire a far circolare qualcosa nel terminale di gate, è possibile innescare il triac. (Qui piacerebbe anche a me chiedere sostegno morale e scentifico ad
Tantissi anni fa ho fatto delle esperienze in questa direzione e, si, il triac è facile da innescare con una corrente indipendente sul gate, pur di avere il terminale MT2 come riferimento comune. Perché funzioni, bisogna offrire la tensione e corrente del quadrante più sfavorevole.
-

Candy
32,5k 7 10 13 - CRU - Account cancellato su Richiesta utente
- Messaggi: 10123
- Iscritto il: 14 giu 2010, 22:54
5
voti
scusate la domanda da principiante ma vorrei capire come funziona davvero un triac.
Per saperne di più sui quadranti di un Triac:
Si dice che un Triac lavora sul 1° quadrante quando sull’anodo 2 risulta applicata una tensione positiva e il Gate viene eccitato da una tensione positiva. Ad esempio un Triac che lavora su questo quadrante può richiedere sul Gate una tensione di eccitazione di circa 0,8 volt e una corrente di 12 milliampere.
Quando sull’anodo 2 risulta applicata una tensione positiva e per eccitare il Gate si usa una tensione negativa, si dice che il Triac lavora sul 2° quadrante. Se si prende lo stesso Triac che in precedenza lavorava sul 1° quadrante, si scopre che per eccitarlo si dovrà applicare sul suo Gate sempre una tensione di circa 0,8 volt, ma una corrente di soli 6 milliampere, cioè dimezzata.
Se sull’anodo 2 risulta applicata una tensione negativa e per eccitare il Gate si usa una tensione negativa, si dice che il Triac lavora sul 3° quadrante. Utilizzando lo stesso Triac si scopre che per eccitarlo si dovrà applicare sul Gate una tensione, una tensione notevolmente minore, cioè circa 0,1 volt, ma una corrente notevolmente maggiore, cioè circa 28 milliampere.
Quando sull’anodo 2 risulta applicata una tensione negativa e per eccitare il Gate si usa una tensione positiva, si dice che il Triac lavora sul 4° quadrante. In questa configurazione per eccitare lo stesso Triac si dovrà applicare sul Gate una tensione di 1 volt ed una corrente di soli 14 milliampere.
PS) Se ho tempo ti preparo degli schemi di funzionamento, interessando i 4 quadranti.
-

StefanoSunda
2.880 3 6 10 - Master

- Messaggi: 1962
- Iscritto il: 16 set 2010, 19:29
8 messaggi
• Pagina 1 di 1
Chi c’è in linea
Visitano il forum: Nessuno e 57 ospiti

Elettrotecnica e non solo (admin)
Un gatto tra gli elettroni (IsidoroKZ)
Esperienza e simulazioni (g.schgor)
Moleskine di un idraulico (RenzoDF)
Il Blog di ElectroYou (webmaster)
Idee microcontrollate (TardoFreak)
PICcoli grandi PICMicro (Paolino)
Il blog elettrico di carloc (carloc)
DirtEYblooog (dirtydeeds)
Di tutto... un po' (jordan20)
AK47 (lillo)
Esperienze elettroniche (marco438)
Telecomunicazioni musicali (clavicordo)
Automazione ed Elettronica (gustavo)
Direttive per la sicurezza (ErnestoCappelletti)
EYnfo dall'Alaska (mir)
Apriamo il quadro! (attilio)
H7-25 (asdf)
Passione Elettrica (massimob)
Elettroni a spasso (guidob)
Bloguerra (guerra)


