Thread sugli operazionali
Moderatori:
carloc,
g.schgor,
BrunoValente,
IsidoroKZ
1
voti
Facciamo così, comincia a risolvere l'ultimo esercizio, poi, nel frattempo, vediamo...
-

PietroBaima
90,7k 7 12 13 - G.Master EY

- Messaggi: 12207
- Iscritto il: 12 ago 2012, 1:20
- Località: Londra
0
voti

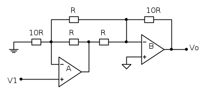
A questo punto mi chiedo: "A" sembrerebbe quasi un amplificatore non invertente, ma c'è quella parte alta di circuito che va ad influire di nuovo con
. E' vero che
tende a 0 per via di
, ma d'altra parte
verrà influenzato da
?Non saprei come procedere... sembra che tutto si influenzi a vicenda!
2
voti
-

PietroBaima
90,7k 7 12 13 - G.Master EY

- Messaggi: 12207
- Iscritto il: 12 ago 2012, 1:20
- Località: Londra
0
voti
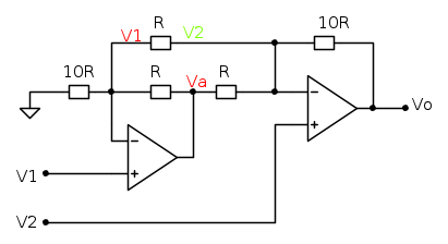
Si può riassumere la prima parte del circuito in questo modo (per V2 = 0)?
Nel caso, se non erro, Aout dovrebbe essere pari ad una sovrapposizione di effetti: un amplificatore non invertente ed un partitore di tensione per resistenze (evidenziato), giusto?

Nel caso, se non erro, Aout dovrebbe essere pari ad una sovrapposizione di effetti: un amplificatore non invertente ed un partitore di tensione per resistenze (evidenziato), giusto?

2
voti
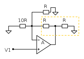
Domanda: a cosa serve la resistenza che ho riquadrato?
-

PietroBaima
90,7k 7 12 13 - G.Master EY

- Messaggi: 12207
- Iscritto il: 12 ago 2012, 1:20
- Località: Londra
2
voti
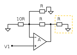
a me? niente 
-

PietroBaima
90,7k 7 12 13 - G.Master EY

- Messaggi: 12207
- Iscritto il: 12 ago 2012, 1:20
- Località: Londra
0
voti
già, proprio così, ma come mai non serve?
-

PietroBaima
90,7k 7 12 13 - G.Master EY

- Messaggi: 12207
- Iscritto il: 12 ago 2012, 1:20
- Località: Londra
Chi c’è in linea
Visitano il forum: Nessuno e 50 ospiti

Elettrotecnica e non solo (admin)
Un gatto tra gli elettroni (IsidoroKZ)
Esperienza e simulazioni (g.schgor)
Moleskine di un idraulico (RenzoDF)
Il Blog di ElectroYou (webmaster)
Idee microcontrollate (TardoFreak)
PICcoli grandi PICMicro (Paolino)
Il blog elettrico di carloc (carloc)
DirtEYblooog (dirtydeeds)
Di tutto... un po' (jordan20)
AK47 (lillo)
Esperienze elettroniche (marco438)
Telecomunicazioni musicali (clavicordo)
Automazione ed Elettronica (gustavo)
Direttive per la sicurezza (ErnestoCappelletti)
EYnfo dall'Alaska (mir)
Apriamo il quadro! (attilio)
H7-25 (asdf)
Passione Elettrica (massimob)
Elettroni a spasso (guidob)
Bloguerra (guerra)

pigreco]=π


