resistenza equivalente
Moderatori:
g.schgor,
IsidoroKZ
20 messaggi
• Pagina 1 di 2 • 1, 2
0
voti
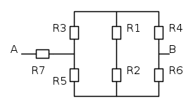
Salve,un collega mi ha chiesto di aiutarlo,ma anche io mi sono trovato in difficoltà. Volevo chiedervi qualche suggerimento a proposito del calcolo della Req vista dai morsetti A-B del circuito in basso, ho provato a fare qualche trasformazione, ma sono piuttosto bloccato.
-

cesaretrippi
22 4 - Messaggi: 48
- Iscritto il: 2 gen 2013, 15:10
0
voti
Si, ho provato a fare qualche trasformazione,ma non risolvo nulla, secondo te cosa dovrei trasformare?
-

cesaretrippi
22 4 - Messaggi: 48
- Iscritto il: 2 gen 2013, 15:10
1
voti
In questo articolo trovi qualche suggerimento sulla gestione delle configurazioni a triangolo e a stella.
http://www.electroyou.it/lillo/wiki/equivalenza
http://www.electroyou.it/lillo/wiki/equivalenza
"Le domande non sono mai indiscrete. Le risposte lo sono a volte"
Per qualche dollaro in più
Per qualche dollaro in più
2
voti
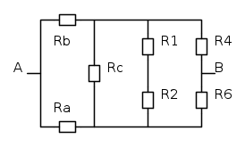
intanto ho rimaneggiato il circuito, scrivendolo in maniera più lineare. (la prossima volta, per disegnare le resistenze e gli altri componenti, usa le librerie, così è più facile modificare il circuito)
a sto punto trasformerei da stella a triangolo le R3, R5 ed R7, ottenendo (non chiedermi le formule, che è na vota che non le uso...)
a sto punto puoi fare qualche serie e parallelo, in caso riapplicare lo stella/triangolo, e hai fatto...
a sto punto trasformerei da stella a triangolo le R3, R5 ed R7, ottenendo (non chiedermi le formule, che è na vota che non le uso...)
a sto punto puoi fare qualche serie e parallelo, in caso riapplicare lo stella/triangolo, e hai fatto...
Almeno l'itagliano sallo...
0
voti
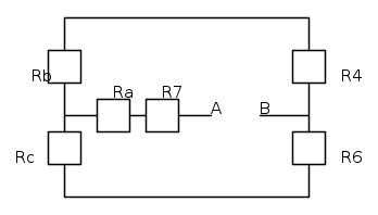
Prima che postassi la tua soluzione, ho provato a fare altre trasformazioni,ho trasformato il triangolo (R1+R2) ,R3,R5 in stella, ottenendo Ra,Rb,Rc, fatto ciò ho ricavato la Req in questo modo :![Req= [(Rb+R4)//(R6+Rc)]+(Ra+R7) Req= [(Rb+R4)//(R6+Rc)]+(Ra+R7)](/forum/latexrender/pictures/b2c9caa10059ab364f4764b7a803e4ec.png)
dovrebbe essere la stessa cosa
![Req= [(Rb+R4)//(R6+Rc)]+(Ra+R7) Req= [(Rb+R4)//(R6+Rc)]+(Ra+R7)](/forum/latexrender/pictures/b2c9caa10059ab364f4764b7a803e4ec.png)
dovrebbe essere la stessa cosa
-

cesaretrippi
22 4 - Messaggi: 48
- Iscritto il: 2 gen 2013, 15:10
0
voti
RenzoDF ha scritto:Io, senza usare nessuna trasformazione, applicherei Wang.
ovvero? mai sentito nominare
-

cesaretrippi
22 4 - Messaggi: 48
- Iscritto il: 2 gen 2013, 15:10
0
voti
cesaretrippi ha scritto:... ovvero? mai sentito nominare
Ne sono convinto, si fa solo qui a Santa Barbara; in Italia non si usa nemmeno Millman, figuriamoci Wang.
"Il circuito ha sempre ragione" (Luigi Malesani)
20 messaggi
• Pagina 1 di 2 • 1, 2
Torna a Elettrotecnica generale
Chi c’è in linea
Visitano il forum: Nessuno e 23 ospiti

Elettrotecnica e non solo (admin)
Un gatto tra gli elettroni (IsidoroKZ)
Esperienza e simulazioni (g.schgor)
Moleskine di un idraulico (RenzoDF)
Il Blog di ElectroYou (webmaster)
Idee microcontrollate (TardoFreak)
PICcoli grandi PICMicro (Paolino)
Il blog elettrico di carloc (carloc)
DirtEYblooog (dirtydeeds)
Di tutto... un po' (jordan20)
AK47 (lillo)
Esperienze elettroniche (marco438)
Telecomunicazioni musicali (clavicordo)
Automazione ed Elettronica (gustavo)
Direttive per la sicurezza (ErnestoCappelletti)
EYnfo dall'Alaska (mir)
Apriamo il quadro! (attilio)
H7-25 (asdf)
Passione Elettrica (massimob)
Elettroni a spasso (guidob)
Bloguerra (guerra)







