Thread sugli operazionali
Moderatori:
carloc,
g.schgor,
BrunoValente,
IsidoroKZ
1
voti
Bravo, cosa fa questo circuito, in definitiva?
-

PietroBaima
90,7k 7 12 13 - G.Master EY

- Messaggi: 12206
- Iscritto il: 12 ago 2012, 1:20
- Località: Londra
2
voti
quindi, detto in un altro modo, è un amplificatore da strumentazione con guadagno 31, fatto con solo due amplificatori operazionali.
Alura, se stasera torno presto ti faccio il nostro solito riassunto su come fare a risolvere velocemente il circuito, così avrai una traccia per fare da solo il caso generale di questo amplificatore da strumentazione.
(Mica ti avevo dato un caso particolare che amplifica 31 a caso, sai
) e con un ingresso in più.
Sei contento?
Bye, so far, e ancora complimenti per i risultati raggiunti!
Alura, se stasera torno presto ti faccio il nostro solito riassunto su come fare a risolvere velocemente il circuito, così avrai una traccia per fare da solo il caso generale di questo amplificatore da strumentazione.
(Mica ti avevo dato un caso particolare che amplifica 31 a caso, sai
Sei contento?
Bye, so far, e ancora complimenti per i risultati raggiunti!
-

PietroBaima
90,7k 7 12 13 - G.Master EY

- Messaggi: 12206
- Iscritto il: 12 ago 2012, 1:20
- Località: Londra
1
voti
Torniamo a noi, facendo il solito riassunto del circuito appena analizzato.
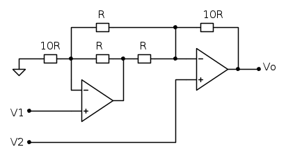
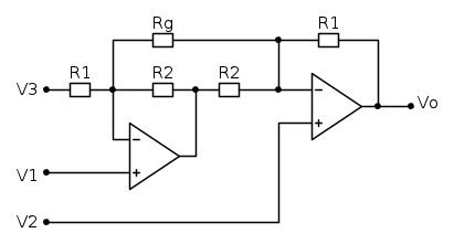
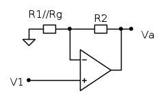
Il circuito da porre sotto analisi è questo:
Cerchiamo di dividere il circuito.
Conviene cercare di capire (molto spesso questo è un metodo che funziona bene) quanto valga la tensione ad ogni uscita dell'operazionale, evidenziando le tensioni note.
Cerchiamo, quindi, di calcolare quanto valga la tensione Va.
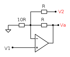
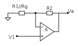
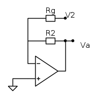
Il circuito che possiamo derivare, sfruttando le tensioni note, per il calcolo di Va è questo:
Qui possiamo applicare la sovrapposizione degli effetti, per V1 e V2.
Accendiamo V1, mentre V2 è spento: abbiamo quindi un amplificatore non invertente:
La cui tensione di uscita è:
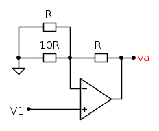
Adesso accendiamo l'altro generatore. Il circuito diventa:
La resistenza pari a 10R non serve, perché vede 0V ad entrambi i capi, pertanto possiamo buttarla via. In definitiva il circuito è un amplificatore invertente e la sua uscita vale
.
Complessivamente si ha che
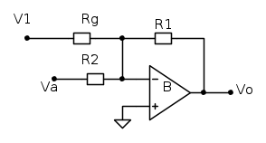
Ritorniamo al circuito principale, sapendo però quanto vale
.
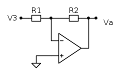
Il circuito quindi è:
Quindi ora basta risolvere la parte più scura. Si tratta di un sommatore invertente, per il quale bisognerebbe sapere la formula risolutiva senza calcolarla di volta in volta. Comunque, se non la si ricorda si può utilizzare la ormai ricorrente sovrapposizione degli effetti.
Si ottiene che (la scrivo guardando il circuito):

Semplificando si ha:

Adesso, avendo risolto questo circuito, cerchiamo di affrontare il caso generale.
Risolvi questo circuito:
Dopodichè faremo una review di tutti i dubbi che hai, prima di fare altro.
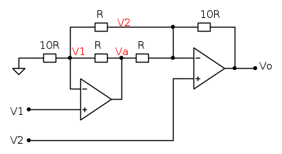
Il circuito da porre sotto analisi è questo:
Cerchiamo di dividere il circuito.
Conviene cercare di capire (molto spesso questo è un metodo che funziona bene) quanto valga la tensione ad ogni uscita dell'operazionale, evidenziando le tensioni note.
Cerchiamo, quindi, di calcolare quanto valga la tensione Va.
Il circuito che possiamo derivare, sfruttando le tensioni note, per il calcolo di Va è questo:
Qui possiamo applicare la sovrapposizione degli effetti, per V1 e V2.
Accendiamo V1, mentre V2 è spento: abbiamo quindi un amplificatore non invertente:
La cui tensione di uscita è:

Adesso accendiamo l'altro generatore. Il circuito diventa:
La resistenza pari a 10R non serve, perché vede 0V ad entrambi i capi, pertanto possiamo buttarla via. In definitiva il circuito è un amplificatore invertente e la sua uscita vale
.Complessivamente si ha che

Ritorniamo al circuito principale, sapendo però quanto vale
.Il circuito quindi è:
Quindi ora basta risolvere la parte più scura. Si tratta di un sommatore invertente, per il quale bisognerebbe sapere la formula risolutiva senza calcolarla di volta in volta. Comunque, se non la si ricorda si può utilizzare la ormai ricorrente sovrapposizione degli effetti.
Si ottiene che (la scrivo guardando il circuito):

Semplificando si ha:

Adesso, avendo risolto questo circuito, cerchiamo di affrontare il caso generale.
Risolvi questo circuito:
Dopodichè faremo una review di tutti i dubbi che hai, prima di fare altro.
-

PietroBaima
90,7k 7 12 13 - G.Master EY

- Messaggi: 12206
- Iscritto il: 12 ago 2012, 1:20
- Località: Londra
1
voti








Senza perder tempo in semplificazioni, il ragionamento fin qui è giusto?
Bomba de caporal elettronico
1
voti
Bravo, è giusto, ma ti devi ricordare che il primo operazionale sentirà anche l'effetto della V2.
Confronta con il mio riassunto qui sopra.
Confronta con il mio riassunto qui sopra.
-

PietroBaima
90,7k 7 12 13 - G.Master EY

- Messaggi: 12206
- Iscritto il: 12 ago 2012, 1:20
- Località: Londra
1
voti
già. Apparentemente sembra più semplice sovrapporre V2, ma poi la paghi dopo. Meglio liberarsi per sempre del primo operazionale, poi passare al secondo.
-

PietroBaima
90,7k 7 12 13 - G.Master EY

- Messaggi: 12206
- Iscritto il: 12 ago 2012, 1:20
- Località: Londra
1
voti
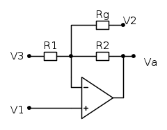
Cerchiamo di analizzare il primo opamp:
Si divide in tre circuiti da sommare:
(già calcolato sopra)
Si divide in tre circuiti da sommare:
(già calcolato sopra)
Bomba de caporal elettronico
0
voti
bene, prosegua! 

-

PietroBaima
90,7k 7 12 13 - G.Master EY

- Messaggi: 12206
- Iscritto il: 12 ago 2012, 1:20
- Località: Londra
Chi c’è in linea
Visitano il forum: Nessuno e 166 ospiti

Elettrotecnica e non solo (admin)
Un gatto tra gli elettroni (IsidoroKZ)
Esperienza e simulazioni (g.schgor)
Moleskine di un idraulico (RenzoDF)
Il Blog di ElectroYou (webmaster)
Idee microcontrollate (TardoFreak)
PICcoli grandi PICMicro (Paolino)
Il blog elettrico di carloc (carloc)
DirtEYblooog (dirtydeeds)
Di tutto... un po' (jordan20)
AK47 (lillo)
Esperienze elettroniche (marco438)
Telecomunicazioni musicali (clavicordo)
Automazione ed Elettronica (gustavo)
Direttive per la sicurezza (ErnestoCappelletti)
EYnfo dall'Alaska (mir)
Apriamo il quadro! (attilio)
H7-25 (asdf)
Passione Elettrica (massimob)
Elettroni a spasso (guidob)
Bloguerra (guerra)
pigreco]=π
















