Cos'è ElectroYou | Login Iscriviti

ElectroYou - la comunità dei professionisti del mondo elettrico

Esercizio correnti di anello scipione-bobbio

Circuiti, campi elettromagnetici e teoria delle linee di trasmissione e distribuzione dell’energia elettrica

Moderatori: Foto Utenteg.schgor, Foto UtenteIsidoroKZ

0
voti

[1] Esercizio correnti di anello scipione-bobbio

Messaggioda Foto Utentev0id » 28 ott 2011, 15:18

Ciao ragazzi, mi scuso innanzitutto per non aver più risposto ad un esercizio di fisica 2, ma ho avuto il PC fuori uso e a seguire sono stato senza internet.. in particolare mi scuso con RenzoDF per aver tradito la sua disponibilità. :oops:

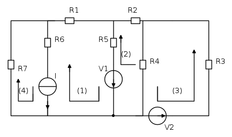
Scrivo perché svolgendo un esercizio tratto dal libro "esercizi di elettrotecnica" di Bobbio col metodo delle correnti di anello non mi torna qualcosa.

Il mio prof. ce lo fa svolgere tramite matrici di resistenza nella forma [R_B]*[j]=[V_s].

Dove Rb è la matrice che tiene conto delle resistenze negli anelli, j il vettore colonna delle correnti di anello e Vs è un vettore colonna in cui sono elencati i generatori indipendenti.

Riporto i dati intanto:

R_1 = 8/5 \Omega

R_2 = 7/3 \Omega

R_3 = 1\Omega

R_4 = 4\Omega

R_5 = 1 \Omega

R_6 = 5 \Omega

R_7 = 5/7 \Omega

V_1 = 11V

V_2 = 8V

I = -12A

Ora per scrivere la matrice [R_b] mi servo di alcune "regolette" per così dire, in modo da facilitare le cose. Cioè sulla diagonale della matrice scrivo la somma delle resistenze relative all'anello considerato, e fuori il valore della resistenza in comune relativa ai due anelli cambiata di segno, zero se non ne hanno.
Abbiamo anche dimostrato che la matrice è simmetrica.

Quindi a me vien fuori:
\begin{bmatrix}
 (R_6+R_1+R_5)  &         -R_5    &              0       &      -R_6 \\
        -R_5     &      (R_5+R_2+R_4)    &    -R_4     &        0 \\
           0             &        -R_4    &       (R_3+R_4)    &     0 \\   
-R_6        &              0      &              0   &      (R_6+R_7)
\end{bmatrix}
* \begin{bmatrix}
j_1\\ 
j_2\\ 
j_3\\ 
I
\end{bmatrix}
= \begin{bmatrix}
-V_I + V_1\\ 
-V_1\\ 
V_2\\ 
+V_I
\end{bmatrix}

Ho provato in mille modi diversi ma non mi tornano i risultati, che riporto:
j1 = 5A, j2= -3A, j3=4A, j4=-7A.



Vi ringrazio :-)
Avatar utente
Foto Utentev0id
20 3
 
Messaggi: 45
Iscritto il: 20 giu 2010, 15:45

3
voti

[2] Re: Esercizio correnti di anello scipione-bobbio

Messaggioda Foto UtenteRenzoDF » 28 ott 2011, 16:01

Imparare l'elettrotecnica "per regolette" e' sempre pericoloso! ;-)
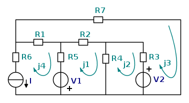
Se non si conoscono in dettaglio le condizioni che permettono la loro applicazione, si rischiano errori a raffica; nel vettore delle correnti ci va j4 non I, la j3 la hai presa "rovescia", con gli associati problemi di segno, ed al sistema manca un'equazione, in quanto V_{I} e' un'incognita, NON un termine noto, e questa equazione e' rappresentata dal legame fra la corrente impressa dal generatore di corrente e le correnti di maglia j4 e j1, associate al lato.

In poche parole, lasciando j3 come nello schema ed assumendo il positivo della tensione V_{I}
del generatore di corrente sul morsetto inferiore

\left[ \begin{matrix}
   (R_{6}+R_{1}+R_{5}) & -R_{5} & 0 & -R_{6} & 1  \\
   -R_{5} & (R_{5}+R_{2}+R_{4}) & R_{4} & 0 & 0  \\
   0 & -R_{4} & -(R_{3}+R_{4}) & 0 & 0  \\
   -R_{6} & 0 & 0 & (R_{6}+R_{7}) & -1  \\
   -1 & 0 & 0 & 1 & 0  \\
\end{matrix} \right]\cdot \left[ \begin{matrix}
   j_{1}  \\
   j_{2}  \\
   j_{3}  \\
   j_{4}  \\
   V_{I}  \\
\end{matrix} \right]=\left[ \begin{matrix}
   V_{1}  \\
   -V_{1}  \\
   -V_{2}  \\
   0  \\
   I  \\
\end{matrix} \right]

Dandolo "in pasto" a wxMaxima avremo la seguente soluzione

2011-10-28_164122.gif
2011-10-28_164122.gif (7.25 KiB) Osservato 3497 volte

... ovviamente Maxima puo' anche risolvere per via matriciale

x.gif
x.gif (7.09 KiB) Osservato 3473 volte


BTW ti faccio notare che quel modo di indicare il "verso" dei generatori di tensione e di corrente non e' "a norma".
"Il circuito ha sempre ragione" (Luigi Malesani)
Avatar utente
Foto UtenteRenzoDF
55,9k 8 12 13
G.Master EY
G.Master EY
 
Messaggi: 13189
Iscritto il: 4 ott 2008, 9:55

0
voti

[3] Re: Esercizio correnti di anello scipione-bobbio

Messaggioda Foto Utentev0id » 29 ott 2011, 4:04

Non penso di averla imparata a regolette, è semplicemente uno "schema" per scrivere più velocemente la matrice :roll:

Passando all'esercizio.. temo di aver fatto confusione con il generatore di corrente, perché se fosse stato nel lato più esterno sarebbe stato corretto sostituire j4 con I, non in questo caso.. giusto? #-o
PEr quanto riguarda il verso di j3.. beh, è quello riportato sul testo.
La 5 equazione non l'avevo inserita in virtù del fatto che avendo eguagliato j4 con I avevo 4 eq. in 4 incognite..

In poche parole per una svista un macello :mrgreen:

Grazie mille Renzo, incommensurabile come sempre =D>
Avatar utente
Foto Utentev0id
20 3
 
Messaggi: 45
Iscritto il: 20 giu 2010, 15:45

0
voti

[4] Re: Esercizio correnti di anello scipione-bobbio

Messaggioda Foto UtenteRenzoDF » 30 ott 2011, 18:17

v0id ha scritto:... temo di aver fatto confusione con il generatore di corrente, perché se fosse stato nel lato più esterno sarebbe stato corretto sostituire j4 con I, non in questo caso.. giusto?

Giusto, se il generatore di corrente si fosse trovato in un ramo "esterno" avresti potuto farlo, e quando dico "esterno" voglio precisare che e' un aggettivo non "assoluto", ma "relativo" alla scelta degli anelli, ovvero con un'opportuna scelta delle maglie elementari avresti potuto "ricadere" nei vincoli della tua "regola" di scrittura della matrice delle resistenze.
Una rete piana, come sai, puo' infatti essere vista come "stesa" su una sfera e di conseguenza con una opportuna scelta delle maglie elementari, il ramo contenente il generatore di corrente poteva essere "esternizzato", per esempio


e quindi avresti potuto scrivere


\left[ \begin{matrix}
   R_{5}+R_{2}+R_{4} & -R_{4} & -R_{2} & -R_{5}  \\
   -R_{4} & R_{4}+R_{3} & -R_{3} & 0  \\
   -R_{2} & -R_{3} & R_{3}+R_{2}+R_{1}+R_{7} & -R_{1}  \\
   0 & 0 & 0 & 1  \\
\end{matrix} \right]\cdot \left[ \begin{matrix}
   j_{1}  \\
   j_{2}  \\
   j_{3}  \\
   j_{4}  \\
\end{matrix} \right]=\left[ \begin{matrix}
   -V_{1}  \\
   -V_{2}  \\
   V_{2}  \\
   -I  \\
\end{matrix} \right]


...dove ho lasciato indicata j4 che comunque, essendo nota, avrebbe permesso di eliminare sia la quarta riga sia la quarta colonna, trasferendo i prodotti j4xR1 e j4xR5 a secondo membro come termini noti.

E' chiaro che i risultati per le correnti di maglia sono diversi,

2011-10-30_170819.gif
2011-10-30_170819.gif (17.25 KiB) Osservato 3441 volte

ma le correnti di ramo saranno comunque. corrette :!:

NB Ricordo comunque che il metodo delle correnti di maglia puo' essere usato anche su un insieme di maglie non elementari.

v0id ha scritto:PEr quanto riguarda il verso di j3.. beh, è quello riportato sul testo.

Questo lo vedo come un "test", inserito dell'autore del testo, con il proposito di verificare l'acquisizione dei vincoli del metodo; ad ogni modo puoi tenerne conto usando una corrente di maglia opposta (per es. j0=-j3) nella scrittura delle KVL ed adottando un bel -j3 nel vettore delle incognite.
"Il circuito ha sempre ragione" (Luigi Malesani)
Avatar utente
Foto UtenteRenzoDF
55,9k 8 12 13
G.Master EY
G.Master EY
 
Messaggi: 13189
Iscritto il: 4 ott 2008, 9:55


Torna a Elettrotecnica generale

Chi c’è in linea

Visitano il forum: Nessuno e 14 ospiti