A cosa serve il diodo in uscita dell'operazionale?
Moderatori:
carloc,
g.schgor,
BrunoValente,
IsidoroKZ
3 messaggi
• Pagina 1 di 1
0
voti
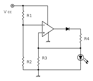
In questo circuito le resistenze R3 e R4 costituiscono un partitore di tensione e , nella configurazione dell'operazionale un trigger di schmitt.Purtroppo non riesco a capire la funzione del diodo in uscita dell'operazionale collegato a R4.Secondo voi a cosa puo' servire nel complesso questo circuito?Lo schema l'ho ricavato da un testo che non indica i valore delle resistenze ma che vuole sapere il funzionamento del circuito
0
voti
Mi sa di sì. Tra l'altro le mie risposte non sono state ascoltate nell'altro post, mentre il circuito continua a non avere nessuna utilità.
-

marioursino
5.687 3 9 13 - G.Master EY

- Messaggi: 1598
- Iscritto il: 5 dic 2009, 4:32
3 messaggi
• Pagina 1 di 1
Chi c’è in linea
Visitano il forum: Nessuno e 48 ospiti

Elettrotecnica e non solo (admin)
Un gatto tra gli elettroni (IsidoroKZ)
Esperienza e simulazioni (g.schgor)
Moleskine di un idraulico (RenzoDF)
Il Blog di ElectroYou (webmaster)
Idee microcontrollate (TardoFreak)
PICcoli grandi PICMicro (Paolino)
Il blog elettrico di carloc (carloc)
DirtEYblooog (dirtydeeds)
Di tutto... un po' (jordan20)
AK47 (lillo)
Esperienze elettroniche (marco438)
Telecomunicazioni musicali (clavicordo)
Automazione ed Elettronica (gustavo)
Direttive per la sicurezza (ErnestoCappelletti)
EYnfo dall'Alaska (mir)
Apriamo il quadro! (attilio)
H7-25 (asdf)
Passione Elettrica (massimob)
Elettroni a spasso (guidob)
Bloguerra (guerra)


