NE 555, bistabile che attiva il monostabile??
Moderatori:
carloc,
g.schgor,
BrunoValente,
IsidoroKZ
22 messaggi
• Pagina 1 di 3 • 1, 2, 3
0
voti
Ciao a tutti, mi sono appena iscritto e vi faccio i complimenti per questo bellissimo forum, ricco di argomenti e di menti brillanti, mi auguro di essere anche io di aiuto, un giorno, ad altri, come voi lo sarete per me!
Passiamo al mio piccolo problema, mi sto avvicinando ora al mondo dell' elettronica ed ho intenzione di dotare la mia auto di specchietti abbattibili elettricamente.
Gli specchietti non hanno il fine corsa, quindi devo far in modo che la tensione venga tolta appena il movimento(apertura o chiusura ) sia completo.
Per fare ciò ho pensato a due NE555, il primo in modalità bistabile che comanda l' apertura o la chiusura dello specchio, il secondo mi servirebbe farlo funzionare come timer in modo da togliere tensione ai motori appena questi hanno terminato la corsa.
Il bistabile è comandato con un pulsante, che ad ogni pressione, comanda il relé.
Come faccio a far partire il timer del secondo NE555 appena il bistabile ha girato il relè?
Grazie a tutti!
Passiamo al mio piccolo problema, mi sto avvicinando ora al mondo dell' elettronica ed ho intenzione di dotare la mia auto di specchietti abbattibili elettricamente.
Gli specchietti non hanno il fine corsa, quindi devo far in modo che la tensione venga tolta appena il movimento(apertura o chiusura ) sia completo.
Per fare ciò ho pensato a due NE555, il primo in modalità bistabile che comanda l' apertura o la chiusura dello specchio, il secondo mi servirebbe farlo funzionare come timer in modo da togliere tensione ai motori appena questi hanno terminato la corsa.
Il bistabile è comandato con un pulsante, che ad ogni pressione, comanda il relé.
Come faccio a far partire il timer del secondo NE555 appena il bistabile ha girato il relè?
Grazie a tutti!
0
voti
Davide90 ha scritto:Gli specchietti non hanno il fine corsa, quindi devo far in modo che la tensione venga tolta appena il movimento(apertura o chiusura ) sia completo.
Non ho capito il funzionamento.
Mandi sugli specchietti una tensione per tot secondi: se sono chiusi, si aprono, viceversa, se sono aperti, si chiudono?
La tensione viene invertita di polarità fra l'apertura e la chiusura?
0
voti
Esattamente, il bistabile comanda il relé che inverte la polarità ad ogni scambio, contemporaneamente allo scambio vorrei far partire il timer che manda la tensione per tot secondi
2
voti
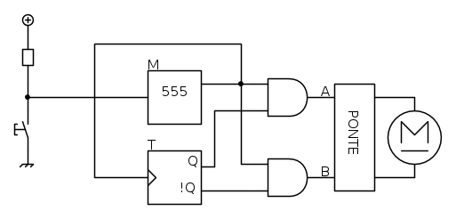
Il blocco M è il monostabile con 555
Il blocco T è il toggle (sensibile al fronte di salita)
La tabella di verità del circuito logico-combinatorio è la seguente:
T è la variabile associata all'uscita del toogle, M è la variabile associata all'uscita del monostabile, A e B sono le due uscite che costituiscono gli ingressi del ponte per il controllo del motore.
Il ponte serve per controllare il verso di rotazione e lo stop del motore, secondo questa seconda tabella:
Oppure potresti provare una soluzione in logica programmabile, es. un piccolo microcontrollore (PIC, avr ecc.)
0
voti
Ciao Grazie per lo schema!
Voglio provare questa tua soluzione, puoi consigliarmi quali integrati acquistare per il ponte ed il toggle(CD4027BC che dovrebbe funzionare fino a 15v)?
Per le porte AND stavo pensando al 7400 ma funziona a 5V, mentre a me servirebbe alimentare il tutto a 12V.
Grazie
Voglio provare questa tua soluzione, puoi consigliarmi quali integrati acquistare per il ponte ed il toggle(CD4027BC che dovrebbe funzionare fino a 15v)?
Per le porte AND stavo pensando al 7400 ma funziona a 5V, mentre a me servirebbe alimentare il tutto a 12V.
Grazie
2
voti
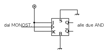
Sì, il 4027 è un dual FF JK PET
Ci sarebbe la possibilità di usare l'altro mezzo 4027 come monostabile, risparmiando così il 555:
Con la durata dell'impulso
Per le due AND c'è il 4081
Per il ponte dovrebbe andare bene un L293D (600 mA)che può pilotare due motori.
Per l'alimentazione dei 40xx prevederei comunque 5V stabilizzati (un 7805).
Inizia a provare su b/board la sola parte logica: monostabile, toogle, coppia di AND;
la parte di potenza (ponte) in un secondo momento.
Ci sarebbe la possibilità di usare l'altro mezzo 4027 come monostabile, risparmiando così il 555:
Con la durata dell'impulso

Per le due AND c'è il 4081
Per il ponte dovrebbe andare bene un L293D (600 mA)che può pilotare due motori.
Per l'alimentazione dei 40xx prevederei comunque 5V stabilizzati (un 7805).
Inizia a provare su b/board la sola parte logica: monostabile, toogle, coppia di AND;
la parte di potenza (ponte) in un secondo momento.
0
voti
ciao , ho provato il circuito timer con il 4027 e funziona.
poi ho collegato l' uscita del timer al clock del flip/flop ( l' altra metà del 4027), ed il tutto alle porte logiche
( seguendo il tuo primo schema(quello con NE555),il risultato è che una volta premuto il pulsante mi trovo tutte e due le porte logiche ad alto livello.
Il flip flop, commuta automaticamente allo scadere del timer.
poi ho collegato l' uscita del timer al clock del flip/flop ( l' altra metà del 4027), ed il tutto alle porte logiche
( seguendo il tuo primo schema(quello con NE555),il risultato è che una volta premuto il pulsante mi trovo tutte e due le porte logiche ad alto livello.
Il flip flop, commuta automaticamente allo scadere del timer.
2
voti
Davide90 ha scritto:Il flip flop, commuta automaticamente allo scadere del timer.
Perdonami se sono pedante, il FF toggle con il 1/2 4027 l'hai realizzato così?
Il circuito l'ho simulato e dà in sequenza:
00
01 (pressione del pulsante) della durata di T sec
00
10 (successiva pressione del pulsante) della durata di T sec
00
0
voti
No, non lo avevo fatto!sono un dilettante!
Ora funziona tutto alla perfezione, devo procedere con il ponte , secondo te questo link può aiutarmi?
http://digilander.libero.it/beamweb/ponte_h.htm
Ora funziona tutto alla perfezione, devo procedere con il ponte , secondo te questo link può aiutarmi?
http://digilander.libero.it/beamweb/ponte_h.htm
2
voti
Davide90 ha scritto:devo procedere con il ponte , secondo te questo link può aiutarmi?
http://digilander.libero.it/beamweb/ponte_h.htm
Direi di sì, è spiegato molto bene.
E' preferibile la versione D perché ha i 4 diodi (per motore) integrati.
Sul pin 16, devi mandare una tensione uguale pari a quella corrispondente al livello alto del segnale di ingresso che controlla il motore.
In parole povere: se i 40xx li alimenterai a 5V (come ti consiglio) allora il pin 16 lo dovrai collegare a 5V, diversamente alla stessa tensione del motore: 12V
Il piedino 8 invece è collegato alla tensione di alimentazione che richiede del motore (12V)
Potresti provare uno schema come questo, se usi i 5V per i CMOS, diversamente l'8 e il 16 vanno ovviamente collegati assieme a 12V
22 messaggi
• Pagina 1 di 3 • 1, 2, 3
Chi c’è in linea
Visitano il forum: Nessuno e 48 ospiti

Elettrotecnica e non solo (admin)
Un gatto tra gli elettroni (IsidoroKZ)
Esperienza e simulazioni (g.schgor)
Moleskine di un idraulico (RenzoDF)
Il Blog di ElectroYou (webmaster)
Idee microcontrollate (TardoFreak)
PICcoli grandi PICMicro (Paolino)
Il blog elettrico di carloc (carloc)
DirtEYblooog (dirtydeeds)
Di tutto... un po' (jordan20)
AK47 (lillo)
Esperienze elettroniche (marco438)
Telecomunicazioni musicali (clavicordo)
Automazione ed Elettronica (gustavo)
Direttive per la sicurezza (ErnestoCappelletti)
EYnfo dall'Alaska (mir)
Apriamo il quadro! (attilio)
H7-25 (asdf)
Passione Elettrica (massimob)
Elettroni a spasso (guidob)
Bloguerra (guerra)







