ciao a tutti
vorrei chiedervi una cosa:
come trovo vg?
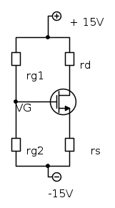
se rg2 fosse collegata a massa, non avrei nessun problema a calcolarmi vg, vg= 15v*rg2/(rg1+rg2), ma essendo collegata a -15v come faccio a trovare questa tensione? Avrete sicuramente capito che questo è un circuito di polarizzazione, nel sedra viene usato per alimentazione singola, ma il mio prof l'ha usato anche per alimentazione duale.
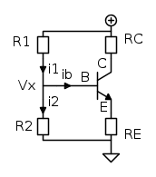
un'altra domanda e questa : se al posto del nmos ci fosse un BJT il modo per trovare vg e lo stesso oppure no? grazie a tutti ciao!
polarizzazione
Moderatori:
carloc,
g.schgor,
BrunoValente,
IsidoroKZ
7 messaggi
• Pagina 1 di 1
0
voti
Un suggerimento, considera i -15V come una batteria collegata collegata con il positivo a massa e il negativo alla resistenza.
-

elektorplus
15 3 - Messaggi: 17
- Iscritto il: 25 feb 2012, 15:19
0
voti
Come consideri il mosfet e il BJT? Stai svolgendo il DC del circuito? Oppure devi calcolare anche l'AC, cioè alle variazioni?? Sai scrivere per conto tuo equazioni alle maglie ed ai nodi?
Comunque in genere l'approccio è molto simile ma non esattamente identico, ma dipende da che risposta ha la prima domanda.
Comunque in genere l'approccio è molto simile ma non esattamente identico, ma dipende da che risposta ha la prima domanda.
2
voti
matxx ha scritto:se rg2 fosse collegata a massa, non avrei nessun problema a calcolarmi vg, vg= 15v*rg2/(rg1+rg2), ma essendo collegata a -15v come faccio a trovare questa tensione?
Il fatto che non sia collegata a GND non cambia di molto il problema. La corrente che scorre nei due resistori è la stessa, se ti viene più comodo, calcoli le cadute di tensione su questi..
se al posto del nmos ci fosse un BJT il modo per trovare vg e lo stesso oppure no?
Il metodo è completamente diverso, e sul Sedra Smith è ben spiegato.
0
voti
ok quindi faccio:
V2= |vss|*r2/(r1+r2)
V1= vdd*r1/(ri+r2)
VX=V2-V1
si x il BJT e tutt'altra cosa!
1
voti
Vdd - VR1 o Vss + VR2.
Nel caso di una polarizzazione con un BJT come nello schema
R1 ed R2 non le si dimensiona per calcolare la tensione sul punto Vx (che è uguale alla somma di VBE + VE nel caso con la resistenza sull'emettitore) ma bensì per dimensionare la corrente di base.
Nel caso di una polarizzazione con un BJT come nello schema
R1 ed R2 non le si dimensiona per calcolare la tensione sul punto Vx (che è uguale alla somma di VBE + VE nel caso con la resistenza sull'emettitore) ma bensì per dimensionare la corrente di base.
0
voti
La corrente di leakage del gate del MOS non la considerate? I metodi non differiscono in niente in realtà, dipende se svolgete con Thevenin o meno, quello che è diverso è il funzionamento del dispositivo.
Comunque sul Sedra c'è spiegato tutto come detto da Gohan.
Luca.
Comunque sul Sedra c'è spiegato tutto come detto da Gohan.
Luca.
7 messaggi
• Pagina 1 di 1
Chi c’è in linea
Visitano il forum: Nessuno e 169 ospiti

Elettrotecnica e non solo (admin)
Un gatto tra gli elettroni (IsidoroKZ)
Esperienza e simulazioni (g.schgor)
Moleskine di un idraulico (RenzoDF)
Il Blog di ElectroYou (webmaster)
Idee microcontrollate (TardoFreak)
PICcoli grandi PICMicro (Paolino)
Il blog elettrico di carloc (carloc)
DirtEYblooog (dirtydeeds)
Di tutto... un po' (jordan20)
AK47 (lillo)
Esperienze elettroniche (marco438)
Telecomunicazioni musicali (clavicordo)
Automazione ed Elettronica (gustavo)
Direttive per la sicurezza (ErnestoCappelletti)
EYnfo dall'Alaska (mir)
Apriamo il quadro! (attilio)
H7-25 (asdf)
Passione Elettrica (massimob)
Elettroni a spasso (guidob)
Bloguerra (guerra)






