salve a tutti ho una domanda da farvi...
ho fatto 2 circuiti per far funzionare il tda ma nessuno funziona, vanno tutti e 2 in corto.... ho controllato i circuiti in maniera tale da trovare qualche corto ma non ne ho trovato. Visto che non ne ho trovato visivamente ho fatto delle misure sulla continuità e qui ho trovato una cosa anomala, c'è continuità tra -Vs e la massa... mentre tra +Vs e massa non c'è. Mi sono insospettito e avendo un terzo tda non saldato ho controllato se tra il piedino 1 (che è massa) e il piedino 15 (che è -Vs) ci fosse continuità e effettivamente risulta che ce ne sia... mentre tra il pin 1 e il 13 (+Vs) non c'è.... ora la mia domanda e questa:
E normale questa cosa ho i 3 tda hanno dei problemi??
tda7294
Moderatori:
carloc,
g.schgor,
BrunoValente,
IsidoroKZ
10 messaggi
• Pagina 1 di 1
0
voti
[2] Re: tda7294
Fai uno schema in FidoCadJ di quello che hai fatto e postalo.
Da quello che scrivi non e' possibile capire se e dove hai fatto qualche errore.
P.S. Indica anche il sistema di alimentazione.
Da quello che scrivi non e' possibile capire se e dove hai fatto qualche errore.
P.S. Indica anche il sistema di alimentazione.
marco
0
voti
[3] Re: tda7294
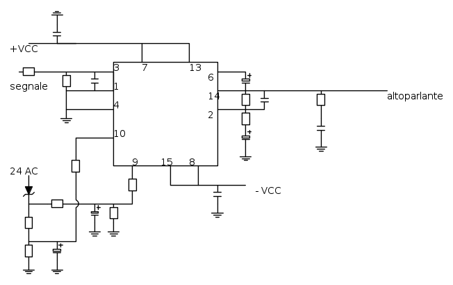
lo schema è questo:
l'aliemwntazione è data da un trasformatore 24 0 24 a 6 ampere .... poi raddrizzata con ponte ed livellata con 2 condensatori da 4700uf 63v... comunque l'alimentazione funziona, è stata già testata con altri circuiti.... quello ke mi lascia perplesso e che ho preso un tda (un terzo, senza essere saldato ) e come scritto precedentemente ho trovato continuità tra -Vs e massa mentre tra +Vs e massa no!
l'aliemwntazione è data da un trasformatore 24 0 24 a 6 ampere .... poi raddrizzata con ponte ed livellata con 2 condensatori da 4700uf 63v... comunque l'alimentazione funziona, è stata già testata con altri circuiti.... quello ke mi lascia perplesso e che ho preso un tda (un terzo, senza essere saldato ) e come scritto precedentemente ho trovato continuità tra -Vs e massa mentre tra +Vs e massa no!
0
voti
[6] Re: tda7294
quell' op amp e lì per rendere chiara la controreazione .... fisicamente nn c'è!
i componenti collegati tra il 10 e 9 servono per il standby e il mute, r2 c3 e la rete zobel, c1 e il condensatore di bootstrap , r5,r1 10p, e c2 sono la controreazione, c6 r3 r4 c7 e un filtro passa banda
i componenti collegati tra il 10 e 9 servono per il standby e il mute, r2 c3 e la rete zobel, c1 e il condensatore di bootstrap , r5,r1 10p, e c2 sono la controreazione, c6 r3 r4 c7 e un filtro passa banda
0
voti
[7] Re: tda7294

"Non farei mai parte di un club che accettasse la mia iscrizione" (G. Marx)
-

claudiocedrone
21,3k 4 7 9 - Master EY

- Messaggi: 15302
- Iscritto il: 18 gen 2012, 13:36
0
voti
[9] Re: tda7294
ho fatto tutte le misure possibili ... il problema sn i 30 v dc che trovo in uscita (per uscita intendo il punto dv collego l'altoparlante )
2
voti
[10] Re: tda7294
Ora per la misura del componente smontato non saprei... ma per il circuito montato: l'aletta dell'IC è collegata a -Vcc non è che l'hai messa in corto con lo zero?
Magari lo sai già... ma non si sa mai
Magari lo sai già... ma non si sa mai
Se ti serve il valore di beta: hai sbagliato il progetto!
10 messaggi
• Pagina 1 di 1
Chi c’è in linea
Visitano il forum: Majestic-12 [Bot] e 43 ospiti

Elettrotecnica e non solo (admin)
Un gatto tra gli elettroni (IsidoroKZ)
Esperienza e simulazioni (g.schgor)
Moleskine di un idraulico (RenzoDF)
Il Blog di ElectroYou (webmaster)
Idee microcontrollate (TardoFreak)
PICcoli grandi PICMicro (Paolino)
Il blog elettrico di carloc (carloc)
DirtEYblooog (dirtydeeds)
Di tutto... un po' (jordan20)
AK47 (lillo)
Esperienze elettroniche (marco438)
Telecomunicazioni musicali (clavicordo)
Automazione ed Elettronica (gustavo)
Direttive per la sicurezza (ErnestoCappelletti)
EYnfo dall'Alaska (mir)
Apriamo il quadro! (attilio)
H7-25 (asdf)
Passione Elettrica (massimob)
Elettroni a spasso (guidob)
Bloguerra (guerra)







