Salve,
il prof ci ha spiegato che possiamo realizzare un alimentatore mediante una catena composta dai seguenti elementi:
1. Trasformatore
2. Raddrizzatore Ac/Dc filtro capacitivo
3. Regolatore di tensione (per eliminare quasi del tutto il ripple)
Abbiamo approfondito il regolatore serie, ci ha detto che può essere visto come un amplificatore di capacità
Cd (capacità regolatore)= C*hfe.
Poi ci ha detto che il diodo del filtro capacitivo adesso vede una capacità più grande: data dalla capacità del filtro capacitivo + la capacità del regolatore.
Adesso non ho capito una cosa:
ma il diodo scelto in fase di progetto del filtro capacitivo non si brucia vedendo una capacità più grande di quella con cui l'avevamo scelto in fase di progetto?
Catena di alimentazione Ac/DC
Moderatori:
carloc,
g.schgor,
BrunoValente,
IsidoroKZ
3 messaggi
• Pagina 1 di 1
0
voti
Un diodo ha molti parametri che lo caratterizzano, come un poco tutto al mondo. Tra questi ci sono la massima corrente diretta che può sopportare, che non è necessariamente la sua corrente nominale.
E poi, in ogni caso, come lo hai scelto? Indubbiamente devono essere note in qualche modo sia la massima corrente di picco e sia la corrente efficace, per poterlo scegliere. Se lo avessi scelto solo in funzione della capacità di filtro, ti sarebbe venuto fuori che dopo il transitorio di carica, la corrente nel diodo è nulla.
Non so cosa intendesse il "prof", ma non riesco ad immaginare il regolatore come una capacità.
E poi, in ogni caso, come lo hai scelto? Indubbiamente devono essere note in qualche modo sia la massima corrente di picco e sia la corrente efficace, per poterlo scegliere. Se lo avessi scelto solo in funzione della capacità di filtro, ti sarebbe venuto fuori che dopo il transitorio di carica, la corrente nel diodo è nulla.
Non so cosa intendesse il "prof", ma non riesco ad immaginare il regolatore come una capacità.
-

Candy
32,5k 7 10 13 - CRU - Account cancellato su Richiesta utente
- Messaggi: 10123
- Iscritto il: 14 giu 2010, 22:54
0
voti
Nemmeno io ho capito come fa ad immaginarlo come una capacità.
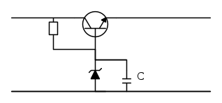
Faccio qualche disegno , vi dico cosa ho capito, cosi magari qualcuno mi corregge:
Questo regolatore è in catena ad un raddrizzatore AC/DC, quindi ha in ingresso una tensione quasi costante ma non del tutto. Possiamo dividere il suo ingresso in una componente costante e in una variabile (ondulazione residua).
Applichiamo il principio di sovrapposizione degli effetti, ponendo in ingresso prima la componente costante e poi la variabile.
Quando applichiamo la componente costante in uscita abbiamo Vz-Vbe sempre costante mentre quando applichiamo la variabile questa viene deviata dal condensatore che per le componenti ad altra frequenza è un cortocircuito.
In uscita abbiamo eliminato il ripple.
Il diodo per la componente variabile può essere visto come una resistenza perché la sua curva caratteristica, per un determinato range di valori, è una retta in un piano VI.
Questo regolatore può essere visto come un: "amplificatore di capacità" in cui Cd=C*hfe.
(io non ho capito perché:D)
quindi quello che adesso vede il filtro è:
adesso ecco la parte che non ho proprio capito, a lezione ci è stato detto:
"Potremmo pensare che il diodo si bruci a causa di uno spike altissimo ma in realtà non è cosi perché resistenza è capacità si compensano" Ma in che senso?
Vede una resistenza più piccola di quella che vedeva quando era attaccato direttamente al carico?
Faccio qualche disegno , vi dico cosa ho capito, cosi magari qualcuno mi corregge:
Questo regolatore è in catena ad un raddrizzatore AC/DC, quindi ha in ingresso una tensione quasi costante ma non del tutto. Possiamo dividere il suo ingresso in una componente costante e in una variabile (ondulazione residua).
Applichiamo il principio di sovrapposizione degli effetti, ponendo in ingresso prima la componente costante e poi la variabile.
Quando applichiamo la componente costante in uscita abbiamo Vz-Vbe sempre costante mentre quando applichiamo la variabile questa viene deviata dal condensatore che per le componenti ad altra frequenza è un cortocircuito.
In uscita abbiamo eliminato il ripple.
Il diodo per la componente variabile può essere visto come una resistenza perché la sua curva caratteristica, per un determinato range di valori, è una retta in un piano VI.
Questo regolatore può essere visto come un: "amplificatore di capacità" in cui Cd=C*hfe.
(io non ho capito perché:D)
quindi quello che adesso vede il filtro è:
adesso ecco la parte che non ho proprio capito, a lezione ci è stato detto:
"Potremmo pensare che il diodo si bruci a causa di uno spike altissimo ma in realtà non è cosi perché resistenza è capacità si compensano" Ma in che senso?
Vede una resistenza più piccola di quella che vedeva quando era attaccato direttamente al carico?
3 messaggi
• Pagina 1 di 1
Chi c’è in linea
Visitano il forum: Nessuno e 103 ospiti

Elettrotecnica e non solo (admin)
Un gatto tra gli elettroni (IsidoroKZ)
Esperienza e simulazioni (g.schgor)
Moleskine di un idraulico (RenzoDF)
Il Blog di ElectroYou (webmaster)
Idee microcontrollate (TardoFreak)
PICcoli grandi PICMicro (Paolino)
Il blog elettrico di carloc (carloc)
DirtEYblooog (dirtydeeds)
Di tutto... un po' (jordan20)
AK47 (lillo)
Esperienze elettroniche (marco438)
Telecomunicazioni musicali (clavicordo)
Automazione ed Elettronica (gustavo)
Direttive per la sicurezza (ErnestoCappelletti)
EYnfo dall'Alaska (mir)
Apriamo il quadro! (attilio)
H7-25 (asdf)
Passione Elettrica (massimob)
Elettroni a spasso (guidob)
Bloguerra (guerra)



