1)
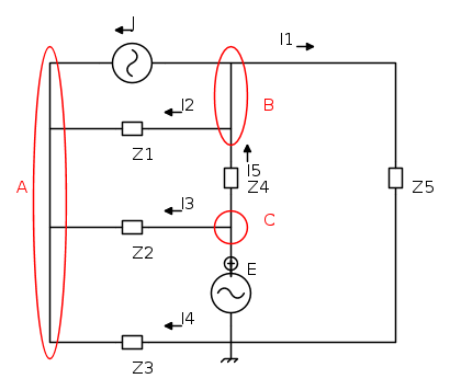
Ho risolto interamente la rete trovando tutti i valori delle correnti e delle tensioni ma non ho trovato il modo di sostituire il generatore J(1) con una resistenza... Non mi interessano i calcoli (poi quelli li faccio io) ma solo il metodo di trovare R(x)...
2)
Anche in questo esercizio ho risolto tutta la rete (metodo delle maglie) ma quando vado a sommare tutte le potenze (
) il risultato viene diverso da zero...Può darsi che applichi male Tellegen perché anche in un circuito semplice non mi torna:
In questo esempio faccio:

Sbaglio qualcosa???

Elettrotecnica e non solo (admin)
Un gatto tra gli elettroni (IsidoroKZ)
Esperienza e simulazioni (g.schgor)
Moleskine di un idraulico (RenzoDF)
Il Blog di ElectroYou (webmaster)
Idee microcontrollate (TardoFreak)
PICcoli grandi PICMicro (Paolino)
Il blog elettrico di carloc (carloc)
DirtEYblooog (dirtydeeds)
Di tutto... un po' (jordan20)
AK47 (lillo)
Esperienze elettroniche (marco438)
Telecomunicazioni musicali (clavicordo)
Automazione ed Elettronica (gustavo)
Direttive per la sicurezza (ErnestoCappelletti)
EYnfo dall'Alaska (mir)
Apriamo il quadro! (attilio)
H7-25 (asdf)
Passione Elettrica (massimob)
Elettroni a spasso (guidob)
Bloguerra (guerra)




... Grazie mille!!






e
si può determinare i valori di tutte le correnti di ramo.



