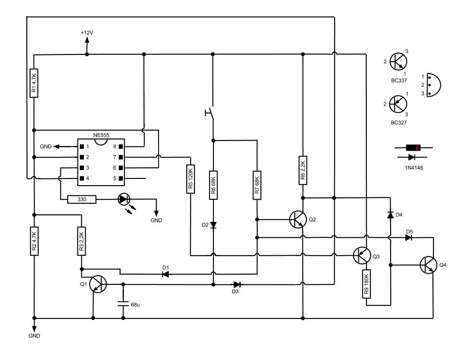
In questi giorni ho realizzato una possibile soluzione per pilotare l’ uscita di un NE555 con un solo pulsante. Circuiti di questo tipo vengono spesso usati in alternativa al relè passo-passo, col vantaggio che il relè si resetta anche quando viene tolta l’ alimentazione.Non appena alimentiamo il circuito ai pin 2 e 6 è presente una tensione di circa 6 Volt, di conseguenza l’ uscita rimane bassa. In questa condizione i transistor Q3 e Q4 sono alimentati tramite il pin7. Premendo il pulsante Q1 si satura con un piccolissimo ritardo, mentre la base di Q2 rimane bassa grazie al collettore di Q4. Non appena il condensatore si carica Q1 porta a livello basso la tensione ai pin 2 e 6, e al tempo stesso impedisce a Q2 di saturarsi. Rilasciando il pulsante il condensatore si scarica. A questo punto, dato che l’uscita del NE555 è a livallo alto, Q3 e Q4 risultano interdetti. Di conseguenza, non appena il pulsante viene premuto nuovamente, Q2 si satura e va ad azzerare il segnale al pin 4, mentre Q1 rimane basso. Il circuito ritorna quindi alla condizione iniziale.

Elettrotecnica e non solo (admin)
Un gatto tra gli elettroni (IsidoroKZ)
Esperienza e simulazioni (g.schgor)
Moleskine di un idraulico (RenzoDF)
Il Blog di ElectroYou (webmaster)
Idee microcontrollate (TardoFreak)
PICcoli grandi PICMicro (Paolino)
Il blog elettrico di carloc (carloc)
DirtEYblooog (dirtydeeds)
Di tutto... un po' (jordan20)
AK47 (lillo)
Esperienze elettroniche (marco438)
Telecomunicazioni musicali (clavicordo)
Automazione ed Elettronica (gustavo)
Direttive per la sicurezza (ErnestoCappelletti)
EYnfo dall'Alaska (mir)
Apriamo il quadro! (attilio)
H7-25 (asdf)
Passione Elettrica (massimob)
Elettroni a spasso (guidob)
Bloguerra (guerra)