Indice |
L'avviatore Y/Δ
Spesso bistrattato, spesso ritenuto superato, talvolta addirittura dannoso, qualunque siano i nostri preconcetti e le nostre opinioni, anche se supportate da dati oggettivi a riguardo, è indiscutibile e fuori di dubbio, che chiunque di noi si sia almeno una volta nella vita imbattuto in un avviatore stella/triangolo (che sia stato per progettazione, per realizzazione o per manutenzione).
Al di la della premessa un po' esasperata, va detto, che per determinate applicazioni, questo tipo di avviamento è il giusto compromesso tra funzionalità e semplicità ed affidabilità del sistema, oltre ad essere un sistema relativamente economico rispetto ai suoi concorrenti "statici" quali soft starter, inverter, ecc., almeno quando si parla di potenze considerevoli.
Principio di funzionamento
L' avviamento stella/triangolo (in seguito Y/Δ) è un avviamento a tensione e coppia ridotta, destinato a motori asincroni trifase (M.A.T.) con rotore a gabbia di scoiattolo.
Il suo scopo è essenzialmente quello di limitare il picco di assorbimento che il motore asincrono per sua natura genera in fase di avviamento e che potrebbe comportare eccessive sollecitazioni termiche sulla rete di alimentazione, compreso l' intervento delle protezioni da sovracorrente, ed allo stesso tempo limitare o smorzare le sollecitazioni meccaniche agli organi di trasmissione (assi, pignoni, pulegge, cinghie, ecc..).
L' avviamento Y/Δ riduce la corrente e la coppia di avviamento a circa 1/3 (un terzo) del valore nominale.
Nella pratica si fa partire il motore collegato a stella, sottoalimentandolo a 230 V, in questo modo si limita di fatto la corrente durante la fase di avviamento (in questo modo si può evitare di sovradimensionare la linea di alimentazione); Un opportuno temporizzatore, con tempo di commutazione regolabile dall' utente (il tempo di commutazione va verificato applicazione per applicazione, solitamente si attende che già durante la partenza a stella, il motore sia prossimo ai giri nominali prima di eseguire lo scambio, o comunque che la corrente assorbita si sia stabilizzata) realizzerà poi la commutazione tra i contattori (come si vede dallo schema successivo). Il momento più gravoso/stressante (per gli avvolgimenti del motore) è proprio quello dell' istante di commutazione. Guardando la transizione all' oscilloscopio si può verificare come (seppure di durata brevissima) il picco di assorbimento durante la commutazione sia evidente.
Normalmente si possono avviare con sistema Y/Δ, avendo disponibile una alimentazione trifase a 400 V 50 Hz, M.A.T. aventi dati di targa del tipo: Y-690 V ; Δ-400 V. Che prevedano quindi il collegamento a triangolo con la tensione concatenata di 400 V.
Aggiungo che la scelta dell' avviamento Y/Δ è comunque a discrezione del progettista, va tenuto conto dell' inerzia del carico collegato all' asse del motore, e dell' eventuale variabilità di quest' ultima. E' fondamentale che la partenza a stella, riesca a garantire la coppia di spunto minima, altrimenti il motore potrebbe non avviarsi e andare in "stallo".
E' sempre più comune, reperire M.A.T. sul mercato, che riportino dati di targa idonei ad un avvimanto Y/Δ, spesso già dalla taglia di 4 o 5,5 kW. Tuttavia per esperienza personale, difficilmente sotto gli 11-15 kW si adotta un sistema di avviamento Y/Δ, piuttosto si preferisce la partenza diretta a triangolo, ma ribadisco, sono scelte progettuali che vanno valutate in maniera oggettiva caso per caso.
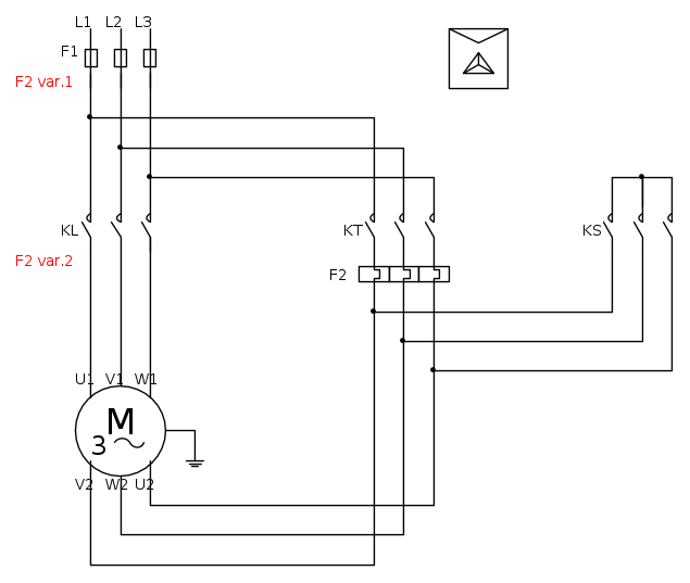
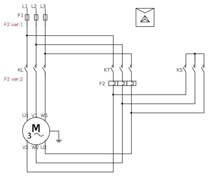
Schema circuito di potenza
Nell' esempio riportato, la protezione termica (RT) denominata F2, è posizionata sul ramo di triangolo. In quella posizione (avviamento particolarmente gravoso con rischio di scatto termico) la protezione non interessa il circuito di avviamento (collegamento a stella).
Sempre in base al tipo di avviamento, si può posizionare la termica nelle posizioni F2 var.1, ovvero a monte del circuito di avviamento; in questo caso la corrente di regolazione del termico deve essere settata sulla In del motore collegato a triangolo. In questo caso, la protezione non è comunque efficace nel funzionamento a stella (seppure si trovi in serie agli avvolgimenti), tranne che come protezione da mancato avviamento.
Altra alternativa è rappresentata dal posizionamento a valle del contattore di linea (KL) nella posizione F2 var.2. In questo caso, la protezione agisce anche nel collegamento a stella, poichè essa viene tarata alla corrente di fase del motore (Ief) che vale:
dove Ie è la corrente nominale del motore nel collegamento a triangolo.
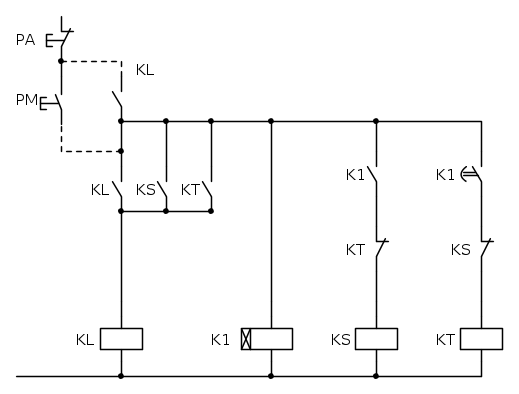
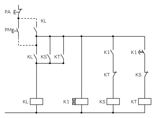
Schema di principio del circuito di comando
Nota: Lo schema non tiene conto del contatto NC dell' eventuale relè termico inserito nel circuito che agisce facendo cadere l'autoritenuta.
Leggenda:
PA = Pulsante d' arresto
PM = Pulsante di marcia
KL = Contattore di linea
KS = Contattore di stella
KT = Contattore di triangolo
K1 = Temporizzatore di commutazione
Applicazioni reali
Compressore a vite
Motore 30 kW
Note: La termica è posizionata a valle del contattore di triangolo; Il temporizzatore non è nascosto, il tempo di commutazione è gestito dal modulo elettronico del compressore ed è parametrizzato "di fabbrica" al suo valore di default.
VIDEO 1
VIDEO 2
VIDEO 3
Occhio ai valori rilevati dalla pinza amperometrica all' inserzione (stella) e nell' istante di commutazione (triangolo).
Impianto di aspirazione a chiocciola
Motore 22 kW
Note: La termica è posizionata a valle del contattore di triangolo.
VIDEO 4
VIDEO 5
Occhio ai valori visualizzati sulla pinza e al sonoro durante il transitorio.
Pompa oleodinamica alta pressione [250 bar]
Motore 18,5 kW
[in due applicazioni gemelle]
Note: La protezione termica (non visibile in foto) è realizzata a monte del circuito di avviamento.
VIDEO 6
VIDEO 7
Gruppo antincendio - elettropompa di portata
Motore 11 kW
Note: Protezione termica ASSENTE poichè vietata su dispositivi di sicurezza antincendio. Sola protezione magnetica a monte.
VIDEO 8
Compressore a vite II
Motore 30 kW
Note: Protezione termica inserita a valle del contattore di linea.
Chiusura centro stella
Motore
Collegamento dei cavi provenienti dai teleruttori agli avvolgimenti
Conclusioni
Come si può vedere, non sempre i quadri di automazione sono in perfetto ordine, oltre alle modifiche richieste dal processo in corso d'opera a volte per nostra stessa colpa rimane qualche coperchio di canalina sul fondo del quadro o da qualche altra parte, oppure qualche cablaggio smosso e non riordinato. Per questo e per le altre imprecisioni "fisiologiche" riportate nell' articolo (esempio? modalità di pinzatura del conduttore di fase poco professionale, nei video che rilevano l'assorbimento durante l'avvimento dei motori) chiedo venia anticipatamente.

Elettrotecnica e non solo (admin)
Un gatto tra gli elettroni (IsidoroKZ)
Esperienza e simulazioni (g.schgor)
Moleskine di un idraulico (RenzoDF)
Il Blog di ElectroYou (webmaster)
Idee microcontrollate (TardoFreak)
PICcoli grandi PICMicro (Paolino)
Il blog elettrico di carloc (carloc)
DirtEYblooog (dirtydeeds)
Di tutto... un po' (jordan20)
AK47 (lillo)
Esperienze elettroniche (marco438)
Telecomunicazioni musicali (clavicordo)
Automazione ed Elettronica (gustavo)
Direttive per la sicurezza (ErnestoCappelletti)
EYnfo dall'Alaska (mir)
Apriamo il quadro! (attilio)
H7-25 (asdf)
Passione Elettrica (massimob)
Elettroni a spasso (guidob)
Bloguerra (guerra)

