Indice |
Introduzione
Tempo fa mi sono prodigato al restauro di una vecchia bicicletta pieghevole, una safari.
Ho cercato di mantenere il più possibile le sembianze originali, ma la mania di mantenere il più possibile tutte le parti come erano in origine si è scontrata con la necessità di sopravvivenza. Infatti il sistema di illuminazione originale è alquanto scarso e il sistema dinamo più lampadine ad incandescenza non riesce a fornire una luce sufficiente neanche per essere visibili al buio della notte.
Per avere un impatto minimo sull’estetica della bici la soluzione ricercata è stata quella di sostituire le lampadine da 6 volt ad incandescenza con dei LED.
Si è visto quindi necessario lo sviluppo di un circuito (che voleva essere quanto più economico e semplice possibile) di un sistema di alimentazione per un LED di potenza.
Idea di progetto e informazioni preliminari
L'idea è di avere un circuito concettualmente il più semplice possibile, economico e che tutta la componentistica fosse reperibile su Aliexpress.
Il motivo principale della necessità di un circuito di alimentazione per LED è che questi componenti, essendo dei diodi, devono essere alimentati in corrente. Inoltre, sebbene il generatore della bicicletta venga comunemente chiamata dinamo tutto è forché una dinamo. Infatti la tensione in uscita non è continua, bensì alternata con frequenza variabile (dipendente dalla velocità della pedalata).
Una dinamo può essere considerata come un generatore di corrente [1]. Non avendo effettuato misure sul generatore della bicicletta, mi sono basato sui dati di targa che indicano una potenza di 3 W con una uscita nominale di 6 V.
Quindi mi aspetto che il nostro alternatore riesca ad erogare 500 mA e 6 V circa.
L'unica misura precauzionale effettuata è la misura della tensione massima raggiungibile a vuoto. Per misurare questa tensione mi sono avvalso di un multimetro, un full-bridge-rectifier e un capacitore. La tensione massima raggiunta è stata di 15 V.
Ovviamente questa è una stima spannometrica e quindi era necessario sviluppare un circuito che limitasse la corrente massima che transitasse nel LED, non solo, essendo la tensione di alimentazione variabile, non è possibile utilizzare una resistenza per limitare la corrente, ma è necessario un sistema a feedback negativo.
Il circuito dovrà quindi essere caratterizzato da un raddrizzatore di corrente, un capacitore per minimizzare il ripple e un limitatore di corrente a feedback negativo.
I led sono stati scelti con potenza nominale di 1W per essere sicuri di rientrare nella potenza massima erogabile dalla dinamo (3 W).
Componentistica
- Diodo Schottky 1N5817-T x4;
- Capacitore 330 uF;
- BJT P2N2222 x1;
- MOSFET-Nchannel FQB55N10 x1;
- Resistore 1/4 W 100 kOhm x1;
- Resistore 1/4 W 1 Ohm x2;
- LED Bianco o Rosso, Imax = 300 mA, 1 W [2];
Schema elettrico e principio di funzionamento
Come potete vedere dallo schema [4] abbiamo la parte di sinistra, composta dai diodi D1-4 (che formano un full bridge rectifier) e da C1 che hanno lo scopo di fornirci una tensione di alimentazione continua e ridurre il ripple. Il resto dei componenti invece formano il limitatore di corrente a contro reazione.
Senza metterci ad effettuare una analisi precisa sulle correnti ai nodi e la sensibilità alla tensione di alimentazione ne enunceremo solamente il principio di funzionamento e una formula di progetto approssimata. c Innanzitutto trascuriamo la corrente di base di Q1 che consideriamo piccola rispetto a quella che scorrerà nel diodo LED1. Attraverso la resistenza R1 verrà polarizzato M1 che supponiamo in saturazione. Inizierà quindi a scorrere una corrente nel MOSFET che farà si che ci sia una caduta di tensione sulla serie delle resistenze R2 e R3 che chiameremo Rdeg.
Questa caduta di tensione, man mano che aumenta farà si che aumenti la tensione VBE su Q1 mandandolo in conduzione.
Conducendo va drenare la corrente da R1 andando quindi a ridurre la VGS su M1. Di conseguenza si ridurrà la corrente che scorre nel LED e anche quella in Rdeg.
Questo farà si che si riduca la corrente drenata da Q1 e quindi M1 condurrà nuovamente di più e così via.
Questo è proprio il principio di controreazione! Alla fine si raggiungerà un punto di equilibrio e la corrente sarà pertanto stabile.
Con qualche approssimazione, la corrente in M1 e quindi in LED1 dipenderà solamente da Rdeg purché la tensione di alimentazione sia sufficientemente elevata da non mandare in interdizione M1.
Come calcolarsi Rdeg?
Guardando la figura 11 del datasheet di Q1 [3] possiamo vedere come, per basse correnti di collettore (abbiamo R1 grande) abbiamo una VON = 0,55V che è la tensione che fa accendere Q1. Quindi la corrente che scorre nel LED è approssimabile come segue
Tornando al nostro caso, avendo una corrente massima di 300 mA scegliamo una resistenza di 2 Ohm che dovrebbe garantirci una corrente teorica di 275 mA (0,55V / 2Ω = 0,275A).
Con una rapida analisi su LTSpice ipotizzando una tensione di alimentazione massima di 6 V, si può osservare una corrente massima di 270 mA che è in linea con quanto ci aspettavamo originariamente.
Si può inoltre vedere come oltre che raddoppiando l'alimentazione la corrente aumenti solamente di un 10%.
In questo grafico è maggiormente visibile il comportamento della corrente nel LED in funzione della variazione della tensione di alimentazione in DC.
E luce fu!
Possibili alternative circuitali
Questo circuito soffre di una forte inefficienza. Infatti, gran parte della potenza è dissipata da M1. Sul LED c'è una caduta di tensione di circa 3 V. Per rendere il circuito più efficiente si potrebbe cercare di ridurre al minimo la dissipazione sul transistor, ma l'aggiunta di un secondo LED in serie per far sì che ci sia una caduta di tensione inferiore sul MOSFET non è una soluzione applicabile in quanto la dinamo non riesce a fornire per qualsiasi velocità una tensione di soglia sufficiente per far accendere i LED.
Un'altra opzione potrebbe essere quella di usare un circuito switching, ma l'efficienza energetica in questo caso non è strettamente necessaria e sarebbe comunque inutile senza una più approfondita analisi del comportamento della dinamo.
Chi fosse interessato in [4] può trovare lo schema circuitale e il PCB.
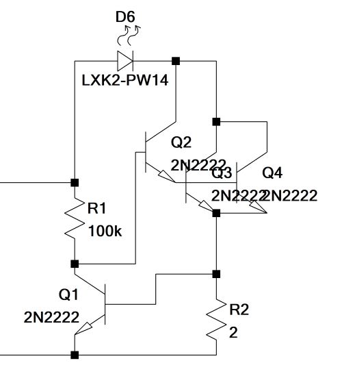
Inoltre aggiungo una piccola curiosità: perché usare un BJT e un MOSFET e non due BJT o due MOSFET? All'ultima domanda rispondo subito. Usare un BJT per Q1 al posto di un MOSFET fa sì che il circuito abbia una minor sensibilità alla tensione di alimentazione. Infatti in un BJT la VBE varia molto poco rispetto ad una variazione della Ic, nei MOSFET non è così. Per l'altra domanda si può tranquillamente usare un BJT al posto di M1, però bisogna tenere conto della corrente di base in polarizzazione. Per come è stato polarizzato è necessario un grande guadagno, perciò si potrebbe sostituire M1 con una coppia darlington di P2N2222. Questa soluzione sulla carta funziona, ma il nostro BJT non è in grado di dissipare tutta la potenza. Una soluzione aggiuntiva potrebbe essere di mettere più transistor in parallelo come nella figura seguente o usare direttamente una coppia darlington come un BDX33C.
Ricordiamo che M1 è in grado di dissipare fino 3W (e il fatto che abbia un package TO-263 può utilizzare il PCB come dissipatore).
Riferimenti
[1] http://pilom.com/BicycleElectronics/Dynamo.htm
[2] https://it.aliexpress.com/item/4000181729482.html
[3] https://www.onsemi.com/pub/Collateral/P2N2222A-D.PDF

Elettrotecnica e non solo (admin)
Un gatto tra gli elettroni (IsidoroKZ)
Esperienza e simulazioni (g.schgor)
Moleskine di un idraulico (RenzoDF)
Il Blog di ElectroYou (webmaster)
Idee microcontrollate (TardoFreak)
PICcoli grandi PICMicro (Paolino)
Il blog elettrico di carloc (carloc)
DirtEYblooog (dirtydeeds)
Di tutto... un po' (jordan20)
AK47 (lillo)
Esperienze elettroniche (marco438)
Telecomunicazioni musicali (clavicordo)
Automazione ed Elettronica (gustavo)
Direttive per la sicurezza (ErnestoCappelletti)
EYnfo dall'Alaska (mir)
Apriamo il quadro! (attilio)
H7-25 (asdf)
Passione Elettrica (massimob)
Elettroni a spasso (guidob)
Bloguerra (guerra)