Indice |
0. Premessa
Questo articolo è il naturale completamento del mio precedente in cui è stata spiegata la costruzione casalinga del trasformatore d'iniezione di segnale che, insieme a un DSO con funzione "Bode Plot", adesso trova il suo impiego pratico per la verifica di stabilità di un convertitore DC/DC di tipo "buck".
Il modulo del convertitore DC/DC scelto è un classico "cinesino" da due euro che monta un LM2596S come regolatore switching integrato. Le caratteristiche nominali sono : tensione d'ingresso Vin(max.) 40 Vcc ; tensione di uscita (regolabile con potenziometro multigiri) Vout 1,2 - 35 Vcc e Imax 3 A.
1. Richiami di teoria
Di seguito ricordo, in maniera molto sintetica, qualche principio fondamentale di teoria dei sistemi di controllo che servirà per capire il funzionamento del circuito d'iniezione che fa uso del TRF separatore, collegato al generatore (AWG), e dei punti di prelievo dei segnali da inviare al DSO.
Tutti i sistemi di controllo in catena chiusa sono riconducibili allo schema seguente :
Tutti i termini (R, G, H, Y, Fdt, Floop) che compaiono in figura sono simbolici e rappresentano le trasformate nel dominio della variabile complessa (s=σ+jω) di Laplace delle corrispondenti grandezze nel dominio del tempo e dei corrispondenti blocchi circuitali. In particolare la Fdt rappresenta la funzione di trasferimento ingresso (R) uscita (Y) del sistema controllato in catena chiusa e Floop è detta funzione di trasferimento di anello.
DEFINIZIONE : un sistema come in figura è stabile se e solo se un qualunque segnale d'ingresso (R) limitato fornisce un'uscita (Y) limitata.
Affinchè il sistema sia stabile è noto che i poli della Fdt non si devono trovare nel semipiano destro di s cioè con σ>0. Trovare i poli della Fdt significa calcolare i valori di s per cui 1+GH=0 cioè GH=Floop=-1. Esistono diversi metodi numerici per calcolare i poli della Fdt, ma per capire meglio il legame tra la stabilità del sistema di Fig.2 e i diagrammi di Bode conviene passare dalla trasformata di Laplace a quella di Fourier e considerare le grendezze variabili nel tempo come sinusoidali. Questa operazione è matematicamente possibile ponendo s=jω e quindi GH(jω)=-1.
GH(jω) è funzione solo di ω e, essendo complessa, ha parte reale e parte immaginaria : GH(jω)=Re[GH(jω)]+jIm[GH(jω)]. La condizione GH(jω)=-1 si ottiene imponendo :
- 1.a) |GH(jω)|=1
- 1.b) φ[GH(jω)]=-180° o − π rad.
Ragionando da un punto di vista pratico se esiste anche una sola pulsazione ωo per la quale 1+GH(jωo)=0 allora il modulo della Fdt del sistema controllato |Fdt(jωo)| → ∞ (assume cioè valori tendenti all'infinito) e viene quindi violata la precedente DEFINIZIONE di stabilità del sistema.
Risulta particolarmente interessante lo studio della risposta armonica della funzione di trasferimento di anello Floop=GH(jω) e la sua rappresentazione può essere fatta come :
- 1.c) diagramma polare nel piano complesso Re[GH(jω)]+jIm[GH(jω)], e si ottiene una curva rappresentativa del vettore [Re(jω);Im(jω)], parametrata in funzione della pulsazione ω (diagramma di Nyquist) oppure come
- 1.d) diagrammi di Bode, in due diverse rappresentazioni scalari di modulo |GH(jω)| e fase φ[GH(jω)] sempre in funzione della pulsazione ω come variabile indipendente.
2. Diagrammi di Bode della Floop(jω)
Per ricavare la risposta armonica di Floop(jω) bisogna iniettare un segnale Vi sinusoidale con pulsazione ω variabile in un campo prestabilito all'ingresso del blocco di retroazione H, considerando nullo il segnale R di riferimento, e contemporaneamente osservare l'uscita Y del sistema. Il segnale Vin deve avere ampiezza ridotta (100/200 mVpp) per garantire la linearità di risposta del sistema. Lo schema a blocchi è il seguente :
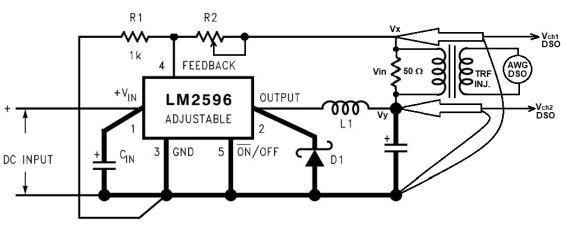
La realizzazione pratica del circuito di misura della risposta armonica di anello è riportata nello schema elettrico seguente facendo riferimento al modulo del DC/DC converter usato nelle prove. La funzione svolta dal trasformatore d'iniezione è evidente : svincola dal GND (massa del DSO, AWG e del DC/DC converter) la tensione Vin d'ingresso al blocco H di controreazione che in questo modo risulta flottante rispetto a tutto il circuito e strumentazione di misura. L'accoppimento delle sonde dei due canali Vch1 e Vch2 del DSO deve essere in AC perchè nella misura del rapporto Vy/Vx sono coinvolti solo segnali sinusoidali.
OSSERVAZIONE 1) : con riferimento alla Fig.4 non ha importanza la fase con cui viene collegato il secondario del trasformatore sulla resistenza di carico da 50 Ω per l'iniezione di Vin nell'anello di regolazione perchè la Floop(jω) non cambia. La resistenza deve essere comunque di valore << a R1 e R2 come solitamente avviene.
OSSERVAZIONE 2) : non è rigorosamente necessario (anche se auspicabile) che il trasformatore d'iniezione abbia una risposta piatta in ampiezza con errore di fase contenuto nella banda passante specificata. Infatti, per come è realizzato il circuito, gli errori di ampiezza e di fase introdotti dal trasformatore d'iniezione sulla Vin (rispetto all'uscita AWG del DSO collegato al primario del TRF 1:1), vengono compensati perchè Floop(jω)=Vy/Vx per ogni pulsazione ω di prova.
OSSERVAZIONE 3) : per il circuito di Fig.3 è Floop(jω)=-GH(jω) e quindi sostituendo in 1+Floop(jω)=0 di Fig.2, si ottiene il limite di stabilità per la funzione di trasferimento di anello GH(jω)=1. Il punto critico è in questo caso (1+j0) che impone per modulo e fase :
- 2.a) |GH(jω)|=1
- 2.b) φ[GH(jω)]=0°
3. Misura di "Bode Plot" con DSO
In Fig.5 di seguito sono riportati i risultati di misura generati direttamente dal DSO con le misure dei margini di guadagno (GM) in dB e fase (PM) in gradi °.
Si vede, secondo le definizioni correnti di margine di guadagno e fase, che :
- 3.a) il margine GM in dB è calcolato, in senso positivo della scala in dB, nel punto di attraversamento della φ[Floop(jω)]=0° rispetto alla curva di guadagno |Floop(jω)| (circa tra 60 e 70 kHz in Fig.6).
- 3.b) il margine PM in ° è calcolato, in senso positivo della scala in gradi °, nel punto a guadagno |Floop(jω)|=0 dB rispetto alla curva di fase φ[Floop(jω)] (circa tra 2 e 3 kHz in Fig.6).
Come si può vedere dai risultati numerici di GM=21,83 dB e PM=111,24 ° risultanti dai grafici di Bode, il circuito risulta ampiamente stabile. La conferma dei risultati sopra ottenuti può essere fatta dinamicamente mediante carico elettronico applicato all'uscita del DC/DC converter e caricandolo ciclicamente, alla frequenza di circa 100 Hz, tra 0 A e 2 A.
4. Conclusioni e bibliografia
I moderni oscilloscopi oggi offrono potenzialità di analisi fino a poco tempo fa impensabili, con costi accessibili anche agli appassionati di elettronica che vogliono fare esperienza applicando la pratica alla teoria dei sistemi di controllo che è una materia complessa ma affascinante. I due articoli pubblicati sull'argomento vogliono offrire uno stimolo a tutti i "maker" e non che frequentano il portale Electroyou.
4.a) Bibliografia
- Elettronica di Millman - Ed. McGraw-Hill - Millman/Grabel/Terreni
- Controlli Automatici - Ed. Zanichelli (BO) - Giovanni Marro
- https://www.youtube.com/watch?v=6bnP3QDhNoo - OMICRON Lab (Accurate Loop Gain Measurements, Tips & Tricks)

Elettrotecnica e non solo (admin)
Un gatto tra gli elettroni (IsidoroKZ)
Esperienza e simulazioni (g.schgor)
Moleskine di un idraulico (RenzoDF)
Il Blog di ElectroYou (webmaster)
Idee microcontrollate (TardoFreak)
PICcoli grandi PICMicro (Paolino)
Il blog elettrico di carloc (carloc)
DirtEYblooog (dirtydeeds)
Di tutto... un po' (jordan20)
AK47 (lillo)
Esperienze elettroniche (marco438)
Telecomunicazioni musicali (clavicordo)
Automazione ed Elettronica (gustavo)
Direttive per la sicurezza (ErnestoCappelletti)
EYnfo dall'Alaska (mir)
Apriamo il quadro! (attilio)
H7-25 (asdf)
Passione Elettrica (massimob)
Elettroni a spasso (guidob)
Bloguerra (guerra)