Cos'è ElectroYou | Login Iscriviti

ElectroYou - la comunità dei professionisti del mondo elettrico

Partitore pesante per polarizzazione BJT

Elettronica lineare e digitale: didattica ed applicazioni

Moderatori: Foto Utentecarloc, Foto Utenteg.schgor, Foto UtenteBrunoValente, Foto UtenteIsidoroKZ

0
voti

[1] Partitore pesante per polarizzazione BJT

Messaggioda Foto Utentedursino » 21 giu 2011, 18:16

Salve, qualcuno saprebbe dirmi due parole,circa il titolo?
In particolare la mia dispensa di Elettronica recita così:
L’altro inconveniente prima citato consiste nel fatto che il punto di lavoro dipende
fortemente dalle caratteristiche intrinseche del transistore, le quali possono variare
notevolmente, a causa della dipendenza da parametri costruttivi come la larghezza
di base che non possono essere controllati con grande precisione. Il circuito che pi`
u
spesso si utilizza per la polarizzazione dei BJT risolve anche questo problema e si
basa sull’impiego di un partitore “pesante” per fissare la tensione di base.
Per partitore pesante si intende un partitore realizzato con resistenze tali da far
passare una corrente molto maggiore (almeno 20 volte) di quella che da tale partitore
viene derivata, in questo caso particolare la corrente di base. In una tale situazione
la tensione che si ottiene con il partitore ` sostanzialmente determinata dal rapporto
e
delle resistenze.

Ma non ho colto molto ciò che vuole dire e non colgo come una cosa del genere possa distaccarsi dalla particolarità del transistore .
Grazie
Avatar utente
Foto Utentedursino
265 1 5 5
Expert
Expert
 
Messaggi: 537
Iscritto il: 8 mar 2009, 13:24

2
voti

[2] Re: Partitore pesante per polarizzazione BJT

Messaggioda Foto Utentelillo » 21 giu 2011, 18:41

potrei sbagliarmi ma credo che si riferisca alla autopolarizzazione di un BJT


Si dimensionano le resistenze R1 e R2 in modo da far scorrere una corrente circa 10 - 20 volte quella di base. Trascurando quest'ultima rispetto a quella che scorre in R1 e R2, le due resistenze formano sostanzialmente un partitore.
Avatar utente
Foto Utentelillo
20,5k 7 12 13
G.Master EY
G.Master EY
 
Messaggi: 4178
Iscritto il: 25 nov 2010, 11:30
Località: Nuovo Mondo

2
voti

[3] Re: Partitore pesante per polarizzazione BJT

Messaggioda Foto UtenteBrunoValente » 21 giu 2011, 18:55

Sì, confermo quello che dice lillo: una volta deciso il valore di tensione per polarizzare la base, si dimensiona il rapporto tra i valori delle resistenze per ottenere quella tensione e si scelgono i valori delle resistenze in modo da far scorrere nel ramo una corrente molto maggiore di quella di base. In questo modo, se la corrente di base, che risente molto delle variazioni di temperatura, dovesse variare, avrebbe poco effetto sulle variazioni della tensione di base.
Avatar utente
Foto UtenteBrunoValente
39,6k 7 11 13
G.Master EY
G.Master EY
 
Messaggi: 7797
Iscritto il: 8 mag 2007, 14:48

0
voti

[4] Re: Partitore pesante per polarizzazione BJT

Messaggioda Foto Utentedursino » 21 giu 2011, 19:24

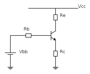
Qui l'immagine:
Schermata.png
Schermata.png (12.12 KiB) Osservato 4870 volte

Dunque in questo caso:
Vb=R1/R2?
Non mi è tanto chiaro ad essere sincero .
Mi è chiaro invece il fatto che nel caso Ib variasse per un aumento di temperatura ,allora
avrei un non significativo aumento delle correnti sulle resistenze che non farebbe aumentare VB in maniera significativa.
Poi il professore parla di larghezza di base che non si può controllare.
In questo modo come la controllo?
Una piccola dimostrazioncina si potrebbe ottenere,in qualche modo?
Grazie
Avatar utente
Foto Utentedursino
265 1 5 5
Expert
Expert
 
Messaggi: 537
Iscritto il: 8 mar 2009, 13:24

1
voti

[5] Re: Partitore pesante per polarizzazione BJT

Messaggioda Foto Utentelillo » 21 giu 2011, 20:03

il mio prof invece ci fa sostituire il circuito:


con il suo equivalente si thevenin:

con:
Vbb=\frac{R2}{R1+R2}Vcc
e Rb parallelo di R1 e R2. Si dimensiona opportunamente Vbb abbastanza grande rispetto alla Vbe. non so quanto possa servirti ma questo è più o meno come lo hanno spiegato a me.
credo però che dimensionare opportunamente sia un metodo per non preoccuparsi della larghezza di base, correggetemi se sbaglio
Avatar utente
Foto Utentelillo
20,5k 7 12 13
G.Master EY
G.Master EY
 
Messaggi: 4178
Iscritto il: 25 nov 2010, 11:30
Località: Nuovo Mondo

2
voti

[6] Re: Partitore pesante per polarizzazione BJT

Messaggioda Foto UtenteBrunoValente » 21 giu 2011, 20:13

dursino ha scritto:Dunque in questo caso:
Vb=R1/R2?
Non mi è tanto chiaro ad essere sincero...

Infatti è sbagliato: pensa prima alla corrente che scorre nella serie R1-R2 (trascurando la IB che abbiamo detto essere molto più piccola) che vale Ip= Vcc/(R1+R2) e poi alla tensione su R2 che vale Vbb= Ip* R2= Vcc*R2/(R1+R2)
Avatar utente
Foto UtenteBrunoValente
39,6k 7 11 13
G.Master EY
G.Master EY
 
Messaggi: 7797
Iscritto il: 8 mag 2007, 14:48

0
voti

[7] Re: Partitore pesante per polarizzazione BJT

Messaggioda Foto Utentedursino » 21 giu 2011, 21:45

Grazie per le risposte.
Lillo ma Thevenin li a partire da quali morsetti lo applichi?
Avatar utente
Foto Utentedursino
265 1 5 5
Expert
Expert
 
Messaggi: 537
Iscritto il: 8 mar 2009, 13:24

0
voti

[8] Re: Partitore pesante per polarizzazione BJT

Messaggioda Foto Utentedursino » 21 giu 2011, 22:58

Schermata.png
Schermata.png (10.06 KiB) Osservato 4810 volte

Thevenin è preso da A e B!
Adesso mi torna il circuito equivalente , ma ancora non tutto il nesso.
Per oggi può bastare .
Buonanotte
Avatar utente
Foto Utentedursino
265 1 5 5
Expert
Expert
 
Messaggi: 537
Iscritto il: 8 mar 2009, 13:24

1
voti

[9] Re: Partitore pesante per polarizzazione BJT

Messaggioda Foto UtenteTardoFreak » 21 giu 2011, 23:03

lillo ha scritto:il mio prof invece ci fa sostituire il circuito:


con il suo equivalente si thevenin:

con:
Vbb=\frac{R2}{R1+R2}Vcc
e Rb parallelo di R1 e R2. Si dimensiona opportunamente Vbb abbastanza grande rispetto alla Vbe. non so quanto possa servirti ma questo è più o meno come lo hanno spiegato a me
credo però che dimensionare opportunamente sia un metodo per non preoccuparsi della larghezza di base, correggetemi se sbaglio

No, non sbagli. Le equazioni sono giuste.
Ne sono sicuro al 100%. :ok:

Quando si progetta la rete di polarizzazione non si parte dalle due resistenze ma da Vbb e da Rb. R1 e R2 si ricavano di conseguenza in questo modo:

R_1=R_B\frac{V_{CC}}{V_{BB}}

R_2=R_B\frac{V_{CC}}{V_{CC}-V_{BB}}
"La follia sta nel fare sempre la stessa cosa aspettandosi risultati diversi".
"Parla soltanto quando sei sicuro che quello che dirai è più bello del silenzio".
Rispondere è cortesia, ma lasciare l'ultima parola ai cretini è arte.
Avatar utente
Foto UtenteTardoFreak
73,9k 8 12 13
-EY Legend-
-EY Legend-
 
Messaggi: 15754
Iscritto il: 16 dic 2009, 11:10
Località: Torino - 3° pianeta del Sistema Solare

1
voti

[10] Re: Partitore pesante per polarizzazione BJT

Messaggioda Foto UtenteIsidoroKZ » 21 giu 2011, 23:18

Si puo` sempre andare a vedere questo articolo: in pratica abbassare il valore delle resistenze del partitore di base riduce la sensibilita` delle variazioni della corrente di collettore rispetto alle variazioni del guadagno di corrente.
Per usare proficuamente un simulatore, bisogna sapere molta più elettronica di lui
Plug it in - it works better!
Il 555 sta all'elettronica come Arduino all'informatica! (entrambi loro malgrado)
Se volete risposte rispondete a tutte le mie domande
Avatar utente
Foto UtenteIsidoroKZ
121,2k 1 3 8
G.Master EY
G.Master EY
 
Messaggi: 21059
Iscritto il: 17 ott 2009, 0:00

Prossimo

Torna a Elettronica generale

Chi c’è in linea

Visitano il forum: Nessuno e 79 ospiti