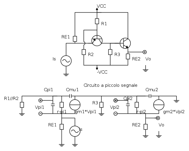
Signori volevo delle delucidazioni a riguardo..L'esercizio oltre a richiedere il guadagno a centro banda e la wH per l'approssimazione a polo dominante voleva anche conoscere gli zeri ad alta frequenze(dove entrano in gioco le capacità interne dei transistori)
Istintivamente avrei detto che stanno "quasi" tutti all'infinito ma il professore logicamente vuole la condizione elettrica per cui ciò avviene..
Per ottenere gli zeri devo imporre che la Vo sia nulla..quando succede questo?
per Cpi2 e Cmu2 la Vo è nulla quando la corrente in RE2 è nulla e cioè quando


e quindi il primo zero a

e il secondo zero,se
,sarà all'infinito..Invece per quanto riguarda i condensatori Cpi1 e Cmu1 la condizione elettrica per cui la mia Vo è nulla è che la corrente in Cmu1 sia uguale a quella del primo pilotato

dove Vmu è la tensione ai capi del condensatore..ora prima di impelagarmi nel calcolo è corretta almeno la condizione elettrica?

Elettrotecnica e non solo (admin)
Un gatto tra gli elettroni (IsidoroKZ)
Esperienza e simulazioni (g.schgor)
Moleskine di un idraulico (RenzoDF)
Il Blog di ElectroYou (webmaster)
Idee microcontrollate (TardoFreak)
PICcoli grandi PICMicro (Paolino)
Il blog elettrico di carloc (carloc)
DirtEYblooog (dirtydeeds)
Di tutto... un po' (jordan20)
AK47 (lillo)
Esperienze elettroniche (marco438)
Telecomunicazioni musicali (clavicordo)
Automazione ed Elettronica (gustavo)
Direttive per la sicurezza (ErnestoCappelletti)
EYnfo dall'Alaska (mir)
Apriamo il quadro! (attilio)
H7-25 (asdf)
Passione Elettrica (massimob)
Elettroni a spasso (guidob)
Bloguerra (guerra)




è corretta?
cade la tensione 
è una tensione di riferimento che ho messo in mezzo per risolvere l'equzione.



instead of
(Anonimo).
ain't
, right?
in lieu of
.
for
arithm.



