Apro il post con una premessa: non ho mai studiato i numeri complessi a scuola, e tutto quello che so di elettronica lo devo ai testi che mi leggo da solo. Quindi, sono consapevole di avere delle grosse lacune in merito, dunque se uso termini o modi di ragionare sbagliati (cosa molto probabile), sarò felicissimo se mi correggiate, in modo da migliorarmi.
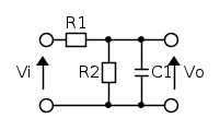
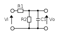
Detto questo, vengo al mio problema. Dovrei calcolare la funzione di trasferimento di questa rete.
In sostanza, devo calcolarmi l'ampiezza del segnale sinusoidale
in funzione della frequenza. Immaginando il circuito come un partitore, ho scritto questa formula.
E semplificando...

Fino a qui, ci sono errori?
Ora arriva la parte che mi resta più difficile, ovvero iniziare a lavorare con le unità immaginarie. Per il momento, so che
, dunque mi verrebbe da sostituire questo termine in questo modo.
È corretto?
A questo punto, non so come proseguire per ottenere il modulo di questo vettore. So che dovrei rimuovere l'unità immaginaria, giusto? Ma come si fa?
Grazie!
Ciao,
Niki

Elettrotecnica e non solo (admin)
Un gatto tra gli elettroni (IsidoroKZ)
Esperienza e simulazioni (g.schgor)
Moleskine di un idraulico (RenzoDF)
Il Blog di ElectroYou (webmaster)
Idee microcontrollate (TardoFreak)
PICcoli grandi PICMicro (Paolino)
Il blog elettrico di carloc (carloc)
DirtEYblooog (dirtydeeds)
Di tutto... un po' (jordan20)
AK47 (lillo)
Esperienze elettroniche (marco438)
Telecomunicazioni musicali (clavicordo)
Automazione ed Elettronica (gustavo)
Direttive per la sicurezza (ErnestoCappelletti)
EYnfo dall'Alaska (mir)
Apriamo il quadro! (attilio)
H7-25 (asdf)
Passione Elettrica (massimob)
Elettroni a spasso (guidob)
Bloguerra (guerra)


![\[\left| {{\dot V_0}} \right| = \frac{{\left| {{\dot V_i}} \right|}}{{\left| {1 + \frac{{{R_1}}}{{{R_2}}} + j\omega C{R_1}} \right|}} = \frac{{\left| {{\dot V_i}} \right|}}{{\sqrt {{{\left( {1 + \frac{{{R_1}}}{{{R_2}}}} \right)}^2} + {{\left( {\omega C{R_1}} \right)}^2}} }}\] \[\left| {{\dot V_0}} \right| = \frac{{\left| {{\dot V_i}} \right|}}{{\left| {1 + \frac{{{R_1}}}{{{R_2}}} + j\omega C{R_1}} \right|}} = \frac{{\left| {{\dot V_i}} \right|}}{{\sqrt {{{\left( {1 + \frac{{{R_1}}}{{{R_2}}}} \right)}^2} + {{\left( {\omega C{R_1}} \right)}^2}} }}\]](/forum/latexrender/pictures/378c92f2a685350f7e350a5b62dde158.png)


, quindi si opera algebricamente in modo normale, in modo simile alle espressioni con i radicali. Ad esempio moltiplicando un complesso per il suo coniugato, che ha la parte immaginaria di segno opposto, si ottiene il quadrato del modulo, quindi un reale puro. Questo è utile per "liberarsi" dai denominatori.

, si ottiene
instead of
(Anonimo).
ain't
, right?
in lieu of
.
for
arithm.




. È corretto?

, alimentato da una tensione di ingresso