Saranno due esercizi semplici ma non riesco a venirne a capo
Ho questi due esercizi:
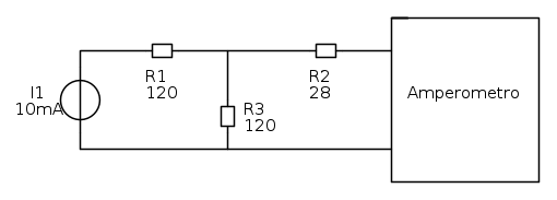
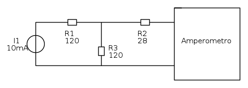
1) "Dato il seguente circuito di misura della corrente
, assumendo che l'amperometro abbia una resistenza interna di 2
, il valore
fornito come lettura dall'amperometro risulta:"La corrente

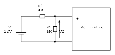
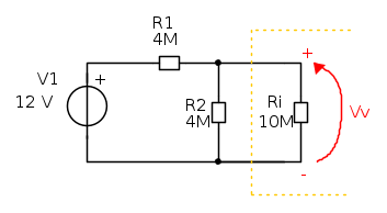
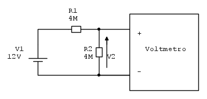
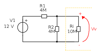
2) Dato il seguente circuito della misura di
, assumendo che il voltmetro abbia una resistenza interna di
, il valore
fornito come lettura dal voltmetro risulta:
risulta 5V.Non riesco a capire in entrambi i casi come fa a calcolare questi due risultati! L'amperometro so che ha una resistenza interna di
. Se non sbaglio la resistenza
e quella dell'amperometro sono in serie, però dopo non so più andare avanti.Per quanto riguarda il voltmetro io so che la misura della tensione è data da:

Però non sono in grado di calcolarmi la corrente I.
Se potete darmi un suggerimento su come impostare i due problemi, dopo provo a risolverli da solo
Grazie
Ciaoo

Elettrotecnica e non solo (admin)
Un gatto tra gli elettroni (IsidoroKZ)
Esperienza e simulazioni (g.schgor)
Moleskine di un idraulico (RenzoDF)
Il Blog di ElectroYou (webmaster)
Idee microcontrollate (TardoFreak)
PICcoli grandi PICMicro (Paolino)
Il blog elettrico di carloc (carloc)
DirtEYblooog (dirtydeeds)
Di tutto... un po' (jordan20)
AK47 (lillo)
Esperienze elettroniche (marco438)
Telecomunicazioni musicali (clavicordo)
Automazione ed Elettronica (gustavo)
Direttive per la sicurezza (ErnestoCappelletti)
EYnfo dall'Alaska (mir)
Apriamo il quadro! (attilio)
H7-25 (asdf)
Passione Elettrica (massimob)
Elettroni a spasso (guidob)
Bloguerra (guerra)








:
è la stessa.
(ho semplificato gli zeri)


e la corrente 



