Diagramma di Bode per OP. AMP. alimentato in corrente
Moderatori:
carloc,
g.schgor,
BrunoValente,
IsidoroKZ
16 messaggi
• Pagina 1 di 2 • 1, 2
0
voti
Salve a tutti. Devo fare i diagrammi di bode per questo opamp. L'ingresso sono 100 A e l'uscita 20 mA.
Qualcuno mi da qualche consiglio su come procedere? Ho provato a ricreare il circuito in ltspice mettendo un generatore di corrente in ingresso. Sembra funzionare correttamente a parte il fatto che non c'è corrente in uscita!
1
voti
daymos ha scritto: L'ingresso sono 100 A
Ehm... 100 A
It's a sin to write
instead of
(Anonimo).
...'cos you know that
ain't
, right?
You won't get a sexy tan if you write
in lieu of
.
Take a log for a fireplace, but don't take
for
arithm.
instead of
(Anonimo)....'cos you know that
ain't
, right?You won't get a sexy tan if you write
in lieu of
.Take a log for a fireplace, but don't take
for
arithm.-

DirtyDeeds
55,9k 7 11 13 - G.Master EY

- Messaggi: 7012
- Iscritto il: 13 apr 2010, 16:13
- Località: Somewhere in nowhere
2
voti
E che vuoi che sia 1 MW? 
"La follia sta nel fare sempre la stessa cosa aspettandosi risultati diversi".
"Parla soltanto quando sei sicuro che quello che dirai è più bello del silenzio".
Rispondere è cortesia, ma lasciare l'ultima parola ai cretini è arte.
"Parla soltanto quando sei sicuro che quello che dirai è più bello del silenzio".
Rispondere è cortesia, ma lasciare l'ultima parola ai cretini è arte.
-

TardoFreak
73,9k 8 12 13 - -EY Legend-

- Messaggi: 15754
- Iscritto il: 16 dic 2009, 11:10
- Località: Torino - 3° pianeta del Sistema Solare
10
voti
Fantastico!!
Ho appena trovato il filmato del test di quell'amplificatore!!
Ho appena trovato il filmato del test di quell'amplificatore!!
-

PietroBaima
90,7k 7 12 13 - G.Master EY

- Messaggi: 12206
- Iscritto il: 12 ago 2012, 1:20
- Località: Londra
0
voti
ok,ok. Lo schema è corretto. Il dato 100 A sullo schema che mi hanno dato deve essere riferito a qualcos'altro. Ma alla fine per fare un diagramma di bode non mi serve nemmeno saperlo. Potrei mettere un generatore qualunque e far variare la frequenza e vedere la banda come si comporta o no?
Ultima modifica di
daymos il 11 mar 2014, 1:24, modificato 2 volte in totale.
0
voti
certo che puoi, però non aspettarti grandi risultati...
Ciao,
Pietro.
Ciao,
Pietro.
-

PietroBaima
90,7k 7 12 13 - G.Master EY

- Messaggi: 12206
- Iscritto il: 12 ago 2012, 1:20
- Località: Londra
0
voti
ok, mi potresti spiegare qual è il modo corretto di procedere in questa situazione, ovvero senza sapere esattamente il dato di ingresso e invece se lo conoscessi?
1
voti
io, se fossi in te, come prima cosa, ma proprio come prima prima cosa, mi calcolerei la funzione di trasferimento di quel circuito, a mano ...
-

PietroBaima
90,7k 7 12 13 - G.Master EY

- Messaggi: 12206
- Iscritto il: 12 ago 2012, 1:20
- Località: Londra
0
voti
ok, per la funzione di trasferimento devo esprimere Vin e Vout. Vout non ce problema ma per Vin non capisco che tipo di collegamento sia stato fatto. In sostanza non riesco a ricondurlo a un circuito canonico
4
voti
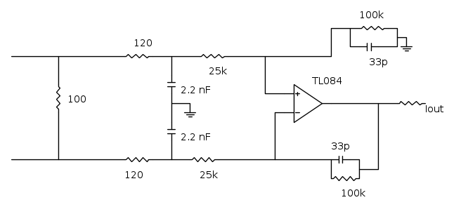
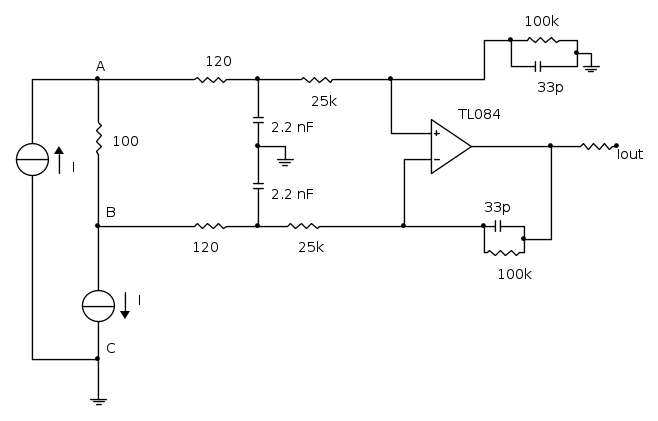
Il circuito è questo:
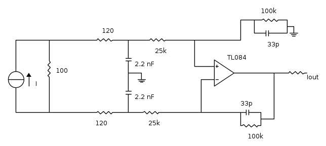
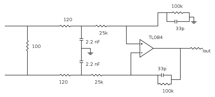
Se lo trasformi così:
Il circuito è sempre quello di prima, perché nel nodo A entra sempre una corrente I, nel nodo B esce sempre una corrente I e nel nodo C iniettiamo e togliamo la stessa corrente I, per cui non cambia nulla nemmeno per lui.
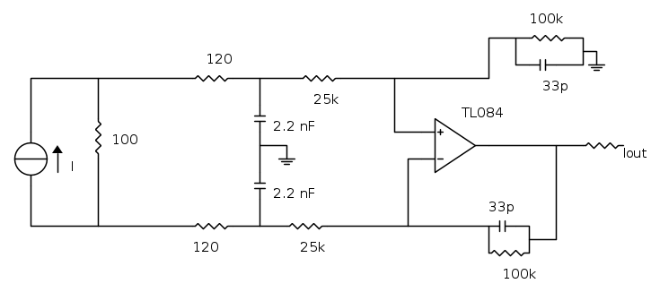
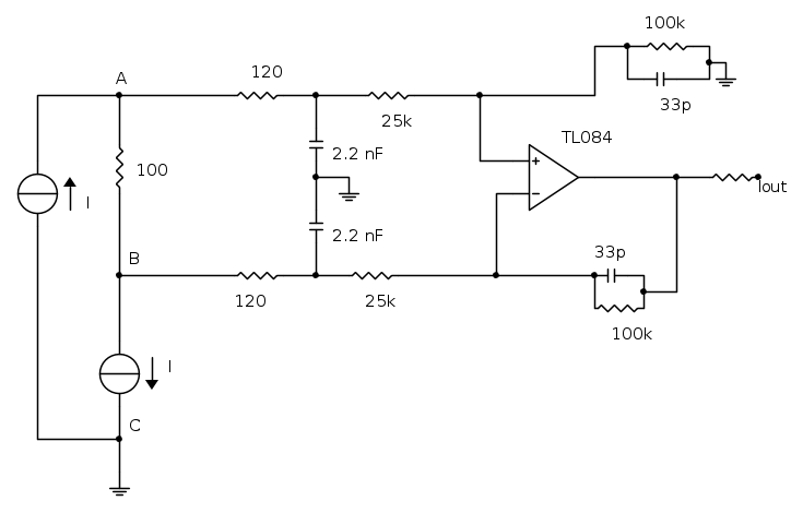
Ma il nodo C è il nodo di riferimento, per cui disegno il circuito così:
e applico la sovrapposizione degli effetti accendendo un generatore di corrente per volta.

Se lo trasformi così:
Il circuito è sempre quello di prima, perché nel nodo A entra sempre una corrente I, nel nodo B esce sempre una corrente I e nel nodo C iniettiamo e togliamo la stessa corrente I, per cui non cambia nulla nemmeno per lui.
Ma il nodo C è il nodo di riferimento, per cui disegno il circuito così:
e applico la sovrapposizione degli effetti accendendo un generatore di corrente per volta.
-

PietroBaima
90,7k 7 12 13 - G.Master EY

- Messaggi: 12206
- Iscritto il: 12 ago 2012, 1:20
- Località: Londra
16 messaggi
• Pagina 1 di 2 • 1, 2
Chi c’è in linea
Visitano il forum: Nessuno e 43 ospiti

Elettrotecnica e non solo (admin)
Un gatto tra gli elettroni (IsidoroKZ)
Esperienza e simulazioni (g.schgor)
Moleskine di un idraulico (RenzoDF)
Il Blog di ElectroYou (webmaster)
Idee microcontrollate (TardoFreak)
PICcoli grandi PICMicro (Paolino)
Il blog elettrico di carloc (carloc)
DirtEYblooog (dirtydeeds)
Di tutto... un po' (jordan20)
AK47 (lillo)
Esperienze elettroniche (marco438)
Telecomunicazioni musicali (clavicordo)
Automazione ed Elettronica (gustavo)
Direttive per la sicurezza (ErnestoCappelletti)
EYnfo dall'Alaska (mir)
Apriamo il quadro! (attilio)
H7-25 (asdf)
Passione Elettrica (massimob)
Elettroni a spasso (guidob)
Bloguerra (guerra)


pigreco]=π

