Sto cercando un modo per alimentare un carico da max 0,5A ad una tensione fissa di 24 V, avendo in ingresso una tensione continua variabile tra 30 e 60V. Qualcuno conosce soluzioni commerciali o auto costruite ? Non e' possibile far uso di ventole.
Grazie
Riduttore di tensione continua da 30-60V a 24 V
Moderatori:
carloc,
g.schgor,
BrunoValente,
IsidoroKZ
33 messaggi
• Pagina 1 di 4 • 1, 2, 3, 4
1
voti
Il limite dei 60V è piuttosto ostico, non c'è molta roba che arriva a quel livello.
Ma dove li trovi 60V ?
Se ti accontenti di un po' di meno, questa più essere una soluzione:
http://www.aliexpress.com/item/DC-DC-Step-Down-Converter-Module-LM2596-DC-4-0-40-to-1-3-37V-Adjustable/32563306670.html.
Bye
Ser.Tom
Ma dove li trovi 60V ?
Se ti accontenti di un po' di meno, questa più essere una soluzione:
http://www.aliexpress.com/item/DC-DC-Step-Down-Converter-Module-LM2596-DC-4-0-40-to-1-3-37V-Adjustable/32563306670.html.
Bye
Ser.Tom1
voti
Se vuoi costruirlo prova a vedere questo http://www.linear.com/solutions/5856
Altrimenti questo sembra rispondere alle tue esigenze http://www.ebay.it/itm/DC-DC-LM2596-HV- ... sK8pMxdpDw
Ha anche la limitazione di corrente.
Altrimenti questo sembra rispondere alle tue esigenze http://www.ebay.it/itm/DC-DC-LM2596-HV- ... sK8pMxdpDw
Ha anche la limitazione di corrente.
-

FedericoSibona
5.022 3 5 8 - Master

- Messaggi: 3951
- Iscritto il: 19 mar 2013, 11:43
0
voti
Grazie a tutti e due,
la soluzione di Sibona non richiede neanche la ventilazione, mi sembra la piu' adatta al mio caso.
I 60V talvolta sono usati sui carrelli elevatori alimentati a batteria.
la soluzione di Sibona non richiede neanche la ventilazione, mi sembra la piu' adatta al mio caso.
I 60V talvolta sono usati sui carrelli elevatori alimentati a batteria.
1
voti
Quello che ti servirebbe è uno step-down, ce ne sono molti sul mercato ma bisogna trovare quello giusto per il tuo range di tensioni
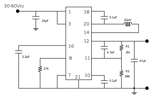
Io ho trovato l'LT6831 della Linear, per il datasheet:
http://cds.linear.com/docs/en/datasheet/8631f.pdf
Ho anche buttato giù uno schemino, basandomi sull'applicazione tipica riportata nel ds
Occhio ai valori delle resistenze del partitore R1-R2; nel ds (pagina 13) c'è la formuletta per calcolarne i valori; quelli che ho messo li ho ricavati per una tensione di 24 V ma le tolleranze devono essere all 1%; controlla anche tu che i conti tornino; in caso si potrebbe pensare di interporre un trimmer da 100K per una regolazione fine
La corrente massima in uscita è 1A
Io ho trovato l'LT6831 della Linear, per il datasheet:
http://cds.linear.com/docs/en/datasheet/8631f.pdf
Ho anche buttato giù uno schemino, basandomi sull'applicazione tipica riportata nel ds
Occhio ai valori delle resistenze del partitore R1-R2; nel ds (pagina 13) c'è la formuletta per calcolarne i valori; quelli che ho messo li ho ricavati per una tensione di 24 V ma le tolleranze devono essere all 1%; controlla anche tu che i conti tornino; in caso si potrebbe pensare di interporre un trimmer da 100K per una regolazione fine
La corrente massima in uscita è 1A
2
voti
Si trovano anche dei già fatti, come questo, che non costa neanche una follia:
http://www.tme.eu/it/details/am30kw-482 ... dc/aimtec/
Ci penserei perché fare qualcosa a oltre 50V richiede un po' di mano.
In ogni caso, metti un robusto front-end sull'alimentazione per evitare spikes.
http://www.tme.eu/it/details/am30kw-482 ... dc/aimtec/
Ci penserei perché fare qualcosa a oltre 50V richiede un po' di mano.
In ogni caso, metti un robusto front-end sull'alimentazione per evitare spikes.
-

Brianz
5.828 5 10 - CRU - Account cancellato su Richiesta utente
- Messaggi: 858
- Iscritto il: 24 mar 2016, 11:27
1
voti
alev ha scritto: Io ho trovato l'LT6831 della Linear
Ehm.. qualcuno l'LT8631 lo aveva già trovato (link nel messaggio #3)
-

FedericoSibona
5.022 3 5 8 - Master

- Messaggi: 3951
- Iscritto il: 19 mar 2013, 11:43
33 messaggi
• Pagina 1 di 4 • 1, 2, 3, 4
Chi c’è in linea
Visitano il forum: Google [Bot] e 98 ospiti

Elettrotecnica e non solo (admin)
Un gatto tra gli elettroni (IsidoroKZ)
Esperienza e simulazioni (g.schgor)
Moleskine di un idraulico (RenzoDF)
Il Blog di ElectroYou (webmaster)
Idee microcontrollate (TardoFreak)
PICcoli grandi PICMicro (Paolino)
Il blog elettrico di carloc (carloc)
DirtEYblooog (dirtydeeds)
Di tutto... un po' (jordan20)
AK47 (lillo)
Esperienze elettroniche (marco438)
Telecomunicazioni musicali (clavicordo)
Automazione ed Elettronica (gustavo)
Direttive per la sicurezza (ErnestoCappelletti)
EYnfo dall'Alaska (mir)
Apriamo il quadro! (attilio)
H7-25 (asdf)
Passione Elettrica (massimob)
Elettroni a spasso (guidob)
Bloguerra (guerra)




