premetto che non sono uno studente, magari lo fossi
mi sto incaponendo su questo oggetto che non funziona, e che cerco di capirne il funzionamento
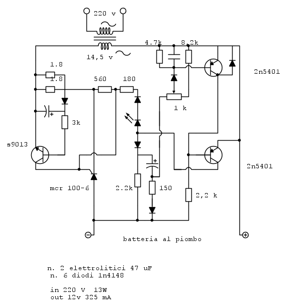
è un caricabatterie 12v 13w da 350mA
serve per caricare batterie al piombo da 3A circa
spero di aver scritto bene il disegno
le critiche sono ben accette
vorrei testare i vari punti del circuito per capire dove si trova il guasto e per capire come trovarlo
abbiamo un transistor npn (s9013)
due transistor pnp (2n5401)
un scr ( mcr 100-6)
quello che mi sembra strano è che un'uscita dal trasformatore alternata vada direttamente al positivo dell'uscita
ringrazio anticipatamente
fausto
aggiunto foto
Caricabatterie al Pb, che non funziona.
Moderatori:
carloc,
g.schgor,
BrunoValente,
IsidoroKZ
20 messaggi
• Pagina 1 di 2 • 1, 2
1
voti
flow chart:
il trasformatore funziona ?
si -> prosegui, no butta tutto
si (2) -> almeno 13 V in uscita ? -> possibilità di caricare ugualmente le batterie con lui e un diodo e poco altro, no butta tutto
il led si accende ?
si -> prosegui, no butta tutto
con quei segni sembra che la scheda abbia visto tempi migliori, è stata in Vietnam ?
la scelta migliore è comunque: butta tutto
il trasformatore funziona ?
si -> prosegui, no butta tutto
si (2) -> almeno 13 V in uscita ? -> possibilità di caricare ugualmente le batterie con lui e un diodo e poco altro, no butta tutto
il led si accende ?
si -> prosegui, no butta tutto
con quei segni sembra che la scheda abbia visto tempi migliori, è stata in Vietnam ?
la scelta migliore è comunque: butta tutto
E l’uomo si addormentò e nel sogno creò il mondo
0
voti
il trasformatore funziona ?
si -> prosegui, no butta tutto
sì io no buttare
si (2) -> almeno 13 V in uscita ? -> possibilità di caricare ugualmente le batterie con lui e un diodo e poco altro, no butta tutto
sì 14,5v io no buttare
il led si accende ?
si -> prosegui, no butta tutto
no io no buttare
con quei segni sembra che la scheda abbia visto tempi migliori, è stata in Vietnam ?
i segni li ho fatti io per evitare collegamenti casuali di saldatura, io no buttare
la scelta migliore è comunque: butta tutto
io no buttare tutto perché no imparo a controllare circuito
ora che ci siamo divertiti
come posso iniziare a controllare una parte del circuito usando la legge di ohm o altro.
si -> prosegui, no butta tutto
sì io no buttare
si (2) -> almeno 13 V in uscita ? -> possibilità di caricare ugualmente le batterie con lui e un diodo e poco altro, no butta tutto
sì 14,5v io no buttare
il led si accende ?
si -> prosegui, no butta tutto
no io no buttare
con quei segni sembra che la scheda abbia visto tempi migliori, è stata in Vietnam ?
i segni li ho fatti io per evitare collegamenti casuali di saldatura, io no buttare
la scelta migliore è comunque: butta tutto
io no buttare tutto perché no imparo a controllare circuito
ora che ci siamo divertiti
come posso iniziare a controllare una parte del circuito usando la legge di ohm o altro.
1
voti
le ho misurate sulla scheda
devi staccarle (un reoforo per ciascuna puoi lasciarlo saldato sulla scheda) ma con gli altri due dissaldati puoi misurarle singolarmente
Il diodo SCR è in corto? Quello sì devi staccarlo completamene dalla scheda.
Il trasformatore: quanti volt AC ti dà a vuoto?
-

ibra
1.282 3 4 6 - CRU - Account cancellato su Richiesta utente
- Messaggi: 2100
- Iscritto il: 15 lug 2015, 0:45
1
voti
prove interessanti
mi occore più tempo
domani provo a dissaldare un capo delle resistenze
ti posto il volt in uscita dal trafo
e provo il test del scr dissaldato
http://www.electroyou.it/mir/wiki/scr-t ... multimetro
per il momento ti ringrazio

mi occore più tempo
domani provo a dissaldare un capo delle resistenze
ti posto il volt in uscita dal trafo
e provo il test del scr dissaldato
http://www.electroyou.it/mir/wiki/scr-t ... multimetro
per il momento ti ringrazio

20 messaggi
• Pagina 1 di 2 • 1, 2
Chi c’è in linea
Visitano il forum: Nessuno e 147 ospiti

Elettrotecnica e non solo (admin)
Un gatto tra gli elettroni (IsidoroKZ)
Esperienza e simulazioni (g.schgor)
Moleskine di un idraulico (RenzoDF)
Il Blog di ElectroYou (webmaster)
Idee microcontrollate (TardoFreak)
PICcoli grandi PICMicro (Paolino)
Il blog elettrico di carloc (carloc)
DirtEYblooog (dirtydeeds)
Di tutto... un po' (jordan20)
AK47 (lillo)
Esperienze elettroniche (marco438)
Telecomunicazioni musicali (clavicordo)
Automazione ed Elettronica (gustavo)
Direttive per la sicurezza (ErnestoCappelletti)
EYnfo dall'Alaska (mir)
Apriamo il quadro! (attilio)
H7-25 (asdf)
Passione Elettrica (massimob)
Elettroni a spasso (guidob)
Bloguerra (guerra)



