Salve, stò studiando i Filtri (non per lavoro o per un progetto in particolare - quello verrà dopo) e vorrei provare a dimensionarli e verificare su Board+Osc se il tutto "quadra".
Ho un generatore di segnali (autocostruito - 10-100 kHz dipendente dal tipo di onda) che come uscita genera un segnale tra 0V e +5V.
Con i filtri passivi posso avere in uscita il segnale filtrato "senza preoccuparmi" se nel segnale di ingresso
c'è una componente continua oppure no.
La cosa si complica con i filtri attivi. A parte trovare l'OP con una banda passante adeguata (nel mio caso
non ho prb), devo considerare che non accettano componenti continue in ingresso.
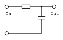
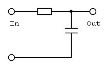
Partendo da un Filtro Passa Basso del 1° ordine con alimentazione duale e Guadagno = 1:
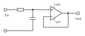
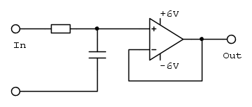
ho cercato di eliminare la parte continua con il seguente circuito in ingresso:
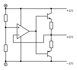
Come alimentatore duale ho usato uno Switch:
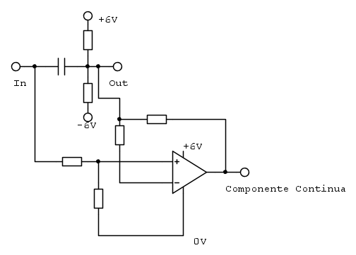
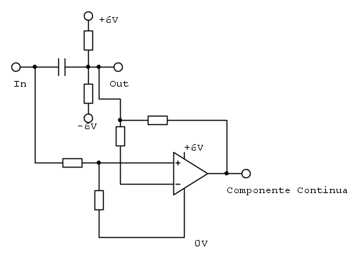
infine ho aggiunto la componente continua con un circuito sommatore:
poi proprio per giocare ho cercato di aggiungere la componente continua "levata" all'ingresso
aggiungendola in uscita (sommatore):
Per il momento ho "verificato" il tutto con LTSpice:
A parte che è un gioco e che, oltre a studiare, mi serve anche per usare l'oscilloscopio... La mia domanda è:
Con un filtro attivo (voglio poi provare il 2° ordine e in 4° ordine) la strada è questa ?
C'è uno schema più semplice ?
Grazie a chiunque mi dia delle dritte.
Filtro Passa Basso Attivo con componente Continua
Moderatori:
carloc,
g.schgor,
BrunoValente,
IsidoroKZ
42 messaggi
• Pagina 1 di 5 • 1, 2, 3, 4, 5
2
voti
Mi pare tutto abbastanza corretto, sei sulla strada giusta...
Mi pare che ti preoccupi troppo...
Un filtro passa basso, per dfinizione fa passare le frequenza basse, fra cui la pià bassa, quella a frequenza zero, ossia la continua...
Di solito non è un problema, dipende dalla infomazione che porta "la continua" , per esempio la temperatura da un sensore, oppure la posizione di un potenziometro...
Mentre in un amplificatore audio, la continua non porta informazioni, si usano filtri passa banda,
ossia filtri passa basso preceduti da un passa alto costituito da un condensatore in serie chiuso su una resistenza in parallelo.
buone prove..
p.s. : Guarda qui;
https://www.electroyou.it/marcod/wiki/g ... e-a-900-hz
potresti prenderlo come spunto per realizzare lo stesso filtraggio con un filtro attivo.
La cosa si complica con i filtri attivi. A parte trovare l'OP con una banda passante adeguata (nel mio caso non ho prb), devo considerare che non accettano componenti continue in ingresso.
Partendo da un Filtro Passa Basso del 1° ordine con alimentazione duale e Guadagno = 1:
Mi pare che ti preoccupi troppo...
Un filtro passa basso, per dfinizione fa passare le frequenza basse, fra cui la pià bassa, quella a frequenza zero, ossia la continua...
Di solito non è un problema, dipende dalla infomazione che porta "la continua" , per esempio la temperatura da un sensore, oppure la posizione di un potenziometro...
Mentre in un amplificatore audio, la continua non porta informazioni, si usano filtri passa banda,
ossia filtri passa basso preceduti da un passa alto costituito da un condensatore in serie chiuso su una resistenza in parallelo.
Switch , interruttore non mi pare il termine corretto, ma non mi viene in mente altro, ..partitore attivo ?Come alimentatore duale ho usato uno Switch:
buone prove..
p.s. : Guarda qui;
https://www.electroyou.it/marcod/wiki/g ... e-a-900-hz
potresti prenderlo come spunto per realizzare lo stesso filtraggio con un filtro attivo.
0
voti
MarcoD ha scritto:Mi pare che ti preoccupi troppo...
Un filtro passa basso, per dfinizione fa passare le frequenza basse, fra cui la pià bassa, quella a frequenza zero, ossia la continua...
Ovviamente hai ragione ... Mi sono fatto sviare da un articolo che ho letto e da prove mal fatte (alimentazione singola - uscita tagliata).
Sempre a scopo ludico, potrebbe "servire" rimettere la componente continua sul filtro Passa Alto che (appunto con il condensatore) in uscita ricentra il segnale.
La componente continua "mi serve" per spostare il segnale verso un range di tensioni solo positive. Giocando con microprocessori, tensioni duali sono poco gestibili (da me).
Scusate: Splitter...
P.S.: ho cominciato a leggere l'articolo linkato in basso, interessante, ma per le mie conoscenze un po ostico, richiede tempo.
Grazie 1000
1
voti
Il primo circuito ha funzionato, come previsto. Calcolata la Fc ho ottenuto attenuazione circa 3dB in corrispondenza della Fc.
Molto rumore, ma montato su breadboard...
Ora stò provando con un Filtro Attivo di 2° Ordine. Inizialmente lavoro solo sul simulatore.
Ho notato che se utilizzo un semplice circuito dal 1° al 4° ordine, ottengo un'attenuazione molto più marcata al crescede dell'ordine, ma la frequenza di taglio si "sposta" indietro portandomi l'attenuazione a 3dB x Grado del Filtro in corrispondenza della Fc calcolata.
Inoltre ho notato che a un certo punto l'attenuazione "rimbalza" e si riduce.
Domande:
1) E' corretta la simulazione del 1° 4° ordine ?
2) Ho inoltre notato che se utilizzo come uscita la "B" invece della "A" attenuo il rimbalzo. E corretto ?
3) Consigli su cosa leggere ? (siti possibilmente semplice e con esempi ...)
Foto 2:
Bode nei vari punti del filtro 1° -> 4° Ordine (C & R uguali tra loro)
Foto 1:
Ho cercato e utilizzato il "metodo della Gobba" [Coefficiente di merito ?] (come da articolo consigliato) e ho realizzato la simulazione con il circuito seguente (2° Ordine):
Fc = 3559 Hz
Q = 2,13
Molto rumore, ma montato su breadboard...
Ora stò provando con un Filtro Attivo di 2° Ordine. Inizialmente lavoro solo sul simulatore.
Ho notato che se utilizzo un semplice circuito dal 1° al 4° ordine, ottengo un'attenuazione molto più marcata al crescede dell'ordine, ma la frequenza di taglio si "sposta" indietro portandomi l'attenuazione a 3dB x Grado del Filtro in corrispondenza della Fc calcolata.
Inoltre ho notato che a un certo punto l'attenuazione "rimbalza" e si riduce.
Domande:
1) E' corretta la simulazione del 1° 4° ordine ?
2) Ho inoltre notato che se utilizzo come uscita la "B" invece della "A" attenuo il rimbalzo. E corretto ?
3) Consigli su cosa leggere ? (siti possibilmente semplice e con esempi ...)
Foto 2:
Bode nei vari punti del filtro 1° -> 4° Ordine (C & R uguali tra loro)
Foto 1:
Ho cercato e utilizzato il "metodo della Gobba" [Coefficiente di merito ?] (come da articolo consigliato) e ho realizzato la simulazione con il circuito seguente (2° Ordine):
Fc = 3559 Hz
Q = 2,13
0
voti
0
voti
Queste presentazioni dei risultati mi indispongono, perché sono poco comprensibili.
Non ho voglia di cercare di capire a cosa corrispondono le curve
V(n001),V(n002),V(n001),V(n011), ecc.
con uno schema su cui compaiono V1, V0, e "A" e "B" ( poi "B" coincide con V0)
Poi perché due diagrammi se lo schema è uno solo?
Devono venire spiegate

Non ho voglia di cercare di capire a cosa corrispondono le curve
V(n001),V(n002),V(n001),V(n011), ecc.
con uno schema su cui compaiono V1, V0, e "A" e "B" ( poi "B" coincide con V0)
Poi perché due diagrammi se lo schema è uno solo?
Devono venire spiegate

0
voti
Scusate, per l'ennesima volta ... Temo sempre di fare degli sbrodoli lunghissimi che poi nessuno vuole leggere... Cercherò di spiegarmi meglio.
Lo schema che ho corretto è quello della prima foto (Chebychev - Picco di risonanza):
V(n001): uscita di R1. (1° ordine)
V(n005): "A", Op + (2° ordine)
V(n002): "B", V0 (Uscita Op)
Il grafico n°2 è formato da due degli schemi postati messi in cascata per fare un 4° ordine.
V(n001): uscita 1° ordine
V(n011): uscita 2° ordine
V(n003): uscita 3° ordine
V(n004): uscita 4° ordine
Per il momento, visto che stò ancora cercando di capire, non ho fatto molti calcoli. Mi sono limitato a calcolare:
1. Guadagno:
Senza le due resistenze sull'OP ho un Guadagno = 1
2. Wo:

3. Frequenza di Taglio:

4. Fattore di merito:

Domande:
1) E' corretta la simulazione del 1° 4° ordine ? quindi in Fc ho un'attenuazione di 3 db * Ordine Filtro ?
1a) Se così è, devo ricalcolare una Fc' per ottenere in Fc 3 db ?
2) Ho inoltre notato che se utilizzo come uscita la "B" invece della "A" attenuo il rimbalzo. E corretto ? Posso usare "A" ?
3) Consigli su cosa leggere ? (siti possibilmente semplice e con esempi ...)
Spero di essere stato più chiaro. Grazie
Lo schema che ho corretto è quello della prima foto (Chebychev - Picco di risonanza):
V(n001): uscita di R1. (1° ordine)
V(n005): "A", Op + (2° ordine)
V(n002): "B", V0 (Uscita Op)
Il grafico n°2 è formato da due degli schemi postati messi in cascata per fare un 4° ordine.
V(n001): uscita 1° ordine
V(n011): uscita 2° ordine
V(n003): uscita 3° ordine
V(n004): uscita 4° ordine
Per il momento, visto che stò ancora cercando di capire, non ho fatto molti calcoli. Mi sono limitato a calcolare:
1. Guadagno:
Senza le due resistenze sull'OP ho un Guadagno = 1
2. Wo:

3. Frequenza di Taglio:

4. Fattore di merito:

Domande:
1) E' corretta la simulazione del 1° 4° ordine ? quindi in Fc ho un'attenuazione di 3 db * Ordine Filtro ?
1a) Se così è, devo ricalcolare una Fc' per ottenere in Fc 3 db ?
2) Ho inoltre notato che se utilizzo come uscita la "B" invece della "A" attenuo il rimbalzo. E corretto ? Posso usare "A" ?
3) Consigli su cosa leggere ? (siti possibilmente semplice e con esempi ...)
Spero di essere stato più chiaro. Grazie
0
voti
Sempre per facilitare il lettore, dovresti scrivere:
ho verificato con il simulatore che il picco in uscita si verifica per 3xxx Hz, e l'ampiezza vale yy dB, sono/non sono in accordo con i valori di progetto.
Nel modello di simulazione, l'amplificatore è ideale / non ideale con guadagno di xxx dB.
allego un grafico...
Non esiste una risposta del (1° ordine) e una del (2° ordine),
sono tutte di un circuito del secondo ordine.
(Uscita Op) è l'uscita passa basso, mentre uscita di R1. è una variabile interna inutilizzabile,o forse
(non sono certo) corrisponde all'uscita passa alto o passa banda del medesimo filtro.
L'argomento della progettazione dei filtri è abbastanza complesso e noioso come calcoli, e da verificare con l'implementazinoe di componenti reali non ideali, ho sempre cercato di stare alla larga dai filtri di ordine superiore al secondo.
Mi piacevano i filtri a variabile di stato, utilizzano tre operazionali al posto di uno, ma i parametri sono di regolazione indipendente.
Ho un vecchissimo libro che mi avevano regalato usato:
La progettazione dei filtri attivi di Howard M. Berlin
serie Bugbooks per hobbisti ed. Jackson italiana editrica del 1979.
ma i filtri attivi sono vecchi come le valvole e i transistor..

ho verificato con il simulatore che il picco in uscita si verifica per 3xxx Hz, e l'ampiezza vale yy dB, sono/non sono in accordo con i valori di progetto.
Nel modello di simulazione, l'amplificatore è ideale / non ideale con guadagno di xxx dB.
allego un grafico...
Lo schema che ho corretto è quello della prima foto (Chebychev - Picco di risonanza):
V(n001): uscita di R1. (1° ordine)
V(n005): "A", Op + (2° ordine)
V(n002): "B", V0 (Uscita Op)
Non esiste una risposta del (1° ordine) e una del (2° ordine),
sono tutte di un circuito del secondo ordine.
(Uscita Op) è l'uscita passa basso, mentre uscita di R1. è una variabile interna inutilizzabile,o forse
(non sono certo) corrisponde all'uscita passa alto o passa banda del medesimo filtro.
L'argomento della progettazione dei filtri è abbastanza complesso e noioso come calcoli, e da verificare con l'implementazinoe di componenti reali non ideali, ho sempre cercato di stare alla larga dai filtri di ordine superiore al secondo.
Ho un vecchissimo libro che mi avevano regalato usato:
La progettazione dei filtri attivi di Howard M. Berlin
serie Bugbooks per hobbisti ed. Jackson italiana editrica del 1979.
ma i filtri attivi sono vecchi come le valvole e i transistor..

0
voti
Ci riprovo ....
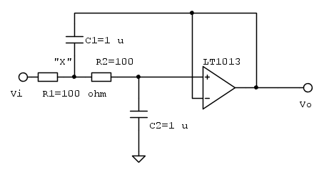
Ho calcolato la frequenza di taglio (Ft = 1592 Hz) con lo schema e i valori qui sotto.
R1=R2=100 ohm; C1=C2=1 u F; OP reale LT1013. Ho utilizzato le formule postate in precedenza per i calcoli.
L'ampiezza vale -6 dB in corrispondenza della Ft (Vo).
Se considero il punto intermedio "X" ho -3 dB che avevo capito essere l'ampiezza in uscita in corrispondenza della Ft. Anche in questo caso IO avevo capito che era il nodo dal quale potevo prelevare il segnale come se avessi applicato un Filtro di 1° grado.
(Domanda 1:) Visto che non corrisponde a quello che IO avevo capito, mi domandavo se la pendenza di 20 dB/decade * Ordine Filtro vale anche per l'ampiezza in corrispondenza della Ft.
Allego grafico:
V(n001): ampiezza in "X"
V(n006): ampiezza in OpAmp+
V(n002): ampiezza in Vo
Vo:
Con frequenza 1600 Hz: Ampiezza -6dB
Con frequenza 17 kHz: Ampiezza nel punto più basso -37 dB
Con frequenza 100 kHz: Ampiezza -23 dB
(Domanda 2:) E' corretto questo andamento dell'Ampiezza o sbaglio qualche cosa nella simulazione ?
OpAmp+:
Con frequenza 1600 Hz: Ampiezza -3dB
Con frequenza 50 kHz: Ampiezza nel punto più basso -83 dB
Con frequenza 300 kHz: Ampiezza nel punto più alto del rimbalzo -13 dB
(Domanda 3:) E' corretto questo andamento dell'Ampiezza o sbaglio qualche cosa nella simulazione ?
(Domanda 4:) Sarebbe corretto utilizzare questo punto come Vo del Filtro ?
Domando queste cose, perché nei siti dove ho cercato informazioni, il grafico è sempre "tagliato" e non si vede questo "rimbalzo".
Simulazione con Segnale sinusoidale in Ingresso: Frequenza 100 kHz - 4 V di Ampiezza pk-pk
V(n001): segnale in "X"
V(n006): segnale in OpAmp+
V(n002): segnale in Vo
Se il tutto è corretto, il segnale in OpAmp è notevolemente più attenuato. (Domanda 4).
Allegato anche con 27 kHz.
Grazie
Ho calcolato la frequenza di taglio (Ft = 1592 Hz) con lo schema e i valori qui sotto.
R1=R2=100 ohm; C1=C2=1 u F; OP reale LT1013. Ho utilizzato le formule postate in precedenza per i calcoli.
L'ampiezza vale -6 dB in corrispondenza della Ft (Vo).
Se considero il punto intermedio "X" ho -3 dB che avevo capito essere l'ampiezza in uscita in corrispondenza della Ft. Anche in questo caso IO avevo capito che era il nodo dal quale potevo prelevare il segnale come se avessi applicato un Filtro di 1° grado.
(Domanda 1:) Visto che non corrisponde a quello che IO avevo capito, mi domandavo se la pendenza di 20 dB/decade * Ordine Filtro vale anche per l'ampiezza in corrispondenza della Ft.
Allego grafico:
V(n001): ampiezza in "X"
V(n006): ampiezza in OpAmp+
V(n002): ampiezza in Vo
Vo:
Con frequenza 1600 Hz: Ampiezza -6dB
Con frequenza 17 kHz: Ampiezza nel punto più basso -37 dB
Con frequenza 100 kHz: Ampiezza -23 dB
(Domanda 2:) E' corretto questo andamento dell'Ampiezza o sbaglio qualche cosa nella simulazione ?
OpAmp+:
Con frequenza 1600 Hz: Ampiezza -3dB
Con frequenza 50 kHz: Ampiezza nel punto più basso -83 dB
Con frequenza 300 kHz: Ampiezza nel punto più alto del rimbalzo -13 dB
(Domanda 3:) E' corretto questo andamento dell'Ampiezza o sbaglio qualche cosa nella simulazione ?
(Domanda 4:) Sarebbe corretto utilizzare questo punto come Vo del Filtro ?
Domando queste cose, perché nei siti dove ho cercato informazioni, il grafico è sempre "tagliato" e non si vede questo "rimbalzo".
Simulazione con Segnale sinusoidale in Ingresso: Frequenza 100 kHz - 4 V di Ampiezza pk-pk
V(n001): segnale in "X"
V(n006): segnale in OpAmp+
V(n002): segnale in Vo
Se il tutto è corretto, il segnale in OpAmp è notevolemente più attenuato. (Domanda 4).
Allegato anche con 27 kHz.
Grazie
0
voti
(Domanda 1:) Visto che non corrisponde a quello che IO avevo capito, mi domandavo se la pendenza di 20 dB/decade * Ordine Filtro vale anche per l'ampiezza in corrispondenza della Ft. No, vale solo a partire da frequenze 10 volte maggiori della Fdi taglio.
Vo:
Con frequenza 1600 Hz: Ampiezza -6dB
Con frequenza 17 kHz: Ampiezza nel punto più basso -37 dB
Con frequenza 100 kHz: Ampiezza -23 dB
(Domanda 2:) E' corretto questo andamento dell'Ampiezza o sbaglio qualche cosa nella simulazione ?
E chi può dirlo !!
Forse è dovuto ai limiti di calcolo del simulatore, forse il simulatore simula un operazionale reale che ha dei poli all'interno che creano ulteriori sfasamenti. Ecco perché non bisogna mai fidarsi molto dei simulatori !
OpAmp+:
Con frequenza 1600 Hz: Ampiezza -3dB
Con frequenza 50 kHz: Ampiezza nel punto più basso -83 dB
Con frequenza 300 kHz: Ampiezza nel punto più alto del rimbalzo -13 dB
(Domanda 3:) E' corretto questo andamento dell'Ampiezza o sbaglio qualche cosa nella simulazione ?
(Domanda 4:) Sarebbe corretto utilizzare questo punto come Vo del Filtro ?
Non ho capito quale sia il punto ?
Ti poni troppe domande, hai dimensionato un circuito con le formule "misteriose" che hai trovato,
come uscita asopera quella indicata, giusto porsi domande, ma non troppe
Domando queste cose, perché nei siti dove ho cercato informazioni, il grafico è sempre "tagliato" e non si vede questo "rimbalzo".
Dovresti montare il circuito su una basetta e provarlo...non solo sinularlo..chissa quanti altri comportamenti strani scopri!
Nel primo grafico, con ingresso sinusoidale in funzione del tempo, osservo un comportamento non lineare che non mi spiego....??
p.s.: ti rispondo volentieri (se non non lo farei) , ma faccio fatica a vincere la mia naturale pigrizia per cercare di capire le problematiche che incontri e risponderti qualcosa di sensato.

Vo:
Con frequenza 1600 Hz: Ampiezza -6dB
Con frequenza 17 kHz: Ampiezza nel punto più basso -37 dB
Con frequenza 100 kHz: Ampiezza -23 dB
(Domanda 2:) E' corretto questo andamento dell'Ampiezza o sbaglio qualche cosa nella simulazione ?
E chi può dirlo !!
Forse è dovuto ai limiti di calcolo del simulatore, forse il simulatore simula un operazionale reale che ha dei poli all'interno che creano ulteriori sfasamenti. Ecco perché non bisogna mai fidarsi molto dei simulatori !
OpAmp+:
Con frequenza 1600 Hz: Ampiezza -3dB
Con frequenza 50 kHz: Ampiezza nel punto più basso -83 dB
Con frequenza 300 kHz: Ampiezza nel punto più alto del rimbalzo -13 dB
(Domanda 3:) E' corretto questo andamento dell'Ampiezza o sbaglio qualche cosa nella simulazione ?
(Domanda 4:) Sarebbe corretto utilizzare questo punto come Vo del Filtro ?
Non ho capito quale sia il punto ?
Ti poni troppe domande, hai dimensionato un circuito con le formule "misteriose" che hai trovato,
come uscita asopera quella indicata, giusto porsi domande, ma non troppe
Domando queste cose, perché nei siti dove ho cercato informazioni, il grafico è sempre "tagliato" e non si vede questo "rimbalzo".
Dovresti montare il circuito su una basetta e provarlo...non solo sinularlo..chissa quanti altri comportamenti strani scopri!
Nel primo grafico, con ingresso sinusoidale in funzione del tempo, osservo un comportamento non lineare che non mi spiego....??
p.s.: ti rispondo volentieri (se non non lo farei) , ma faccio fatica a vincere la mia naturale pigrizia per cercare di capire le problematiche che incontri e risponderti qualcosa di sensato.

42 messaggi
• Pagina 1 di 5 • 1, 2, 3, 4, 5
Chi c’è in linea
Visitano il forum: Nessuno e 47 ospiti

Elettrotecnica e non solo (admin)
Un gatto tra gli elettroni (IsidoroKZ)
Esperienza e simulazioni (g.schgor)
Moleskine di un idraulico (RenzoDF)
Il Blog di ElectroYou (webmaster)
Idee microcontrollate (TardoFreak)
PICcoli grandi PICMicro (Paolino)
Il blog elettrico di carloc (carloc)
DirtEYblooog (dirtydeeds)
Di tutto... un po' (jordan20)
AK47 (lillo)
Esperienze elettroniche (marco438)
Telecomunicazioni musicali (clavicordo)
Automazione ed Elettronica (gustavo)
Direttive per la sicurezza (ErnestoCappelletti)
EYnfo dall'Alaska (mir)
Apriamo il quadro! (attilio)
H7-25 (asdf)
Passione Elettrica (massimob)
Elettroni a spasso (guidob)
Bloguerra (guerra)











