Sfarfallio led
Moderatori:
carloc,
g.schgor,
BrunoValente,
IsidoroKZ
13 messaggi
• Pagina 1 di 2 • 1, 2
0
voti
[1] Sfarfallio led
Ciao,
ho una lampadina a led di segnalamento alimentata a 24 V (ac) da un relè. A relè diseccitato ai capi della lampadina ho 3 V e il led si accende debolmente. Ho letto che è dovuto alle mutue capacità dei cavi verso terra e dovrei inserire in parallelo al led una capacità. Sapreste dirmi perché e come faccio a dimensionare tale capacità?
Grazie
ho una lampadina a led di segnalamento alimentata a 24 V (ac) da un relè. A relè diseccitato ai capi della lampadina ho 3 V e il led si accende debolmente. Ho letto che è dovuto alle mutue capacità dei cavi verso terra e dovrei inserire in parallelo al led una capacità. Sapreste dirmi perché e come faccio a dimensionare tale capacità?
Grazie
-

loganwolverine
130 1 2 7 - Stabilizzato

- Messaggi: 328
- Iscritto il: 17 gen 2011, 12:14
6
voti
Sono le capacità parassite tra i conduttori a dare questi problemi, il cui valore dipende molto da come è fatto il cablaggio e da quanto è esteso, quindi difficilmente stimabile ma in genere dell’ordine di decine/centinaia di pF.
Per eliminare il difetto occorrerebbe sistemare il cablaggio, se non è possibile si può provare a mettere un condensatore in parallelo alla lampada di valore molto più alto di quello delle capacità parassite in modo che si crei un partitore con grossa attenuazione.
Ti consiglio di provare con un condensatore da qualche nF e se non basta di passare a qualche decina di nF, il valore non è critico ma meglio non esagerare, il contatto del relè non gradirebbe.
Per eliminare il difetto occorrerebbe sistemare il cablaggio, se non è possibile si può provare a mettere un condensatore in parallelo alla lampada di valore molto più alto di quello delle capacità parassite in modo che si crei un partitore con grossa attenuazione.
Ti consiglio di provare con un condensatore da qualche nF e se non basta di passare a qualche decina di nF, il valore non è critico ma meglio non esagerare, il contatto del relè non gradirebbe.
-

BrunoValente
39,6k 7 11 13 - G.Master EY

- Messaggi: 7796
- Iscritto il: 8 mag 2007, 14:48
0
voti
Risolo come suggerito inserendo un condensatore in parallelo ai led di segnalazione. L'unica cosa che non mi torna per fare un partitore capacitivo dovrei avere dei condensatori in serie, nel mio caso però le mutue capacità verso terra e verso gli altri conduttori sono in parallelo credo al condensatore che ho messo in parallelo al led sbaglio?
-

loganwolverine
130 1 2 7 - Stabilizzato

- Messaggi: 328
- Iscritto il: 17 gen 2011, 12:14
7
voti
Se aggiungendo un condensatore in parallelo al led hai risolto vuol dire che le capacità parassite sono in parallelo all'interruttore, non al led.
Mi spiego.
Se il tuo cablaggio fosse di questo tipo non avresti problemi.
Evidentemente invece è di quest'altro tipo, dove le capacità parassite sono in parallelo all'interruttore e lo bypassano facendo scorrere una piccola corrente nel led quando l'interruttore è spento.
Aggiungendo un condensatore in parallelo al led, quando l'interruttore è aperto, si forma un partitore con le capacità parassite e la tensione sul led si riduce.
Mi spiego.
Se il tuo cablaggio fosse di questo tipo non avresti problemi.
Evidentemente invece è di quest'altro tipo, dove le capacità parassite sono in parallelo all'interruttore e lo bypassano facendo scorrere una piccola corrente nel led quando l'interruttore è spento.
Aggiungendo un condensatore in parallelo al led, quando l'interruttore è aperto, si forma un partitore con le capacità parassite e la tensione sul led si riduce.
-

BrunoValente
39,6k 7 11 13 - G.Master EY

- Messaggi: 7796
- Iscritto il: 8 mag 2007, 14:48
1
voti
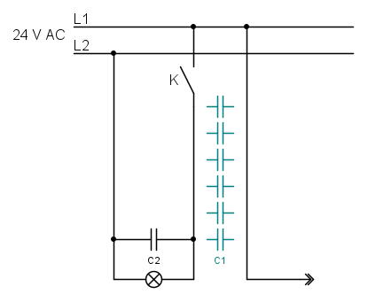
Chiaro, grazie per la spiegazione, l'unica cosa che non mi torna ora è che il mio caso è come il primo disegno ovvero ho un quadro in cui è presente l'alimentazione 24 V ac è presente il relè il cui contatto alimenta la spia led in campo (a diversi metri). Quindi il condensatore che ho aggiunto è in parallelo al led ed è in parallelo alle capacità parassite. Appena l'ho collegato a relè diseccitato il led (debolmente illuminato) si è spento. Con relè eccitato si accende.
-

loganwolverine
130 1 2 7 - Stabilizzato

- Messaggi: 328
- Iscritto il: 17 gen 2011, 12:14
2
voti
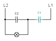
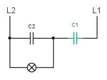
Potrebbe essere un accoppiamento capacitivo con altri conduttori che passano vicino o nelle stesse tubazioni/canaline, ad esempio una situazione di questo tipo:
che si tradurrebbe in:
che si tradurrebbe in:
0
voti
Probabilmente è così, ho visto che più la capacità è grande più il fenomeno sparisce del tutto (C2). Mi aspettavo il contrario essendo un partitore di tensione capacitivo.
Grazie a tutti per le risposte.
Grazie a tutti per le risposte.
-

loganwolverine
130 1 2 7 - Stabilizzato

- Messaggi: 328
- Iscritto il: 17 gen 2011, 12:14
2
voti
Forse non ho capito cosa intendi, ma in un partitore capacitivo si ha la tensione maggiore ai capi del condensatore di capacità minore, la tensione è inversamente proporzionale alla capacità:
quindi tutto torna.
Anche intuitivamente, più l'impedenza del ramo costituito da
è bassa, più la corrente scorrerà preferenzialmente da lì anziché nel ramo dell'indicatore luminoso, attenuando l'effetto, ed anche qui la reattanza capacitiva è inversamente proporzionale al valore di capacità: 
Puoi dirci che valore di capacità alla fine hai adottato per non vedere più il fenomeno?
quindi tutto torna.Anche intuitivamente, più l'impedenza del ramo costituito da
è bassa, più la corrente scorrerà preferenzialmente da lì anziché nel ramo dell'indicatore luminoso, attenuando l'effetto, ed anche qui la reattanza capacitiva è inversamente proporzionale al valore di capacità: 
Puoi dirci che valore di capacità alla fine hai adottato per non vedere più il fenomeno?
0
voti
[10] Re: Sfarfallio led
Ho provato a collegare diversi valori di C2 e il fenomeno si attenuava fino a sparire del tutto maggiore era C2. Sicuramente è come dici tu, maggior è C2 minore è l'impedenza quindi la corrente anziché passare nel led transita nella reattanza capacitiva.
-

loganwolverine
130 1 2 7 - Stabilizzato

- Messaggi: 328
- Iscritto il: 17 gen 2011, 12:14
13 messaggi
• Pagina 1 di 2 • 1, 2
Chi c’è in linea
Visitano il forum: Nessuno e 101 ospiti

Elettrotecnica e non solo (admin)
Un gatto tra gli elettroni (IsidoroKZ)
Esperienza e simulazioni (g.schgor)
Moleskine di un idraulico (RenzoDF)
Il Blog di ElectroYou (webmaster)
Idee microcontrollate (TardoFreak)
PICcoli grandi PICMicro (Paolino)
Il blog elettrico di carloc (carloc)
DirtEYblooog (dirtydeeds)
Di tutto... un po' (jordan20)
AK47 (lillo)
Esperienze elettroniche (marco438)
Telecomunicazioni musicali (clavicordo)
Automazione ed Elettronica (gustavo)
Direttive per la sicurezza (ErnestoCappelletti)
EYnfo dall'Alaska (mir)
Apriamo il quadro! (attilio)
H7-25 (asdf)
Passione Elettrica (massimob)
Elettroni a spasso (guidob)
Bloguerra (guerra)





