Cos'è ElectroYou | Login Iscriviti

ElectroYou - la comunità dei professionisti del mondo elettrico

Dove trovare un NEC µPD72064? (GEM S2 Turbokit)

Elettronica lineare e digitale: didattica ed applicazioni

Moderatori: Foto Utentecarloc, Foto Utenteg.schgor, Foto UtenteBrunoValente, Foto UtenteIsidoroKZ

1
voti

[1] Dove trovare un NEC µPD72064? (GEM S2 Turbokit)

Messaggioda Foto UtenteDarwinNE » 3 set 2025, 23:21

Ciao a tutti,
al rientro dalle ferie mi sono messo in testa di costruire un'espansione per un vecchio sintetizzatore, un GEM S2 che possiedo dal 1996. Infatti ho tirato di nuovo fuori la tastiera dopo diversi anni ed ho constatato che seppure vecchia, contiene alcune caratteristiche molto molto interessanti. All'epoca non mi ero conto per esempio che trovare l'aftertouch polifonico fosse piuttosto raro.

La tastiera funziona perfettamente, ma verso il 1994 la Generalmusic ha fatto uscire un circuito che era chiamato Turbokit e che conteneva delle nuove EPROM, della RAM aggiuntiva che permettevano di fare delle cosette simpatiche. Avrei voluto fare espandere la mia tastiera all'epoca, ma la cosa non era facile per me ed era anche piuttosto costoso.

Ho trovato di recente lo schema dell'espansione ed il contenuto delle EPROM. Tuttavia bisogna cambiare anche il controller del dischetto, originariamente un WD37C65C con un NEC µPD7206 in package PLCC a 44 pin. Ovviamente tutto è obsoleto. Il problema è che non riesco a trovare questo NEC µPD72064, probabilmente previsto per macchine PC/AT. Ho visto qualcosina su ebay, ma è un annuncio un po' strano ed acquistarne uno mi costerebbe un po' troppo per ritrovarmi fra le mani un chip contraffatto.

Il dischetto serve perché è l'unico modo per caricare suoni sulla tastiera. Prevedo di installare un emulatore Gotek, ma il controller continuerà a servire.

Avete piste su dove trovare un integrato obsoleto e così di nicchia?

Potrei provare a lasciare il WD37C65C, ma se il nuovo firmware si aspetta qualcosa di più avanzato e si blocca all'accensione tutto il lavoro di rifare le schede per il Turbokit non servirebbero a niente.

Tra l'altro, cerco anche delle EPROM 74C4001, sono molto più comuni, ma se a qualcuno rimangono in un cassetto me ne servirebbero 4 :-)
Follow me on Mastodon: @davbucci@mastodon.sdf.org
Avatar utente
Foto UtenteDarwinNE
31,0k 7 11 13
G.Master EY
G.Master EY
 
Messaggi: 4420
Iscritto il: 18 apr 2010, 9:32
Località: Grenoble - France

2
voti

[2] Re: Dove trovare un NEC µPD72064?

Messaggioda Foto Utentetheking0 » 3 set 2025, 23:42

Ciao, per componenti obsoleti e di difficile reperimento in genere mi affido a utsource, molti si trovano solo di seconda mano, ma sono comunque testati e garantiti.
Avatar utente
Foto Utentetheking0
1.442 1 6 11
Master
Master
 
Messaggi: 605
Iscritto il: 11 feb 2012, 22:37

1
voti

[3] Re: Dove trovare un NEC µPD72064?

Messaggioda Foto UtenteDarwinNE » 4 set 2025, 0:06

Grazie del consiglio, Foto Utentetheking0 :ok:

Aggiungo una fotina della tastiera:

3f705c04ac87cd21.png


Dopo trent'anni è un po' sbatacchiata, ma prometto che la rimetterò in sesto per bene.
Follow me on Mastodon: @davbucci@mastodon.sdf.org
Avatar utente
Foto UtenteDarwinNE
31,0k 7 11 13
G.Master EY
G.Master EY
 
Messaggi: 4420
Iscritto il: 18 apr 2010, 9:32
Località: Grenoble - France

1
voti

[4] Re: Dove trovare un NEC µPD72064?

Messaggioda Foto Utentetheking0 » 4 set 2025, 0:11

Bel strumento, sono sicuro che ti divertirai a rimetterla in sesto. :ok:
Avatar utente
Foto Utentetheking0
1.442 1 6 11
Master
Master
 
Messaggi: 605
Iscritto il: 11 feb 2012, 22:37

0
voti

[5] Re: Dove trovare un NEC µPD72064?

Messaggioda Foto UtenteDarwinNE » 4 set 2025, 0:38

Grazie!
Ho fatto uno sbroglio del circuito qualche giorno fa.

turbokit_pcb_2p.jpg


Rifletto ancora qualche giorno, poi provo a comprare i componenti e se trovo tutto lancerò la fabbricazione dello stampato. Ho lasciato la tastiera in Italia, ma la recupero alla prima occasione. Devo vedere come risolvere il problema meccanico di tenere il circuito in posizione, probabilmente con un supporto stampato in 3D.
Follow me on Mastodon: @davbucci@mastodon.sdf.org
Avatar utente
Foto UtenteDarwinNE
31,0k 7 11 13
G.Master EY
G.Master EY
 
Messaggi: 4420
Iscritto il: 18 apr 2010, 9:32
Località: Grenoble - France

1
voti

[6] Re: Dove trovare un NEC µPD72064?

Messaggioda Foto UtenteGioArca67 » 4 set 2025, 8:06

Avatar utente
Foto UtenteGioArca67
4.565 4 6 9
Master EY
Master EY
 
Messaggi: 4588
Iscritto il: 12 mar 2021, 9:36

0
voti

[7] Re: Dove trovare un NEC µPD72064?

Messaggioda Foto Utentestefanopc » 4 set 2025, 8:50

Devo controllare nei vecchi apparati se c'è qualcosa che può interessare.
Di vecchi Micro con Eprom c'è una discreta abbondanza.
Ciao
600 Elettra
Avatar utente
Foto Utentestefanopc
13,3k 5 9 13
Master EY
Master EY
 
Messaggi: 5566
Iscritto il: 4 ago 2020, 9:11

0
voti

[8] Re: Dove trovare un NEC µPD72064?

Messaggioda Foto UtenteGioArca67 » 4 set 2025, 9:05

Sembra il controller dei vecchi floppy, forse appunto in qualche vecchio drive si trova, solo che non sarà una passeggiata capire se funziona bene.
Avatar utente
Foto UtenteGioArca67
4.565 4 6 9
Master EY
Master EY
 
Messaggi: 4588
Iscritto il: 12 mar 2021, 9:36

0
voti

[9] Re: Dove trovare un NEC µPD72064?

Messaggioda Foto UtenteDarwinNE » 4 set 2025, 11:35



Certo, è da lì che è nata l'idea. Purtroppo non siamo sugli stessi social network, gli ho mandato un paio di email ma probabilmente non sono arrivate o non sono state lette.

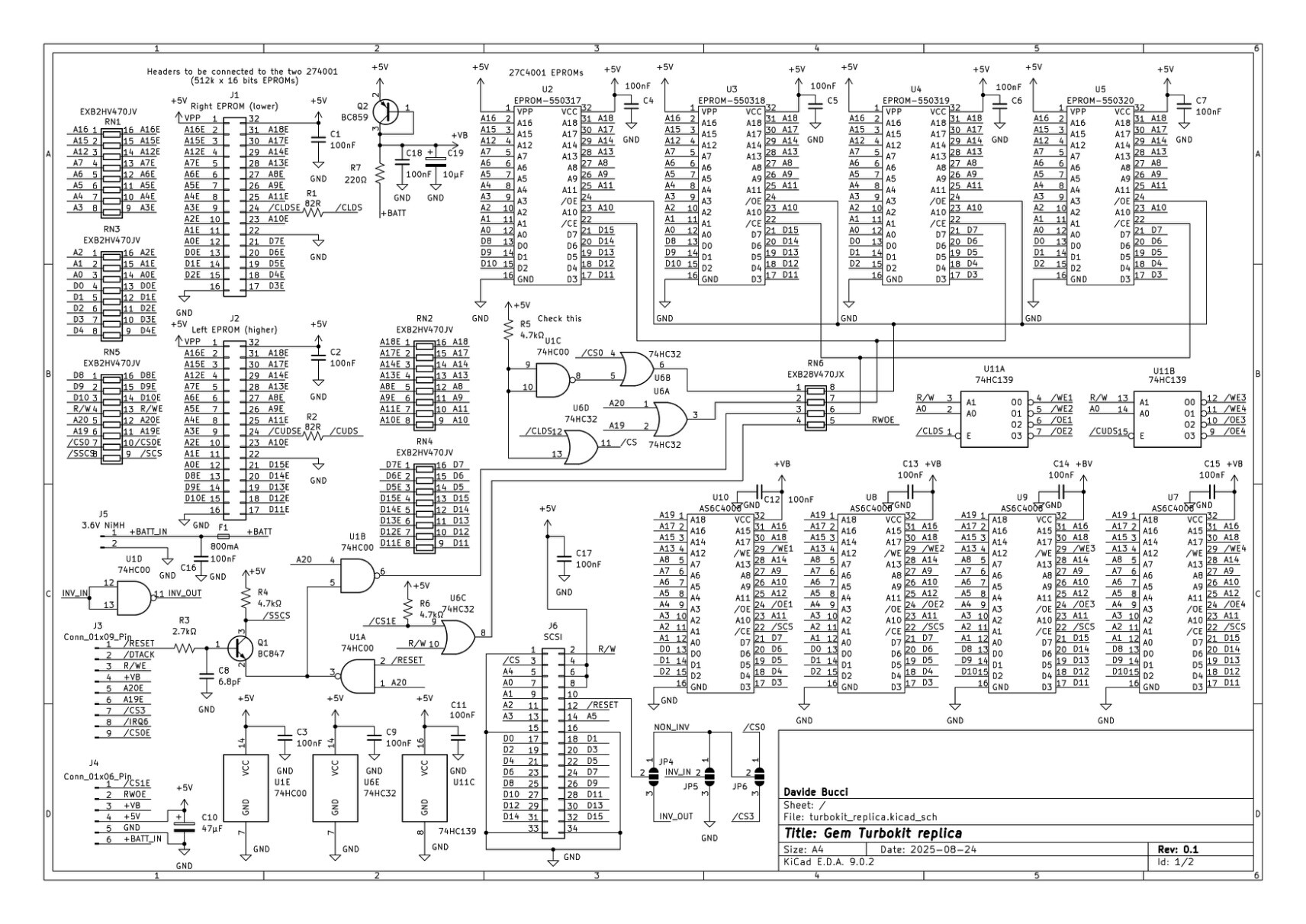
Comunque, sono riuscito a reperire anche gli schemi originali (ho chiesto su una discussione sul forum di Gearspace). Mi sono basato sullo schema di DitroniX (ci sono le EPROM su Github) e l'ho comparato con quello originale. Se interessa, ecco il mio schema:

4909beda82c17044.jpeg


Ci sono alcune cose stranucce, ma che sono presenti anche sullo schema originale.

Oltretutto lo schema originale utilizza porte logiche della famiglia AC, mentre DitroniX usa qualche HC.

Io pensavo di usare degli AC dappertutto, se riesco a trovarli.
Follow me on Mastodon: @davbucci@mastodon.sdf.org
Avatar utente
Foto UtenteDarwinNE
31,0k 7 11 13
G.Master EY
G.Master EY
 
Messaggi: 4420
Iscritto il: 18 apr 2010, 9:32
Località: Grenoble - France

0
voti

[10] Re: Dove trovare un NEC µPD72064?

Messaggioda Foto UtenteDarwinNE » 4 set 2025, 11:38

GioArca67 ha scritto:Sembra il controller dei vecchi floppy, forse appunto in qualche vecchio drive si trova, solo che non sarà una passeggiata capire se funziona bene.


Probabilmente su schede madri 286 o simili. Il problema è che i vecchi computer tendo a collezionarli :oops:
Follow me on Mastodon: @davbucci@mastodon.sdf.org
Avatar utente
Foto UtenteDarwinNE
31,0k 7 11 13
G.Master EY
G.Master EY
 
Messaggi: 4420
Iscritto il: 18 apr 2010, 9:32
Località: Grenoble - France

Prossimo

Torna a Elettronica generale

Chi c’è in linea

Visitano il forum: Google Adsense [Bot] e 49 ospiti