Grazie per l'osservazione: dopo l'invio del messaggio precedente mi sono reso conto di essere stato impreciso.
Il mio ragionamento e' il seguente: lavorando sulla rete la probabilita' di entrare in contatto contemporaneamente, nello stesso istante, con entrambi le fasi e' molto bassa; di solito si entra in contatto con il neutro e poi in un momento successivo, eventualmente con la fase vera e propria. In questo caso il differenziale non serve a proteggere. Ma potrebbe proteggere se si entrasse in contatto dapprima con la fase vera e propria (dopodiche' non si farebbe in tempo ad entrare in contatto anche con il neutro, per ovvi motivi).
Invece con il trasformatore di isolamento le probabilita' di entrare in contatto con entrambi le fasi aumentano, sia perche' alcuni potrebbero avere un falso senso di sicurezza (toccano accidentalmente prima una fase e poi l'altra e non sentono niente), o anche, involontariamente perche' entrano in contatto con una fase, senza che niente li avverta, e quindi le probabilita' di toccare in un istante successivamente anche l'altra fase aumentano.
Sbaglio ragionamento ?
Stabilizzatore di corrente per Led
Moderatori:
carloc,
g.schgor,
BrunoValente,
IsidoroKZ
0
voti
Vista la perseveranza di carlohak in questa sua idea voglio proporre una soluzione al suo problema che fa uso del bel circuito di ginfizz adattato per tensioni alte e di alcuni accorgimenti che rendono il circuito affidabile (tutto da verificare) e comunque concordo con tutti i saggi consigli di ginfizz. Un simile circuito deve essere certificato e approvato prima di essere installato.
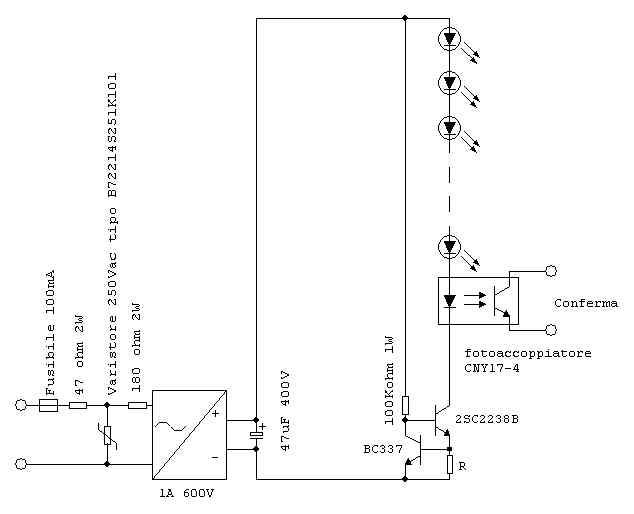
Il circuito fa uso del transistor 2SC2238B, che sopporta 200V sul collettore, al posto di uno dei due BC337 garantendo un guadagno alto per cui può essere polarizzato in base con 100Kohm.
In questo modo dovrebbe essere garantita una precisa regolazione di corrente per variazioni della tensione di rete almeno di 80V (190-270Vac) realizzando quello che vuole carlohak.
Si deve ovviamente scegliere un numero di led tale da garantire il funzionamento del regolatore nelle condizioni di minima tensione ed inoltre il transistor necessita obbligatoriamente di un dissipatore di calore.
Ho previsto in ingresso un varistore che serve a proteggere il circuito da sovratenzioni accidentali o da bruschi transitori che sempre possono verificarsi sulla rete e la resistenza da 180 ohm che forma con il condensatore un filtro passa-basso allo scopo di proteggere ulteriormente il circuito dei led da eventuali transitori di tensione.
In serie ai led, se può essere utile vista l'importanza dell'applicazione, ho anche previsto un fotoaccoppiatore che, quando scorre corrente nei led, dà un segnale di conferma da mandare al processore del semaforo per generare un allarme di avaria nel caso tale segnale dovesse non essere presente a circuito alimentato.
Non ho avuto modo di provare il circuito ma penso non presenti sorprese. Forse va scelto un fusibile ritardato per evitare che salti all'accensione durante la carica del condensatore.
Un circuito simile non si presta per applicazioni con led ad alta corrente per ovvi problemi di dissipazione del calore sul regolatore. Un regolatore adatto allo scopo dovrebbe senz'altro fare uso di tecniche switching che però penso non siano abordabili da carlohak.
Il circuito fa uso del transistor 2SC2238B, che sopporta 200V sul collettore, al posto di uno dei due BC337 garantendo un guadagno alto per cui può essere polarizzato in base con 100Kohm.
In questo modo dovrebbe essere garantita una precisa regolazione di corrente per variazioni della tensione di rete almeno di 80V (190-270Vac) realizzando quello che vuole carlohak.
Si deve ovviamente scegliere un numero di led tale da garantire il funzionamento del regolatore nelle condizioni di minima tensione ed inoltre il transistor necessita obbligatoriamente di un dissipatore di calore.
Ho previsto in ingresso un varistore che serve a proteggere il circuito da sovratenzioni accidentali o da bruschi transitori che sempre possono verificarsi sulla rete e la resistenza da 180 ohm che forma con il condensatore un filtro passa-basso allo scopo di proteggere ulteriormente il circuito dei led da eventuali transitori di tensione.
In serie ai led, se può essere utile vista l'importanza dell'applicazione, ho anche previsto un fotoaccoppiatore che, quando scorre corrente nei led, dà un segnale di conferma da mandare al processore del semaforo per generare un allarme di avaria nel caso tale segnale dovesse non essere presente a circuito alimentato.
Non ho avuto modo di provare il circuito ma penso non presenti sorprese. Forse va scelto un fusibile ritardato per evitare che salti all'accensione durante la carica del condensatore.
Un circuito simile non si presta per applicazioni con led ad alta corrente per ovvi problemi di dissipazione del calore sul regolatore. Un regolatore adatto allo scopo dovrebbe senz'altro fare uso di tecniche switching che però penso non siano abordabili da carlohak.
- Allegati
-
- semaforo.jpg (18.26 KiB) Osservato 3645 volte
-

BrunoValente
39,6k 7 11 13 - G.Master EY

- Messaggi: 7796
- Iscritto il: 8 mag 2007, 14:48
0
voti
scusate ma perché dovrei prendere la mia mano e toccare le due fasi della corrente? non capisco solo un folle lo farebbe. E' come dire ho una macchina che mi fa 350km/h ma io so che non devo andare a quella velocità come so che non devo toccare le due fasi insieme con il mio corpo , solo un matto andrebbe a 350 come solo un matto toccherebbe le due fasi. mi spiegate quindi che pericolo c'è se una persona è attenta?
0
voti
Bravo Bruno, ottimo lavoro !
Stavo proprio pensando anch'io al problema delle sovratensioni, e non mi veniva in mente una soluzione.
Per Carlohak:
nessuno parla di contatto volontario, anche se, come detto, l'uso del trasfomatore di isolamento potrebbe portare ad un calo di attenzione ed a toccare una fase volontariamente, mentre l'altra fase, purtroppo, potrebbe essere toccata involontariamente contemporaneamente. Quando lavoravo con le valvole non si sono contate le scariche che mi sono preso a valle dei trasformatori: per fortuna era perlopiu' corrente continua.
Stavo proprio pensando anch'io al problema delle sovratensioni, e non mi veniva in mente una soluzione.
Per Carlohak:
nessuno parla di contatto volontario, anche se, come detto, l'uso del trasfomatore di isolamento potrebbe portare ad un calo di attenzione ed a toccare una fase volontariamente, mentre l'altra fase, purtroppo, potrebbe essere toccata involontariamente contemporaneamente. Quando lavoravo con le valvole non si sono contate le scariche che mi sono preso a valle dei trasformatori: per fortuna era perlopiu' corrente continua.
0
voti
La corrente continua mi risulta che sia più pericolosa dell'alternata, mi sbaglio?
-

BrunoValente
39,6k 7 11 13 - G.Master EY

- Messaggi: 7796
- Iscritto il: 8 mag 2007, 14:48
0
voti
bruno valente ha scritto:La corrente continua mi risulta che sia più pericolosa dell'alternata, mi sbaglio?
No, globalmente è più pericolosa l'alternata. Con l'alternata è più probabile la tetanizzazione proprio per la successione degli stimoli che impediscono al muscolo il rilascio. Può avvenire anche in continua ma per valore di intensità di corrente più elevati.
La corrente di rilascio è più elevata in continua: oltre i 100 mA contro i 10 mA dell'alternata a 50 Hz.
La continua produce fenomeni elettrolitici nel sangue, contrariamente all'alternata: ma i tempi che rendono pericolose le alterazioni elettrolitiche sono abbastanza maggior di quelli relativi ad esempio alla tetanizzazione.
Ecco le curve di pericolosità della CC e della CA
0
voti
ginfizz ha scritto:quindi le probabilita' di toccare in un istante successivamente anche l'altra fase aumentano.
In effetti il tuo ragionamento non è sbagliato: la probabilità di un contatto bipolare è maggiore se il contatto non è contemporaneo, poiché entrambi i conduttori del trasformatore di isolamento non producono alcun effetto se toccati singolarmente, come solo il neutro (se non è in tensione) nel caso di circuito direttamente alimentato dalla rete.
Chi c’è in linea
Visitano il forum: Nessuno e 81 ospiti

Elettrotecnica e non solo (admin)
Un gatto tra gli elettroni (IsidoroKZ)
Esperienza e simulazioni (g.schgor)
Moleskine di un idraulico (RenzoDF)
Il Blog di ElectroYou (webmaster)
Idee microcontrollate (TardoFreak)
PICcoli grandi PICMicro (Paolino)
Il blog elettrico di carloc (carloc)
DirtEYblooog (dirtydeeds)
Di tutto... un po' (jordan20)
AK47 (lillo)
Esperienze elettroniche (marco438)
Telecomunicazioni musicali (clavicordo)
Automazione ed Elettronica (gustavo)
Direttive per la sicurezza (ErnestoCappelletti)
EYnfo dall'Alaska (mir)
Apriamo il quadro! (attilio)
H7-25 (asdf)
Passione Elettrica (massimob)
Elettroni a spasso (guidob)
Bloguerra (guerra)







