Cos'è ElectroYou | Login Iscriviti

ElectroYou - la comunità dei professionisti del mondo elettrico

Regolatore buck per alimentare un led di potenza

Elettronica lineare e digitale: didattica ed applicazioni

Moderatori: Foto Utentecarloc, Foto Utenteg.schgor, Foto UtenteBrunoValente, Foto UtenteIsidoroKZ

0
voti

[11] Re: Regolatore buck per alimentare un led di potenza

Messaggioda Foto Utentedavidde » 5 giu 2010, 12:12

Ringrazio tutti per le considerazioni fatte, in particolare Isidoro che come sempre e fin troppo gentile ! Con il mio ultimo intervento non era mia intenzione quella di chiedere di fare i conti al posto mio (non son così sfacciato :) ) ma piuttosto se aveste avuto la voglia di correggere i miei. Comunque visto che ormai mi trovo una bella traccia dei punti cruciali non posso che ringraziare infinitamente =D> !

Per rispondere a DarwinNE l' operazionale che sto utilizzando è un LMV324, alimentato a 5V stabilizzati. L' operazionale è rail to rail sia in ingresso che in uscita, ha uno slew rate di 0,5V/µs ha un GBW tipico di 1,3MHz e io stavo cercando di lavorare con una frequenza di 10KHz.

IsidoroKZ ha scritto:Se ad esempio la frequenza di commutazione e` dalle parti di 50 kHz, e si vuole vedere una forma d'onda triangolare, bisogna avere un amplificatore con una banda abbastanza piu` grande, ad esempio 500 kHz (anche un pochetto di meno, ma non tanto). Un ampli non invertente con una banda di 500 kHz e guadagno di 10 volte deve usare un operazionale con un prodotto guadagno banda di almeno 5 MHz. In questo modo non si introducono ritardi di fase e distorsioni lineari sulla forma d'onda di corrente.


Isidoro, il tuo discorso l' ho capito tutto tranne in questo punto. Quello che non mi è chiaro è quando parli della banda da 500KHz. Cioè io utilizzo due sezioni dello stesso operazionale. Con la prima amplifico 10 volte mentre con la seconda sezione sviluppo il comparatore di soglia.
Io avevo considerato quindi che l' operazionale dovesse avere un GBW data dal prodotto della frequenza di switching (50KHz) per il guadagno (10 volte) quindi 500kHz. Tu invece mi parli di 5MHz e non capisco bene da dove saltino fuori. In particolare non capisco se il riferimento che fai è sempre al parametro GBW, tenendo conto degli opportuni coefficienti di sicurezza, oppure fai riferimento a due parametri dell' operazionale. Perdona l' ignoranza...

Adesso vado a vedere se trovo un' operazionale più adatto e poi provo a fare il conto di tutte le resistenze nel circuito e se riesco ad ottenere un risultato minimamante decente vi posto lo schema con tutti i valori e gli oscillogrammi più interessanti.

GRAZIE A TUTTI !!!
Avatar utente
Foto Utentedavidde
13,3k 4 9 12
G.Master EY
G.Master EY
 
Messaggi: 4026
Iscritto il: 2 ago 2007, 11:40
Località: Bologna

0
voti

[12] Re: Regolatore buck per alimentare un led di potenza

Messaggioda Foto UtenteIsidoroKZ » 5 giu 2010, 12:23

Il GBP dell'operazionale deve essere pari alla frequenza da amplificare per il guadagno. Se lavori a 10 kHz di frequenza di switching, non ti basta una banda di 10 kHz perche' stai amplificando un segnale triangolare, che contiene delle armoniche, e proprio il picco e il fondo del triangolo sono i punti che ti servono per commutare. Devi quindi considerare una banda un po' piu` grande per far passare almeno le prime armoniche e non sfasarle troppo. Con un prodotto guadagno banda di 1.3 MHz, guadagno di 10 e frequenza di 10 kHz non ci sono problemi.

Invece potrebbe esserci qualche problema di ritardo con lo slew rate. Il comparatore impiega circa 10us per passare da alto a basso. Appena comincia a salire la tensione di uscita, il transistore di pilotaggio si accende quasi subito, mentre quando si spegne il transistore di pilotaggio comincia a spegnersi solo quando la tensione di uscita arriva praticamente a zero.

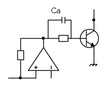
Come prima correzione potresti provare a mettere un condensatore di accelerazione Ca.



Non so con che corrente comandi il transistore e da quanto sia la resistenza, direi di provare con Ca=3.3nF o giu` di li`.

Ho guardato le caratteristiche dell'LMV324, ma non mi tornano slew rate e prodotto guadagno banda che avevi indicato.
Per usare proficuamente un simulatore, bisogna sapere molta più elettronica di lui
Plug it in - it works better!
Il 555 sta all'elettronica come Arduino all'informatica! (entrambi loro malgrado)
Se volete risposte rispondete a tutte le mie domande
Avatar utente
Foto UtenteIsidoroKZ
121,2k 1 3 8
G.Master EY
G.Master EY
 
Messaggi: 21059
Iscritto il: 17 ott 2009, 0:00

0
voti

[13] Re: Regolatore buck per alimentare un led di potenza

Messaggioda Foto Utentedavidde » 5 giu 2010, 12:34

Ok, ricevuto grazie !

Vado a cercare l' operazionale adatto per lavorare a 50kHz perché a 10kHz l' induttore verrebbe troppo grande, da qualche parte dovrei avere qualcosa di adatto. Appena ho fatto aggiorno :wink: ...
Avatar utente
Foto Utentedavidde
13,3k 4 9 12
G.Master EY
G.Master EY
 
Messaggi: 4026
Iscritto il: 2 ago 2007, 11:40
Località: Bologna

0
voti

[14] Re: Regolatore buck per alimentare un led di potenza

Messaggioda Foto Utentedona79 » 5 giu 2010, 12:48

IsidoroKZ ha scritto:E` vero che la tensione all'uscita del buck e` approssimativamente fissata dal diodo, ma quello e` un controllore isteretico di corrente, e per funzionare deve misurare la corrente con le sue variazioni.

Se metti l'elettrolitico dopo la L, il ripple di corrente passa per lo piu` attraverso il condensatore che alla frequenza di commutazione ha una impenza piu` bassa di diodo+resistenza di sense, e quanto si misura su Rsense non e` piu` la corrente istantanea in L, che e` la grandezza che viene controllata.


ciao Isidoro,
non è che voglio sembrare polemico, ma la grandezza controllata è la corrente media:-)

inoltre tu stesso consigli di inserire un polo oltre la Rsense, il che significa filtrare l'informazione...non è forse la stessa cosa che mettere la capacità dopo la L?

poi proprio non capisco il discorso sulle bande degli opamp...è un controllo isteretico, è stabile per definizione (ammesso che si possa parlare di stabilità), quindi al massimo un opamp lento che sfasa troppo può darti effetto sul ripple.
Avatar utente
Foto Utentedona79
20 2 2 4
Master EY
Master EY
 
Messaggi: 2431
Iscritto il: 24 mag 2005, 17:29

0
voti

[15] Re: Regolatore buck per alimentare un led di potenza

Messaggioda Foto UtenteIsidoroKZ » 5 giu 2010, 12:58

E` vero che la corrente che si vuole controllare e` la corrente media, ma per controllarla si usa un controllore isteretico (anche detto in qualche caso bang bang controller).

Accendi il transistore, quando la corrente istantanea arriva a 1.4A spegni il transistore. Quando la corrente istantanea arriva a 1.3A riaccendi il transistore e cosi` via. Si controlla la corrente media facendo in modo che la corrente istantanea sia sempre compresa fra due livelli.

Perche' questo funzioni correttamente e` necessario che la corrente istantanea, incluso quindi il ripple di corrente, sia correttamente sentito e misurato.

Se il controllo fosse sulla corrente media allora sarebbe vero, il condensatore non darebbe problemi. Pero` il controllo dovrebbe essere fatto non con un comparatore con isteresi, ma con un normale modulatore PWM.
Per usare proficuamente un simulatore, bisogna sapere molta più elettronica di lui
Plug it in - it works better!
Il 555 sta all'elettronica come Arduino all'informatica! (entrambi loro malgrado)
Se volete risposte rispondete a tutte le mie domande
Avatar utente
Foto UtenteIsidoroKZ
121,2k 1 3 8
G.Master EY
G.Master EY
 
Messaggi: 21059
Iscritto il: 17 ott 2009, 0:00

0
voti

[16] Re: Regolatore buck per alimentare un led di potenza

Messaggioda Foto Utentedona79 » 5 giu 2010, 13:04

ho editato probabilmente mentre mi rispondevi
Avatar utente
Foto Utentedona79
20 2 2 4
Master EY
Master EY
 
Messaggi: 2431
Iscritto il: 24 mag 2005, 17:29

0
voti

[17] Re: Regolatore buck per alimentare un led di potenza

Messaggioda Foto Utentedavidde » 5 giu 2010, 13:20

Ho trovato un gioiellino... l ' LT6221.

- può lavorare a 5V con tensione di alimentazione singola.
- ha uno slew rate di 20V/µs
- ha un GBW di 60MHz
- è rail to rail sia in uscita che in ingresso

Ora lo monto, costruisco l' induttore, poi vediamo...
Avatar utente
Foto Utentedavidde
13,3k 4 9 12
G.Master EY
G.Master EY
 
Messaggi: 4026
Iscritto il: 2 ago 2007, 11:40
Località: Bologna

0
voti

[18] Re: Regolatore buck per alimentare un led di potenza

Messaggioda Foto UtenteIsidoroKZ » 5 giu 2010, 13:40

dona79 ha scritto:inoltre tu stesso consigli di inserire un polo oltre la Rsense, il che significa filtrare l'informazione...non è forse la stessa cosa che mettere la capacità dopo la L?


Il polo dopo la Rsense serve per compensare lo zero dell'impedenza del resistore di sense. Rsense ha una impedenza data da Rs+s ESL con uno zero a fz=Rs/(2 pi ESL) e con l'RC compenso questo, che di solito e` a frequenza ben maggiore di quella di commutazione. Questo polo serve per vedere correttamente la forma d'onda della corrente, perche' cancella uno zero. Invece il condensatore dopo la L genera tipicamente due poli complessi coniugati a frequenza molto piu` bassa di quella di commutazione, rendendo difficoltosa la lettura della corrente istantanea.
dona79 ha scritto:poi proprio non capisco il discorso sulle bande degli opamp...è un controllo isteretico, è stabile per definizione (ammesso che si possa parlare di stabilità), quindi al massimo un opamp lento che sfasa troppo può darti effetto sul ripple.


Un progetto deve funzionare come uno lo progetta. Un controllo isteretico (se lo si vuole fare come tale) deve poter rispondere velocemente quando la corrente arriva ai valori prefissati. Se si vuole fare un circuito che fa cose strane mantenendo piu` o meno la corrente nell'intervallo voluto, va bene, ma non e` un buon progetto.
In questi casi, per vedere che cosa capita, provo a considerare che cosa capiterebbe se la banda del circuito fosse molto stretta. Direi che la corrente potrebbe avere un ripple troppo elevato, con rischi di saturazione della L e rottura di qualche componente. Anche senza arrivare a questi livelli, potrebbe esserci un comportamento non periodico o caotico. Funziona lo stesso? Dipende da che cosa uno puo` accettare come "funzionante"

Se si vuole fare un controllo isteretico sulla corrente media, probabilmente lo si puo` fare, ma personalmente non lo farei perche' perderei le buone caratteristiche di controllo dell'isteretico sulla corrente istantanea.

Hai degli esempi di convertitori isteretici in cui la misura della corrente e` fatta con una forte limitazione di banda?
Per usare proficuamente un simulatore, bisogna sapere molta più elettronica di lui
Plug it in - it works better!
Il 555 sta all'elettronica come Arduino all'informatica! (entrambi loro malgrado)
Se volete risposte rispondete a tutte le mie domande
Avatar utente
Foto UtenteIsidoroKZ
121,2k 1 3 8
G.Master EY
G.Master EY
 
Messaggi: 21059
Iscritto il: 17 ott 2009, 0:00

0
voti

[19] Re: Regolatore buck per alimentare un led di potenza

Messaggioda Foto Utentedona79 » 5 giu 2010, 14:39

vabbè la smetto,
tanto senza numeri e 2 simulazioni sembriamo solo 2 pirla

p.s.
per la cronaca i poli si trovano alla frequenza per cui si progettano, non dove "di solito" si mettono.
Avatar utente
Foto Utentedona79
20 2 2 4
Master EY
Master EY
 
Messaggi: 2431
Iscritto il: 24 mag 2005, 17:29

0
voti

[20] Re: Regolatore buck per alimentare un led di potenza

Messaggioda Foto UtenteIsidoroKZ » 5 giu 2010, 22:19

dona79 ha scritto:tanto senza numeri e 2 simulazioni sembriamo solo 2 pirla

Parla per te! Io non sembro un pirla, io lo sono! :)

In effetti mi ci e` voluto un po' a capire che stai dicendo di fare un isteretico sulla corrente media e non su quella istantanea, e comprendere le implicazioni. In quel caso ci vuole il condensatore e si puo` usare una induttanza piu` piccola, a pari frequenza di lavoro. Secondo me capita che il controllo della corrente e` un po' piu` impreciso, puo` uscire dai limiti dell'isteresi, e anche allo start-up ci potrebbe essere overshoot, ma dovrebbe essere limitato.

Il controllo isteretico sulla corrente media pero` ha un difetto: non lo saprei progettare :(. Hai delle linee guida in proposito?
Per usare proficuamente un simulatore, bisogna sapere molta più elettronica di lui
Plug it in - it works better!
Il 555 sta all'elettronica come Arduino all'informatica! (entrambi loro malgrado)
Se volete risposte rispondete a tutte le mie domande
Avatar utente
Foto UtenteIsidoroKZ
121,2k 1 3 8
G.Master EY
G.Master EY
 
Messaggi: 21059
Iscritto il: 17 ott 2009, 0:00

PrecedenteProssimo

Torna a Elettronica generale

Chi c’è in linea

Visitano il forum: Majestic-12 [Bot] e 68 ospiti