Cos'è ElectroYou | Login Iscriviti

ElectroYou - la comunità dei professionisti del mondo elettrico

OpAmp reale->cause del discostamento dai valori teorici

Elettronica lineare e digitale: didattica ed applicazioni

Moderatori: Foto Utentecarloc, Foto Utenteg.schgor, Foto UtenteBrunoValente, Foto UtenteIsidoroKZ

0
voti

[11] Re: OpAmp reale->cause del discostamento dai valori teorici

Messaggioda Foto UtenteLucast85 » 21 lug 2010, 18:41

DarwinNE ha scritto:Puoi anche cambiare a mano i valori nella simulazione per vedere di avvicinarti al risultato cercato. Una volta che uno sa già come vanno le cose, tanto vale lasciar fare i calcoli antipatici al simulatore, no?

Si giusto, infatti a tentativi sono riuscito ad arrivare vicino a 5000Hz con una R2=2140ohm. Volevo solo giustificare questa scelta. Mi sembrava troppo facile dire che sono andato a tentativi, però se non posso fare di meglio... D'altra parte a lezione nessuno mi ha mai parlato di queste non idealità.
Domani ho un appuntamento col Prof. sentirò lui come la pensa...
Avatar utente
Foto UtenteLucast85
125 2 8
Frequentatore
Frequentatore
 
Messaggi: 189
Iscritto il: 13 nov 2009, 16:34
Località: MC

0
voti

[12] Re: OpAmp reale->cause del discostamento dai valori teorici

Messaggioda Foto UtenteDarwinNE » 22 lug 2010, 0:44

Lucast85 ha scritto:Si giusto, infatti a tentativi sono riuscito ad arrivare vicino a 5000Hz con una R2=2140ohm. Volevo solo giustificare questa scelta. Mi sembrava troppo facile dire che sono andato a tentativi, però se non posso fare di meglio...


Invece di andare "au pif", puoi adottare un metodo iterativo di ricerca di uno zero, per esempio il metodo di bisezione. In questo caso è completamente inutile perché tanto il risultato lo conosci già, ma potrebbe permettere di giustificare la scelta dei valori per convergere verso l'obiettivo che ti poni. Alcuni software di design integrano routine di ottimizzazione per risolvere appunto problemi di questo tipo.

Lucast85 ha scritto:D'altra parte a lezione nessuno mi ha mai parlato di queste non idealità.
Domani ho un appuntamento col Prof. sentirò lui come la pensa...


Nella vita reale, ci sarà sempre qualche non idealità di cui nessuno ti ha mai parlato. Così è la vita :D

La mia preferita con gli operazionali è l'inversione di fase sull'uscita che si ha quando si satura violentemente lo stadio di ingresso. Non se ne parla quasi mai nei datasheet ed uno vive felice e tranquillo fino a quando non si trova davanti il fenomeno in un bell'anello di reazione...

Avrei un ultimo consiglio da darti: non fermarti alla simulazione, il circuito MONTALO!!!
Follow me on Mastodon: @davbucci@mastodon.sdf.org
Avatar utente
Foto UtenteDarwinNE
31,0k 7 11 13
G.Master EY
G.Master EY
 
Messaggi: 4420
Iscritto il: 18 apr 2010, 9:32
Località: Grenoble - France

0
voti

[13] Re: OpAmp reale->cause del discostamento dai valori teorici

Messaggioda Foto UtenteRenzoDF » 22 lug 2010, 9:41

Lucast85 ha scritto:Si giusto, infatti a tentativi sono riuscito ad arrivare vicino a 5000Hz con una R2=2140ohm. Volevo solo giustificare questa scelta. Mi sembrava troppo facile dire che sono andato a tentativi, però se non posso fare di meglio...


puoi usare un PARAMETRIC SWEEP per trovare il migliore valore di R2 ... oppure PSPICE OPTIMIZER :!:
"Il circuito ha sempre ragione" (Luigi Malesani)
Avatar utente
Foto UtenteRenzoDF
55,9k 8 12 13
G.Master EY
G.Master EY
 
Messaggi: 13189
Iscritto il: 4 ott 2008, 9:55

0
voti

[14] Re: OpAmp reale->cause del discostamento dai valori teorici

Messaggioda Foto UtenteLucast85 » 22 lug 2010, 11:44

RenzoDF ha scritto:puoi usare un PARAMETRIC SWEEP per trovare il migliore valore di R2 ... oppure PSPICE OPTIMIZER :!:
Il parametric sweep è grigio e non posso abilitarlo, non capisco il motivo [-X . Invece sono riuscito ad utilizzare il pspice optimizer: va alla grande!! =D>

DarwinNE ha scritto:Invece di andare "au pif", puoi adottare un metodo iterativo di ricerca di uno zero, per esempio il metodo di bisezione.
Misà che l'ho usato inconsciamente, ma sarà meglio scrivere qualcosa a riguardo.
Avrei un ultimo consiglio da darti: non fermarti alla simulazione, il circuito MONTALO!!!
Sii, mi piace la pratica!! Nel pomeriggio prenderò 1 etto di ua741 e 2 etti di trimmer :lol: . Il resto lo dovrei avere.

Grazie a tutti per i consigli!! Sono stati davvero molto utili e penso di aver imparato tante cose da voi!!
Avatar utente
Foto UtenteLucast85
125 2 8
Frequentatore
Frequentatore
 
Messaggi: 189
Iscritto il: 13 nov 2009, 16:34
Località: MC

0
voti

[15] Re: OpAmp reale->cause del discostamento dai valori teorici

Messaggioda Foto UtenteRenzoDF » 22 lug 2010, 12:46

Lucast85 ha scritto:...Il parametric sweep è grigio e non posso abilitarlo, non capisco il motivo [-X . Invece sono riuscito ad utilizzare il pspice optimizer: va alla grande!! =D>


probabilmente non hai seguito la procedura corretta ... dai un occhio qui
http://www.ece.msstate.edu/~winton/clas ... Sparam.htm

e, per chi volesse avere qualche informazione in più sull'OPTIMIZER
http://www.ee.ucla.edu/~jjudy/classes/e ... imizer.pdf
"Il circuito ha sempre ragione" (Luigi Malesani)
Avatar utente
Foto UtenteRenzoDF
55,9k 8 12 13
G.Master EY
G.Master EY
 
Messaggi: 13189
Iscritto il: 4 ott 2008, 9:55

0
voti

[16] Re: OpAmp reale->cause del discostamento dai valori teorici

Messaggioda Foto UtenteLucast85 » 24 lug 2010, 13:09

Ho parlato con l'assistente del professore che si occupa di questi circuiti e mi ha detto:
1) Il problema dello slew rate era una sua svista e mi ha cambiato i vincoli sullo tf/tr dai 4us impossibili da raggiungere a 20us. Quindi il problema dello slew rate è risolto!! :lol:
2) Per quanto riguarda il discostamento dalla freq teorica mi ha detto di mettere al posto dell'opamp una Rin, un VCVS di quadagno A finito pari a quello che ha l'uA741 reale alla freq di oscillazione (5kHz), ed una Rout che è la maggior responsabile del discostamento di f, calcolarmi Rin ed Rout poi rifare i calcoli col circuito che ottengo.
Il modello di cui parla dovrebbe essere questo (v. schema interno): http://it.wikipedia.org/wiki/Amplificatore_operazionale
Dice che dovrei ricavare quasi lo stesso valore di R2 che ho ottenuto con l'optimizer.
Ora lavoro col materiale che ho dagli appunti di elettronica analogica per ricavare le formule corrette per il dimensionamento, ed intanto mi diverto a montarlo :D
Avatar utente
Foto UtenteLucast85
125 2 8
Frequentatore
Frequentatore
 
Messaggi: 189
Iscritto il: 13 nov 2009, 16:34
Località: MC

0
voti

[17] Re: OpAmp reale->cause del discostamento dai valori teorici

Messaggioda Foto UtenteIsidoroKZ » 24 lug 2010, 23:28

Non sono molto convinto che la resistenza di uscita c'entri molto. La ragione e` che l'operazionale lavora saturo, prima in saturazione di velocita` e fa una bella rampa, poi passa alla saturazione di tensione e a quel punto la resistenza di uscita dovrebbe essere molto bassa. Secondo me quello che provoca il maggior effetto sulla frequenza di oscillazione e` il tempo di salita e di discesa provocato dallo slew rate. Domani potrei avere tanto tempo su un volo, quasi quasi provo a fare i conti.

Mettere il guadagno a 5kHz non mi sembra una cosa molto utile perche' la limitazione e` di slew rate (saturazione di ampio segnale), non di banda (limitazione in linearita`).
Per usare proficuamente un simulatore, bisogna sapere molta più elettronica di lui
Plug it in - it works better!
Il 555 sta all'elettronica come Arduino all'informatica! (entrambi loro malgrado)
Se volete risposte rispondete a tutte le mie domande
Avatar utente
Foto UtenteIsidoroKZ
121,2k 1 3 8
G.Master EY
G.Master EY
 
Messaggi: 21059
Iscritto il: 17 ott 2009, 0:00

0
voti

[18] Re: OpAmp reale->cause del discostamento dai valori teorici

Messaggioda Foto UtenteLucast85 » 27 lug 2010, 20:53

Sto provando a fare i calcoli come mi ha consigliato l'assistente.
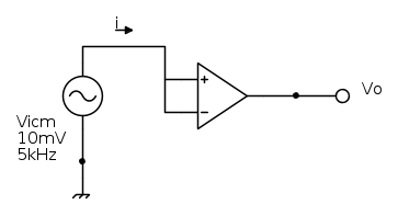
Il modello utilizzo è questo:

Ho calcolato il guadagno d'anello aperto A @ 5kHz in questo modo:

Dal datasheet dell'uA741 vedo che a 5kHz Avol è di circa 45 dB quindi non sono lontanissimo.
Ho inserito l'induttanza L come suggerito da DarwinNe per eliminare l'offset.

Rid in questo modo:

Calcolando il rapporto Rid=Vid/i= 1Mohm.

Ricm così:

dove Ricm=Vicm/i=1,125Gohm

Infine calcolo la resistenza d'uscita Ro così:

in cui Ro=Vo/i=50ohm

Dal datasheet della TI: Avol=45 circa, Ri=2Mohm ed Ro=75ohm, mentre io ho ricavato Avol=46dB, Ri=1Mohm (trascurando Ricm), Ro=50ohm. Tuttavia il modello che mi è stato dato non coincide con quello di Pspice originale (e penso neanche con quello della TI) ed i valori ricavati sono accettabili.

Ho calcolato questi valori nel modo corretto ?
Avatar utente
Foto UtenteLucast85
125 2 8
Frequentatore
Frequentatore
 
Messaggi: 189
Iscritto il: 13 nov 2009, 16:34
Località: MC

0
voti

[19] Re: OpAmp reale->cause del discostamento dai valori teorici

Messaggioda Foto UtenteIsidoroKZ » 27 lug 2010, 22:44

Non ho capito che cosa hai fatto. L'operazionale che metti negli schemi per tirare fuori i valori qual e`? Modello spice completo, modello semplificato o che cos'altro?

In ogni caso non va bene: se il modello ha un po' di offset, satura senza pieta` (e nella realta` anche). Continua a lasciarmi molto perplesso l'assistente che vuol farti fare un modello lineare di un componente che lavora sempre fuori linearita`.

Quando l'operazionale e` fuori linearita` l'impedenza differenziale di ingresso va a farsi benedire perche' uno dei due rami del differenziale si interdice. Il guadagno a 5kHz non e` di 200 volte, ma di -j200 volte, e` un numero immaginario perche' siamo in piena zona integrativa causata dalla compensazione dell'operazionale. Inoltre cercare questo valore e` totalmente insensato, perche' l'operazionale non e` in zona lineare che amplifica una sinusoide a 5kHz, e` in piena saturazione da slew rate e la sua uscita non dipende dall'ingresso.

Infine per l'impedenza di uscita, FORSE ha senso prendere il valore di un centiaio di ohm o meno durante la fase di salita e discesa, poi anche lo stadio di uscita (o il driver) satura e andare a trovare l'impedenza in quelle condizioni non e` semplice.

In ogni caso la differenza di frequenza non e` dato dal guadagno limitato a 5 kHz (e` una fesseria bella e buona), ma alla limitazione di slew rate). Altro fenomeno che riduce la frequenza e` il tempo che l'operazionale impiega ad uscire dalla saturazione: a seconda del modello puo` essere anche di parecchi microsecondi.

Infine se fai un modello con un generatore di tensione lineare pilotato, con guadagno di 200 volte e tutte le resistenze a posto, ammesso che riusciate a farlo partire, sia tu che il tuo assistente avrete una notevole sorpresa circa l'ampiezza e la forma del segnale generato :)

In che universita` sei, quale corso? La mia impressione e` che il tuo assistente non abbia le idee molto chiare di come si comportano gli operazionali e le reti elettriche :), ma forse e` meglio che non glielo dica!
Per usare proficuamente un simulatore, bisogna sapere molta più elettronica di lui
Plug it in - it works better!
Il 555 sta all'elettronica come Arduino all'informatica! (entrambi loro malgrado)
Se volete risposte rispondete a tutte le mie domande
Avatar utente
Foto UtenteIsidoroKZ
121,2k 1 3 8
G.Master EY
G.Master EY
 
Messaggi: 21059
Iscritto il: 17 ott 2009, 0:00

0
voti

[20] Re: OpAmp reale->cause del discostamento dai valori teorici

Messaggioda Foto UtenteLucast85 » 28 lug 2010, 9:31

IsidoroKZ ha scritto:Non ho capito che cosa hai fatto. L'operazionale che metti negli schemi per tirare fuori i valori qual e`? Modello spice completo, modello semplificato o che cos'altro?

E' il modello spice che devo utilizzare per questa tesina (lo puoi vedere nel primo post). Ho fatto delle simulazioni spice con esso per ricavare quei valori.
:oops: Capisco che sto procedendo nel modo sbagliato e, pur non conoscendovi,mi fido molto più di voi del forum che del mio prof e del suo assistente ma devo fare come dicono loro perché sono loro che la correggono. [-o<

Se non pensiamo all'obiettivo che devo raggiungere, i valori di Rin, Ro, e Avol(5kHz) dell'opamp si calcolano in quel modo :?:

In che universita` sei, quale corso? La mia impressione e` che il tuo assistente non abbia le idee molto chiare di come si comportano gli operazionali e le reti elettriche :), ma forse e` meglio che non glielo dica
Bene!! Pensa quei poveri studenti quanto capiranno... :shock: Sono all'università politecnica dell marche, nel corso di elettronica per telecomunicazioni (ing. elettronica triennale).
Avatar utente
Foto UtenteLucast85
125 2 8
Frequentatore
Frequentatore
 
Messaggi: 189
Iscritto il: 13 nov 2009, 16:34
Località: MC

PrecedenteProssimo

Torna a Elettronica generale

Chi c’è in linea

Visitano il forum: Majestic-12 [Bot] e 56 ospiti