Esercizio di fondamenti di elettronica
Moderatori:
carloc,
g.schgor,
BrunoValente,
IsidoroKZ
15 messaggi
• Pagina 2 di 2 • 1, 2
0
voti
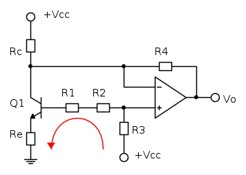
Circuito un po' critico dal punto di vista pratico perche' il punto di riposo, specie la tensione di uscita dipende parecchio dal beta del transistore.
Scommetto che e` un esercizio dell'universita` di Padova o di Udine: sa di problema tosto del nord-est.
La soluzione si puo` ottenere cercando se ci sono maglie che passino per la giunzione base emettitore e che possano essere facilmente risolte.
Ad esempio questa maglia
contiene una sola incognita, Re che puo` essere ricavata.
Poi passando all'operazionale, questo ha 3 ingressi (usando la sovrapposizione degli effetti) e una uscita. I tre ingressi contribuiscono a controllare la tensione di uscita che deve essere di 5V.
Questi tre ingressi sono la tensione sul morsetto non invertente, la tensione di alimentazione attraverso Rc e la corrente del transistore, che e` supposta nota. In pratica ci si riduce a un circuito come in figura A.
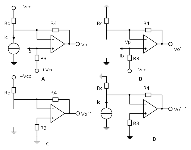
A dire il vero gli ingressi che controllano la tensione di uscita sono quattro:
I primi due contributi si possono pero` mettere facilmente insieme, risparmiando qualche conto e ricavando subito la tensione Vp sul morsetto non invertente.
Data Vp, il suo contributo sull'uscita Vo' e` quello di un normale amplificatore non invertente, come mostrato in figura B.
Il contribuito di Vcc collegato a Rc e` quello di un normale amplificatore invertente che fornisce il secondo contributo Vo'' alla tensione di uscita, come mostrato in figura C. In questo caso il generatore di corrente Ic e` un circuito aperto, e la tensione Vp e` nulla perche' stiamo usando la sovrapposizione degli effetti.
Il terzo ingresso che influenza la tensione di ingresso e` Ic: si spengono tutti gli altri generatori, si lascia solo Ic, come in figura D. La tensione Vp sul morsetto non invertente e` nulla, la resistenza Rc e` collegata allo zero volt, e c'e` solo Ic attivo, del quale bisogna calcolare l'effetto Vo''' sull'uscita. (Domanda transitoria: di tutta la corrente Ic, quanta ne passa in queste condizioni nella resistenza Ic?).
Sommando i vari contributi e imponendo che la tensione di uscita sia di 5V, si ricava Rc, la sola incognita presente nelle espressioni.
Devi anche calcolare il guadagno le frequenze di taglio e la funzione di trasferimento?
Scommetto che e` un esercizio dell'universita` di Padova o di Udine: sa di problema tosto del nord-est.
La soluzione si puo` ottenere cercando se ci sono maglie che passino per la giunzione base emettitore e che possano essere facilmente risolte.
Ad esempio questa maglia
contiene una sola incognita, Re che puo` essere ricavata.
Poi passando all'operazionale, questo ha 3 ingressi (usando la sovrapposizione degli effetti) e una uscita. I tre ingressi contribuiscono a controllare la tensione di uscita che deve essere di 5V.
Questi tre ingressi sono la tensione sul morsetto non invertente, la tensione di alimentazione attraverso Rc e la corrente del transistore, che e` supposta nota. In pratica ci si riduce a un circuito come in figura A.
A dire il vero gli ingressi che controllano la tensione di uscita sono quattro:
- La corrente di base Ib
- La tensione Vcc collegata ad R3
- La tensione Vcc collegata a Rc
- La corrente di collettore Ic
I primi due contributi si possono pero` mettere facilmente insieme, risparmiando qualche conto e ricavando subito la tensione Vp sul morsetto non invertente.
Data Vp, il suo contributo sull'uscita Vo' e` quello di un normale amplificatore non invertente, come mostrato in figura B.
Il contribuito di Vcc collegato a Rc e` quello di un normale amplificatore invertente che fornisce il secondo contributo Vo'' alla tensione di uscita, come mostrato in figura C. In questo caso il generatore di corrente Ic e` un circuito aperto, e la tensione Vp e` nulla perche' stiamo usando la sovrapposizione degli effetti.
Il terzo ingresso che influenza la tensione di ingresso e` Ic: si spengono tutti gli altri generatori, si lascia solo Ic, come in figura D. La tensione Vp sul morsetto non invertente e` nulla, la resistenza Rc e` collegata allo zero volt, e c'e` solo Ic attivo, del quale bisogna calcolare l'effetto Vo''' sull'uscita. (Domanda transitoria: di tutta la corrente Ic, quanta ne passa in queste condizioni nella resistenza Ic?).
Sommando i vari contributi e imponendo che la tensione di uscita sia di 5V, si ricava Rc, la sola incognita presente nelle espressioni.
Devi anche calcolare il guadagno le frequenze di taglio e la funzione di trasferimento?
Per usare proficuamente un simulatore, bisogna sapere molta più elettronica di lui
Plug it in - it works better!
Il 555 sta all'elettronica come Arduino all'informatica! (entrambi loro malgrado)
Se volete risposte rispondete a tutte le mie domande
Plug it in - it works better!
Il 555 sta all'elettronica come Arduino all'informatica! (entrambi loro malgrado)
Se volete risposte rispondete a tutte le mie domande
0
voti
Ringrazio tutti per il vostro aiuto.
Ingegneria Informatica a Padova
No solamente
e
.
Se non ti crea troppo disturbo potresti spiegarmi meglio la seconda parte quando trovi
? perché putroppo sto preparando l'esame autonomamente e faccio un po' fatica a capire cosa fai di preciso (conosco la sovrapposizione degli effetti ma non ho ben compreso come la applichi). Ovviamente, ripeto, se non ti crea troppo disturbo 
IsidoroKZ ha scritto:Scommetto che e` un esercizio dell'universita` di Padova o di Udine: sa di problema tosto del nord-est.
Ingegneria Informatica a Padova
IsidoroKZ ha scritto:Devi anche calcolare il guadagno le frequenze di taglio e la funzione di trasferimento?
No solamente
e
.Se non ti crea troppo disturbo potresti spiegarmi meglio la seconda parte quando trovi
? perché putroppo sto preparando l'esame autonomamente e faccio un po' fatica a capire cosa fai di preciso (conosco la sovrapposizione degli effetti ma non ho ben compreso come la applichi). Ovviamente, ripeto, se non ti crea troppo disturbo 
0
voti
Ci sono tre contributi alla tensione di uscita Vo, che deve essere di 5V.
Il primo e` Vp, che viene moltiplicato per il guadagno di un ampli non invertente che vale 1+R4/Rc.La tensione Vp e` pari a 12V meno la caduta su R3, trovata con la legge di Ohm. La tensione Vo' dovuta al primo contributo e`

Il secondo contributo, schema C, e` un amplificatore invertente che amplifica Vcc, con guadagno -R4/Rc quindi

Il terzo contributo e` la corrente Ic che viene succhiata da R4. Su Rc non c'e` tensione e quindi non passa corrente in Rc

Di queste tre espressioni conosci tutti i termini, tranne Rc. Sommi i tre contributi, in cui rimane la sola incognita Rc, uguagli la somma a 5V e ricavi l'incognita Rc.
Il primo e` Vp, che viene moltiplicato per il guadagno di un ampli non invertente che vale 1+R4/Rc.La tensione Vp e` pari a 12V meno la caduta su R3, trovata con la legge di Ohm. La tensione Vo' dovuta al primo contributo e`

Il secondo contributo, schema C, e` un amplificatore invertente che amplifica Vcc, con guadagno -R4/Rc quindi

Il terzo contributo e` la corrente Ic che viene succhiata da R4. Su Rc non c'e` tensione e quindi non passa corrente in Rc

Di queste tre espressioni conosci tutti i termini, tranne Rc. Sommi i tre contributi, in cui rimane la sola incognita Rc, uguagli la somma a 5V e ricavi l'incognita Rc.
Per usare proficuamente un simulatore, bisogna sapere molta più elettronica di lui
Plug it in - it works better!
Il 555 sta all'elettronica come Arduino all'informatica! (entrambi loro malgrado)
Se volete risposte rispondete a tutte le mie domande
Plug it in - it works better!
Il 555 sta all'elettronica come Arduino all'informatica! (entrambi loro malgrado)
Se volete risposte rispondete a tutte le mie domande
15 messaggi
• Pagina 2 di 2 • 1, 2
Chi c’è in linea
Visitano il forum: Majestic-12 [Bot] e 57 ospiti

Elettrotecnica e non solo (admin)
Un gatto tra gli elettroni (IsidoroKZ)
Esperienza e simulazioni (g.schgor)
Moleskine di un idraulico (RenzoDF)
Il Blog di ElectroYou (webmaster)
Idee microcontrollate (TardoFreak)
PICcoli grandi PICMicro (Paolino)
Il blog elettrico di carloc (carloc)
DirtEYblooog (dirtydeeds)
Di tutto... un po' (jordan20)
AK47 (lillo)
Esperienze elettroniche (marco438)
Telecomunicazioni musicali (clavicordo)
Automazione ed Elettronica (gustavo)
Direttive per la sicurezza (ErnestoCappelletti)
EYnfo dall'Alaska (mir)
Apriamo il quadro! (attilio)
H7-25 (asdf)
Passione Elettrica (massimob)
Elettroni a spasso (guidob)
Bloguerra (guerra)






