Generatore onda triangolare
Moderatori:
carloc,
g.schgor,
BrunoValente,
IsidoroKZ
0
voti
Per integrare ad alta velocità consiglio l'operazionale EL2045: l'ho utilizzato oltre i 300 kHz per generare il segnale PWM di un amplificatore in classe D di grande potenza ottenendo un'ottima precisione.
-

BrunoValente
39,6k 7 11 13 - G.Master EY

- Messaggi: 7797
- Iscritto il: 8 mag 2007, 14:48
0
voti
BrunoValente ha scritto:Per integrare ad alta velocità consiglio l'operazionale EL2045
Purtroppo per quell'amplificatore non fanno la versione DIP, e dovendo poi usarlo su millefori non riuscirei a saldarlo
Ho montato il circuito con LM339 ma i risultati non sono buoni.
A parte il fatto di dover mettere delle resistenze di pull-up sull'uscita, anche mettendole di valore relativamente contenuto (1K 1/4W) scaldano parecchio e a 100KHz i segnali sembrano più parabole che rettangoli.
Oltre a questo spesso non oscilla fino a che non smanetto un po con i trimmer...
Pensavo di tornare alla soluzione iniziale, mettendo delle resistenze di pull-up sull'uscita degli operazionali che utilizzo come comparatori.
Forse in questo modo riesco ad essere un po più veloce in salita e a migliorare un po il risultato.
Più riesco a salire in alto con la frequenza e più son contento, ma se anche ho un risultato accettabile fino a 100KHz mi va bene lo stesso!

http://millefori.altervista.org
Tool gratuito per chi sviluppa su millefori.
Tutti sanno che una cosa è impossibile da realizzare, finché arriva uno sprovveduto che non lo sa e la inventa. (A. Einstein)
Se non c'e` un 555 non e` un buon progetto (IsidoroKZ)
Strumento per formule
Tool gratuito per chi sviluppa su millefori.
Tutti sanno che una cosa è impossibile da realizzare, finché arriva uno sprovveduto che non lo sa e la inventa. (A. Einstein)
Se non c'e` un 555 non e` un buon progetto (IsidoroKZ)
Strumento per formule
-

posta10100
5.550 4 10 13 - Master EY

- Messaggi: 4832
- Iscritto il: 5 nov 2006, 0:09
0
voti
Ho messo le resistenze di pull-up: ho guadagnato 200ns ma il risultato non cambia!
Vedrò di procurarmi un operazionale più veloce. Qualche consiglio?
Deve essere DIP e possibilmente non troppo costoso
Grazie!

Vedrò di procurarmi un operazionale più veloce. Qualche consiglio?
Deve essere DIP e possibilmente non troppo costoso
Grazie!

http://millefori.altervista.org
Tool gratuito per chi sviluppa su millefori.
Tutti sanno che una cosa è impossibile da realizzare, finché arriva uno sprovveduto che non lo sa e la inventa. (A. Einstein)
Se non c'e` un 555 non e` un buon progetto (IsidoroKZ)
Strumento per formule
Tool gratuito per chi sviluppa su millefori.
Tutti sanno che una cosa è impossibile da realizzare, finché arriva uno sprovveduto che non lo sa e la inventa. (A. Einstein)
Se non c'e` un 555 non e` un buon progetto (IsidoroKZ)
Strumento per formule
-

posta10100
5.550 4 10 13 - Master EY

- Messaggi: 4832
- Iscritto il: 5 nov 2006, 0:09
0
voti
Puoi postare le forme d'onda prese con oscilloscopio delle uscite di integratore e comparatore? e magari anche dell'amplificatore.
Per usare proficuamente un simulatore, bisogna sapere molta più elettronica di lui
Plug it in - it works better!
Il 555 sta all'elettronica come Arduino all'informatica! (entrambi loro malgrado)
Se volete risposte rispondete a tutte le mie domande
Plug it in - it works better!
Il 555 sta all'elettronica come Arduino all'informatica! (entrambi loro malgrado)
Se volete risposte rispondete a tutte le mie domande
0
voti
Non sarà impresa facile ma ci provo!
Il problema è collegare l'oscilloscopio al PC... sono troppo distanti!
Altrimenti faccio una foto!
Il problema è collegare l'oscilloscopio al PC... sono troppo distanti!
Altrimenti faccio una foto!
http://millefori.altervista.org
Tool gratuito per chi sviluppa su millefori.
Tutti sanno che una cosa è impossibile da realizzare, finché arriva uno sprovveduto che non lo sa e la inventa. (A. Einstein)
Se non c'e` un 555 non e` un buon progetto (IsidoroKZ)
Strumento per formule
Tool gratuito per chi sviluppa su millefori.
Tutti sanno che una cosa è impossibile da realizzare, finché arriva uno sprovveduto che non lo sa e la inventa. (A. Einstein)
Se non c'e` un 555 non e` un buon progetto (IsidoroKZ)
Strumento per formule
-

posta10100
5.550 4 10 13 - Master EY

- Messaggi: 4832
- Iscritto il: 5 nov 2006, 0:09
0
voti
IsidoroKZ ha scritto:Puoi postare le forme d'onda prese con oscilloscopio delle uscite di integratore e comparatore?
Aspetta, ora inizio a far confusione.
Stiamo parlando del circuito fatto esclusivamente con gli operazionali o di quello fatto con operazionali e comparatori?
http://millefori.altervista.org
Tool gratuito per chi sviluppa su millefori.
Tutti sanno che una cosa è impossibile da realizzare, finché arriva uno sprovveduto che non lo sa e la inventa. (A. Einstein)
Se non c'e` un 555 non e` un buon progetto (IsidoroKZ)
Strumento per formule
Tool gratuito per chi sviluppa su millefori.
Tutti sanno che una cosa è impossibile da realizzare, finché arriva uno sprovveduto che non lo sa e la inventa. (A. Einstein)
Se non c'e` un 555 non e` un buon progetto (IsidoroKZ)
Strumento per formule
-

posta10100
5.550 4 10 13 - Master EY

- Messaggi: 4832
- Iscritto il: 5 nov 2006, 0:09
0
voti
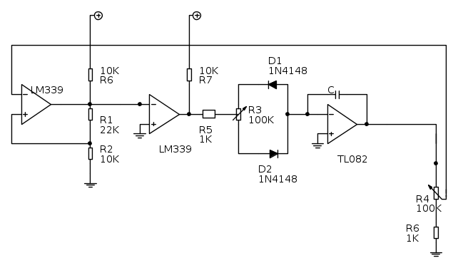
Il circuito sotto test è questo:
E i segnali sono questi:
In giallo l'uscita del comparatore al centro dello schema, in verde l'uscita dell'integratore.
E i segnali sono questi:
In giallo l'uscita del comparatore al centro dello schema, in verde l'uscita dell'integratore.
http://millefori.altervista.org
Tool gratuito per chi sviluppa su millefori.
Tutti sanno che una cosa è impossibile da realizzare, finché arriva uno sprovveduto che non lo sa e la inventa. (A. Einstein)
Se non c'e` un 555 non e` un buon progetto (IsidoroKZ)
Strumento per formule
Tool gratuito per chi sviluppa su millefori.
Tutti sanno che una cosa è impossibile da realizzare, finché arriva uno sprovveduto che non lo sa e la inventa. (A. Einstein)
Se non c'e` un 555 non e` un buon progetto (IsidoroKZ)
Strumento per formule
-

posta10100
5.550 4 10 13 - Master EY

- Messaggi: 4832
- Iscritto il: 5 nov 2006, 0:09
0
voti
I vecchi comparatori hanno tempi di salita lunghissimi, specie con R di pull up elevate. Li hai un tempo di discesa di 4us circa e di salita dell'ordine di svariate decine di microsecondi (e l'integratore satura).
Ci vuole un comparatore veloce senza pullup, oppure un operazionale ad alto slew rate, e ti accontenti di che cosa viene fuori
Ci vuole un comparatore veloce senza pullup, oppure un operazionale ad alto slew rate, e ti accontenti di che cosa viene fuori
Per usare proficuamente un simulatore, bisogna sapere molta più elettronica di lui
Plug it in - it works better!
Il 555 sta all'elettronica come Arduino all'informatica! (entrambi loro malgrado)
Se volete risposte rispondete a tutte le mie domande
Plug it in - it works better!
Il 555 sta all'elettronica come Arduino all'informatica! (entrambi loro malgrado)
Se volete risposte rispondete a tutte le mie domande
1
voti
Credo un altro problema sia il potenziometro R4...
le soglie del trigger di Smith (primo 339 a sinistra) valgono circa
allora si ha l'inversione di slope -da salita a discesa- quando la frazione di triangolo al cursore di R4 arriva a
...
ora se il cursore è "in alto" verso l'uscita dell'integratore si ha un triangolo di 8 Vpp... ma se sposto il cursore verso il basso dovrò ancora avere 8Vpp sul cursore ed a causa della partizione l'uscita dell'integratore dovrà aumentare... ma superato circa 1/3 di corsa del potenziometro quest'ultimo saturerà.
Not to mention che un potenziometro da 100kohm in un circuito "veloce" è fonte sicura di problemi... bastano pochi pF di capacità parassite per introdurre poli significativi...
Il tutto salvo errori ed omissioni...
le soglie del trigger di Smith (primo 339 a sinistra) valgono circa

allora si ha l'inversione di slope -da salita a discesa- quando la frazione di triangolo al cursore di R4 arriva a
... ora se il cursore è "in alto" verso l'uscita dell'integratore si ha un triangolo di 8 Vpp... ma se sposto il cursore verso il basso dovrò ancora avere 8Vpp sul cursore ed a causa della partizione l'uscita dell'integratore dovrà aumentare... ma superato circa 1/3 di corsa del potenziometro quest'ultimo saturerà.
Not to mention che un potenziometro da 100kohm in un circuito "veloce" è fonte sicura di problemi... bastano pochi pF di capacità parassite per introdurre poli significativi...
Il tutto salvo errori ed omissioni...
Se ti serve il valore di beta: hai sbagliato il progetto!
0
voti
Il problema delle soglie l'ho già affrontato sostituendo R1-R2 con un potenziometro ma ho dimenticato di riportarlo nello schema.
Se satura, correggo a mano...
Hai ragione, solo che inizialmente non volevo arrivare così in alto ma poi mi sono fatto prendere la mano!
Mi procuro dei potenziometri più piccoli! Grazie dell dritta!

Se satura, correggo a mano...
carloc ha scritto:Not to mention che un potenziometro da 100kohm in un circuito "veloce" è fonte sicura di problemi... bastano pochi pF di capacità parassite per introdurre poli significativi...
Hai ragione, solo che inizialmente non volevo arrivare così in alto ma poi mi sono fatto prendere la mano!
Mi procuro dei potenziometri più piccoli! Grazie dell dritta!

http://millefori.altervista.org
Tool gratuito per chi sviluppa su millefori.
Tutti sanno che una cosa è impossibile da realizzare, finché arriva uno sprovveduto che non lo sa e la inventa. (A. Einstein)
Se non c'e` un 555 non e` un buon progetto (IsidoroKZ)
Strumento per formule
Tool gratuito per chi sviluppa su millefori.
Tutti sanno che una cosa è impossibile da realizzare, finché arriva uno sprovveduto che non lo sa e la inventa. (A. Einstein)
Se non c'e` un 555 non e` un buon progetto (IsidoroKZ)
Strumento per formule
-

posta10100
5.550 4 10 13 - Master EY

- Messaggi: 4832
- Iscritto il: 5 nov 2006, 0:09
Chi c’è in linea
Visitano il forum: Nessuno e 80 ospiti

Elettrotecnica e non solo (admin)
Un gatto tra gli elettroni (IsidoroKZ)
Esperienza e simulazioni (g.schgor)
Moleskine di un idraulico (RenzoDF)
Il Blog di ElectroYou (webmaster)
Idee microcontrollate (TardoFreak)
PICcoli grandi PICMicro (Paolino)
Il blog elettrico di carloc (carloc)
DirtEYblooog (dirtydeeds)
Di tutto... un po' (jordan20)
AK47 (lillo)
Esperienze elettroniche (marco438)
Telecomunicazioni musicali (clavicordo)
Automazione ed Elettronica (gustavo)
Direttive per la sicurezza (ErnestoCappelletti)
EYnfo dall'Alaska (mir)
Apriamo il quadro! (attilio)
H7-25 (asdf)
Passione Elettrica (massimob)
Elettroni a spasso (guidob)
Bloguerra (guerra)

