Mar48,
un ottimo esempio di alimentatore a commutazione, detto anche switching,
lo puoi trovare in una discussione qui' su EY,
schema ed elenco componenti incluso(e l'autore e' proprio qui' !)
viewtopic.php?f=1&t=18622&start=0&st=0&sk=t&sd=a
se ti interessa questo schema di alimentatore switching
allora maggiori informazioni sono
sul sito della National sul datasheet del 317, a pag. 19 qui' (3A low cost switching regulator)
http://www.national.com/ds/LM/LM117.pdf
e la spiegazione sommaria del funzionamento dell'alimentatore switching con 317
si trova sempre sul sito della National, alle pag 3 e 4 della Application Note AN-181, qui'
http://www.national.com/an/AN/AN-181.pdf
esempi di realizzazione pratica dell'alimentatore switchig in oggetto
su bradboard si trovano qui'
http://www.camotruck.net/rollins/smp317.html
e qui invece un esempio dello stesso circuito realizzato disponendo in aria i componenti e
saldandoli a ... ragno
http://www.edaboard.co.uk/lm317-as-swit ... 73251.html
maggiori informazioni sui tipi di nuclei da utilizzare per la realizzazione di questo alimentatore
si trovano anche nei commenti qui
http://www.nuovaelettronica.it/prodotti ... itch-1-822
Alimentatore
Moderatori:
carloc,
g.schgor,
BrunoValente,
IsidoroKZ
0
voti
[12] Re: Alimentatore
mir ha scritto:pasciok ha scritto:Questo ad esempio è un alimentatore con i cavoli e controcavoli SWITCHING.Realizzato da una persona davanti alla quale gli switching si mettono sugli attenti.
http://infoportal.it/modules/AMS/articl ... toryid=153
cliccando nel link appare:
Non ti � permesso leggere Free articoli di questo tipo
ma mi è parso di capire che si tratti di come convertire un alimentatore ATX di un PC in un alimentatore da laboratorio, se è per questo non serve iscriversi in alcun sito, basta cercare et voilà alimentatore variabile da un ATX :
http://www.chirio.com/switching_power_supply_atx.htm
senza iscriversi, di libera consultazione come EY.....
pasciok ha scritto:Il link è visibile da registrati purtroppo. ma varrebbe al pena di vedere il progetto,ve lo assicuro.
e che avrà mai di tanto speciale, da doversi registrare per vederlo..
Non è come la conti mir,il progetto di Primok,quello linkato è uno dei tanti lavori progettati da zero e funzionanti al 100% Nulla a che vedere con chirio.
Poi se sei così contrario alla registrazione è un problema tuo.Io ribadisco che ne vale la pena.
5
voti
[13] Re: Alimentatore
Mar48 ha scritto:Non penso che ci siano dei circuiti che assorbono 3 ampere su 1,5 volt.Nel mio laboratorio ho un'alimentatore che ha una tensione variabile( non duale ) da 3 volt a 15 volt con una corrente di 2,2 -5 ampere (tramite selettore) e non si comporta come una stufetta, anzi per dire la verità ha più di 20 anni! Ci sarà un sistema di farci un buon alimentatore con questo trasformatore .
Forse a 1.5V no, ma a 5V ce ne sono molti! Inoltre non hai considerato che il tuo alimentatore ha un'escursione di tensione da 3 a 15V per cui, sicuramente, avra' un trasformatore che eroga 18/20V e non 35!
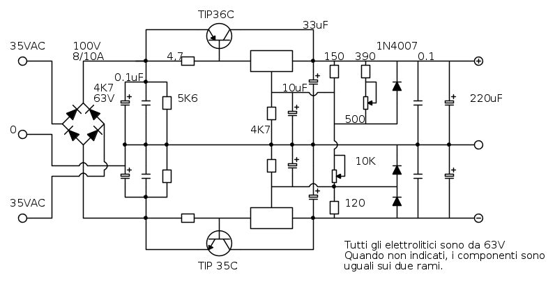
Comunque, come ti avevo promesso, di seguito hai uno schema di massima che potrebbe fare al caso tuo.
Non ho volutamente indicato la sigla dei due regolatori di tensione (in origine LM317/LM337) perche' simili integrati sopportano in ingresso la tensione massima di 40V e quindi non potrebbero funzionare nel tuo caso, avendo tu in ingresso 49V ( 35x1.41-1.4=49). Credo peraltro che ci sia un tipo del 317/337 - mi pare 337T/317T- che possono ricevere in entrata anche 50V. Purtroppo non ho il tempo di cercare e lascio a te questa incombenza. Per finali ho scelto la copppia TIP35C/TIP36C (al posto dei TIP33/34) che, pur essendo un po' sovradimensionati in potenza, garantiscono una dissipazioe di 125W. Con questo non voglio dire che l'alimentatore non scaldera'.
Ricorda ancora che, con quella tensione in ingresso, prelevando in uscita 30V a 3A la dissipazione e' di circa 60W e sale in progressione con il diminuire della tensione fino ad arrivare a 130/140W, prelevando 5V a 3A.
Dovrai quindi limitarti, per le basse tensioni ( diciamo da 1.2 fino a 15V), a correnti non superiori ad 1A.
Come gia accennato, i due transistor dovranno essere muniti di un robusto dissipatore di calore e, a seconda dell'uso che ne farai, anche da ventole.
Ciao
0
voti
[14] Re: Alimentatore
Anche qui ci sono preregolatori validi.
http://www.webalice.it/crapellavittorio ... prereg.htm
Che possono sempre essere utli
http://www.webalice.it/crapellavittorio ... prereg.htm
Che possono sempre essere utli
0
voti
[15] Re: Alimentatore
Un preregolatore come quello citato sarebbe l'ideale, ma come lo applichi ad un alimentatore duale, gia' complesso di per se e sempre che sia possibile, senza far diventare il tutto un'accozzaglia di componenti?
Il nostro amico ha detto di non essere esperto; non complicargli la vita!
Il nostro amico ha detto di non essere esperto; non complicargli la vita!
0
voti
[16] Re: Alimentatore
Mar48,
come gia' indicato più sopra, ecco la versione del regolatore 317HVT, che sopporta Vin Max = 60Vdc
http://www.national.com/ds/LM/LM117HV.pdf
Lo schema del "3A low cost switching regulator" è lo stesso del 317 ma su questo datasheet è a pag. 9.
come gia' indicato più sopra, ecco la versione del regolatore 317HVT, che sopporta Vin Max = 60Vdc
http://www.national.com/ds/LM/LM117HV.pdf
Lo schema del "3A low cost switching regulator" è lo stesso del 317 ma su questo datasheet è a pag. 9.
Technology has the shelf life of a banana
0
voti
[17] Re: Alimentatore
L'elenco dovrebbe essere cosi:
In ordine di apparizione
Ponte raddrizzatore: 100volt 10 ampere
C1=0,1 uf 63 volt
R1=5.660 ohm 1/2 w?
R2=4.700 ohm 1/2 w?
Tr1=tip36 c
Tr2=tip35 c
R3=4.700ohm 1/2 w?
C2=10uf 63volt
C3=33uf 63volt
R3=150 ohm 1/2w?
R4=390ohm 1/2 w?
R5 =500 ohm1/2 w potenziometro lineare?
D1 =1n4007
C4= 0,1uf 63 volt?
C5=220 uf 63Volt?
infine per il ramo negativo:
R1=10.000 ohm 1/2 w?
R2=120 ohm1/2w?
IC1 e IC2=Lm 117HV
Nel caso non riuscissi a trovare i due circuiti integrati dovro ridimensionare il trasformatore di entrata?
In ordine di apparizione
Ponte raddrizzatore: 100volt 10 ampere
C1=0,1 uf 63 volt
R1=5.660 ohm 1/2 w?
R2=4.700 ohm 1/2 w?
Tr1=tip36 c
Tr2=tip35 c
R3=4.700ohm 1/2 w?
C2=10uf 63volt
C3=33uf 63volt
R3=150 ohm 1/2w?
R4=390ohm 1/2 w?
R5 =500 ohm1/2 w potenziometro lineare?
D1 =1n4007
C4= 0,1uf 63 volt?
C5=220 uf 63Volt?
infine per il ramo negativo:
R1=10.000 ohm 1/2 w?
R2=120 ohm1/2w?
IC1 e IC2=Lm 117HV
Nel caso non riuscissi a trovare i due circuiti integrati dovro ridimensionare il trasformatore di entrata?
Ultima modifica di
Mar48 il 8 mag 2011, 14:40, modificato 1 volta in totale.
0
voti
[18] Re: Alimentatore
pasciok ha scritto:Non è come la conti mir,...
se volevi intedere, come la racconti,direi che io non racconto nulla, o meglio mi è parso di capire che il riferimento fosse quello di un'alimentatore ATX adattato/modificato ad utilizzo alimentatore variabile da banco ed ho indicato (non raccontato) una possibile alternativa,accessibile apertamente,questo perché non essendo registrato al sito che hai indicato,non ho potuto/voluto visualizzare le info relative, tutto qui.
pasciok ha scritto:...,il progetto di Primok,quello linkato è uno dei tanti lavori progettati da zero e funzionanti al 100% Nulla a che vedere con chirio.
non avendo visto il lavoro che hai citato, mi fido e non metto in dubbio la realizzazione, per il paragone con l'altro progetto, direi che non sono la persona adatta per giudicare, oltre il fatto che non mi interessa giudicare.
pasciok ha scritto:Poi se sei così contrario alla registrazione è un problema tuo.
che il problema sia mio è ceeto, ma ti garantisco che per me non è un problema, anzi ti dirò diffido sempre dei siti dove richiedono obbligatoriamente l'iscrizione,chissà perché la richiedono, è la domanda che mi pongo sempre.
, non avendo risposta certa..
pasciok ha scritto:Io ribadisco che ne vale la pena.
e non mi convinci,, ma non preoccuparti, è un problema mio.
ps. pasciok, ho quotato parti della tua risposta,per rispondere in maniera più chiara.
0
voti
[19] Re: Alimentatore
Premesso che sarebbe bene che questi battibecchi finiscano una volta per tutte ( e quando pasciok non c'era, guarda caso, cio' non accadeva quasi mai; ora e' cosa di tutti i giorni), veniamo al circuito in esame.
Non hai fatto attenzione alle note in fondo al disegno ed hai confuso qualche particolare (in parte e' colpa mia che ho scritto dove potevo per mancanza di spazio); alcune delle resistenze e condensatori sono doppi; vale a dire che ce ne vuole uno per il ramo positivo ed uno per quello negativo. Comunque, guardando lo schema e partendo da sinistra e dall'alto verso il basso, troviamo:
1. Ponte raddrizzatore 100V 8/10A (indicativo, vedi quello che trovi )
2. 2 Condensatori elettrolitici 4700uF 63V
3. 2 condensatori plastici o ceramici da 0.1uF (100V)
4. 2 resistenze da 5600 ohm 1/4W
5. 2 resistenze da 4,7ohm 1/2W
6. 2 resistenze da 4700 ohm 1/4W
7. 2 condensatori elettrolitici da 10uF 63V
8. 2 condensatori elettrolitici da 33uF 63V
9. 1 resistenza da 150 ohm 1/4W
10. 1 potenziometro da 10.000 ohm
11. 1 resistenza da 120 ohm 1/4W
12. 1 resistenza da 390 ohm 1/4W
13. trimmer da 500ohm
14. 3 diodi 1N4007
15. 2 condensatori plastici o ceramici da 0.1uF (100V)
16. 2 condensatori elettrolitici da 220uF 63V
17. Regolatori 317 e 337. (uno per tipo)
18. Transistor TIP35 e TIP 36 (uno per tipo)
Questo l'elenco completo dei componenti; ti servira' poi un dissipatore per i transistor con relative rondelle e miche isolanti e qualche connettore per i collegamenti.
Vedo che Urbano ha gia trovato i regolatori cui avevo accennato che, pero', non credo siano di facile reperibilita'. Penso dovresti rivolgerti a RS.
Per la tua ultima domanda, la risposta e' si. Con quella tensione in uscita dal trasformatore le cose si complicano non poco.
Alla fine poi, ti presento la parcella per il lavoro svolto.
Non hai fatto attenzione alle note in fondo al disegno ed hai confuso qualche particolare (in parte e' colpa mia che ho scritto dove potevo per mancanza di spazio); alcune delle resistenze e condensatori sono doppi; vale a dire che ce ne vuole uno per il ramo positivo ed uno per quello negativo. Comunque, guardando lo schema e partendo da sinistra e dall'alto verso il basso, troviamo:
1. Ponte raddrizzatore 100V 8/10A (indicativo, vedi quello che trovi )
2. 2 Condensatori elettrolitici 4700uF 63V
3. 2 condensatori plastici o ceramici da 0.1uF (100V)
4. 2 resistenze da 5600 ohm 1/4W
5. 2 resistenze da 4,7ohm 1/2W
6. 2 resistenze da 4700 ohm 1/4W
7. 2 condensatori elettrolitici da 10uF 63V
8. 2 condensatori elettrolitici da 33uF 63V
9. 1 resistenza da 150 ohm 1/4W
10. 1 potenziometro da 10.000 ohm
11. 1 resistenza da 120 ohm 1/4W
12. 1 resistenza da 390 ohm 1/4W
13. trimmer da 500ohm
14. 3 diodi 1N4007
15. 2 condensatori plastici o ceramici da 0.1uF (100V)
16. 2 condensatori elettrolitici da 220uF 63V
17. Regolatori 317 e 337. (uno per tipo)
18. Transistor TIP35 e TIP 36 (uno per tipo)
Questo l'elenco completo dei componenti; ti servira' poi un dissipatore per i transistor con relative rondelle e miche isolanti e qualche connettore per i collegamenti.
Vedo che Urbano ha gia trovato i regolatori cui avevo accennato che, pero', non credo siano di facile reperibilita'. Penso dovresti rivolgerti a RS.
Per la tua ultima domanda, la risposta e' si. Con quella tensione in uscita dal trasformatore le cose si complicano non poco.
Alla fine poi, ti presento la parcella per il lavoro svolto.
Chi c’è in linea
Visitano il forum: Google [Bot] e 57 ospiti

Elettrotecnica e non solo (admin)
Un gatto tra gli elettroni (IsidoroKZ)
Esperienza e simulazioni (g.schgor)
Moleskine di un idraulico (RenzoDF)
Il Blog di ElectroYou (webmaster)
Idee microcontrollate (TardoFreak)
PICcoli grandi PICMicro (Paolino)
Il blog elettrico di carloc (carloc)
DirtEYblooog (dirtydeeds)
Di tutto... un po' (jordan20)
AK47 (lillo)
Esperienze elettroniche (marco438)
Telecomunicazioni musicali (clavicordo)
Automazione ed Elettronica (gustavo)
Direttive per la sicurezza (ErnestoCappelletti)
EYnfo dall'Alaska (mir)
Apriamo il quadro! (attilio)
H7-25 (asdf)
Passione Elettrica (massimob)
Elettroni a spasso (guidob)
Bloguerra (guerra)






