Cos'è ElectroYou | Login Iscriviti

ElectroYou - la comunità dei professionisti del mondo elettrico

dot or no dot?(puntini si o no negli schemi?)

Elettronica lineare e digitale: didattica ed applicazioni

Moderatori: Foto Utentecarloc, Foto Utenteg.schgor, Foto UtenteBrunoValente, Foto UtenteIsidoroKZ

1
voti

[11] Re: dot or no dot?(puntini si o ne negli schemi?)

Messaggioda Foto UtenteRenzoDF » 21 mag 2011, 21:38

urbano ha scritto: nei messaggi 52, 53, 54 e 55 si indica di non utilizzare MAI negli schemi i punti di connessione, a meno di intersezione a croce dove ciò è necessario e richiesto.

Proprio cosi' , e direi che e' consigliato non metterlo nemmeno li, ma sfasare le connessioni per avere un doppio T come ha ricordato Isidoro, anche se io concordo con lui nel preferire "il punto" quando necessario!

Quoto quindi marco438 e Candy :ok:



Norme CEI 3-15 se non ricordo male ... e le Norme possono essere seguite o meno, lo sappiamo, uno puo' fare come vuole, ma se vogliamo fare uno schema "a regola d'arte", direi che e "consigliabile" seguirne le indicazioni.

urbano ha scritto: In altri schemi qui postati su altri messaggi si notano anche i ponticelli che scavalcano altri fili negli schemi, proprio per evidenziare che nell'incontro dei fili NON c'è connessione.

Orroreeeeee ... e il mio Anatema su chi usa i "cavallotti" ! :evil:

urbano ha scritto:Inoltre, personalmente sono rimasto fermo da molti anni alle poche regolette indicate da
Horowitz & Hill, The art of electronics che in un' appendice di 3 paginette dà alcuni suggerimenti
per disegnare gli schemi elettrici ...è proprio quella di disegnare SEMPRE i punti di intersezione quando servono!.

Le regole del Horowitz & Hill non fanno testo ... sono prive di ogni autorevolezza per la normativa grafica :!:

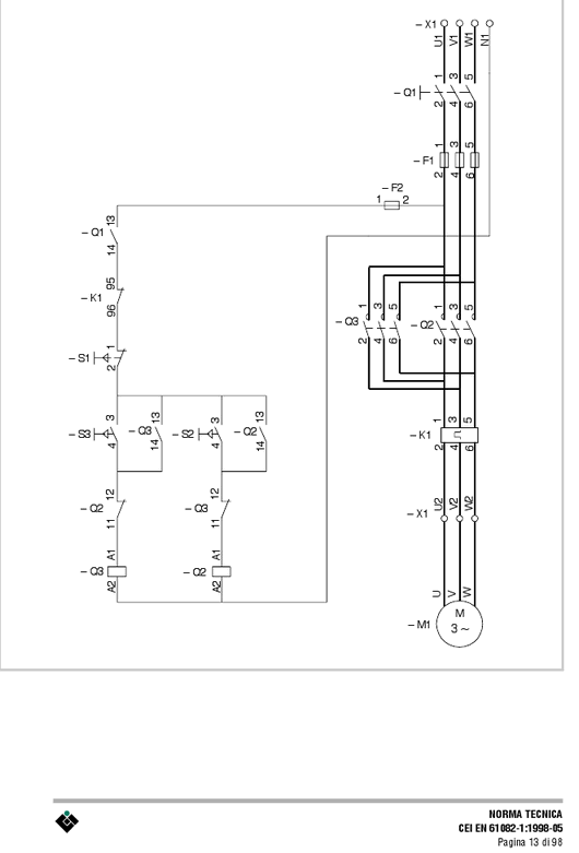
Non sto qui a fare le solite paginate di precisazioni, posto solo uno schema della CEI EN 61082-1 relativa alla "Preparazione di documenti utilizzati in elettrotecnica", che riassume in un esempio pratico il discorso ...
sperando che Raffaele Greco chiuda un occhio sulla violazione del CopyRight :mrgreen:

es1.png
es1.png (12.79 KiB) Osservato 3033 volte


... poi ognuno faccia come meglio crede ... ma non postatemi schemi con Paint ... per favore :D
"Il circuito ha sempre ragione" (Luigi Malesani)
Avatar utente
Foto UtenteRenzoDF
55,9k 8 12 13
G.Master EY
G.Master EY
 
Messaggi: 13189
Iscritto il: 4 ott 2008, 9:55

0
voti

[12] Re: dot or no dot?(puntini si o ne negli schemi?)

Messaggioda Foto Utentemir » 21 mag 2011, 21:52

sui punti di connessione sono d'accordo con marco e Candy, anche se qualche volta me ne scappa qualcuno di troppo,vecchia abitudine della vecchia scuola,permettendo a Renzo autorevoli correzzioni, concludendo i puntini solo quando servono. ;-)
Avatar utente
Foto Utentemir
66,0k 9 12 13
G.Master EY
G.Master EY
 
Messaggi: 21870
Iscritto il: 19 ago 2004, 21:10

1
voti

[13] Re: dot or no dot?(puntini si o ne negli schemi?)

Messaggioda Foto Utentecarloc » 21 mag 2011, 21:58

Mi scuserete... ma io stò con Horowitz.....pallino=>giunzione... no pallino=>no giunzione... anni e secoli di schemi fatti così non riesco a cancellarlmeli dalla testa... :mrgreen: :mrgreen:

Comunque sono d'accordo per "il rogo" dei cavallotti :ok:

Poi forse forse i pallini sono il problema minore... si vedono -anche qui purtroppo- grovigli indecifrabili... che mi verrebbe voglia di rispondere "Ti credo che non riesci a capirci niente...disegnalo così invece..."
Se ti serve il valore di beta: hai sbagliato il progetto!
Avatar utente
Foto Utentecarloc
33,8k 6 11 13
G.Master EY
G.Master EY
 
Messaggi: 2153
Iscritto il: 7 set 2010, 19:23

0
voti

[14] Re: dot or no dot?(puntini si o ne negli schemi?)

Messaggioda Foto UtenteRenzoDF » 21 mag 2011, 22:02

Come ricordano DirtyDeeds e mir, nemmeno io mi sarei mai sognato di non metterli nelle "Tavole" di Impianti quando frequentavo l'Istituto Tecnico ... il Prof. Maioni mi avrebbe "frustato" ... a "quei tempi" le regole erano diverse ... anche per i fusibili e gli interruttori :mrgreen:
"Il circuito ha sempre ragione" (Luigi Malesani)
Avatar utente
Foto UtenteRenzoDF
55,9k 8 12 13
G.Master EY
G.Master EY
 
Messaggi: 13189
Iscritto il: 4 ott 2008, 9:55

0
voti

[15] Re: dot or no dot?(puntini si o ne negli schemi?)

Messaggioda Foto UtenteDirtyDeeds » 21 mag 2011, 22:06

Ahimé, non ci sono più le regole di una volta!
It's a sin to write sin instead of \sin (Anonimo).
...'cos you know that cos ain't \cos, right?
You won't get a sexy tan if you write tan in lieu of \tan.
Take a log for a fireplace, but don't take log for \logarithm.
Avatar utente
Foto UtenteDirtyDeeds
55,9k 7 11 13
G.Master EY
G.Master EY
 
Messaggi: 7012
Iscritto il: 13 apr 2010, 16:13
Località: Somewhere in nowhere

0
voti

[16] Re: dot or no dot?(puntini si o ne negli schemi?)

Messaggioda Foto Utentemir » 21 mag 2011, 22:13

RenzoDF ha scritto:... a "quei tempi" le regole erano diverse ...

c'era la carta lucida e la china,non si poteva sbagliare..... 8-[
Avatar utente
Foto Utentemir
66,0k 9 12 13
G.Master EY
G.Master EY
 
Messaggi: 21870
Iscritto il: 19 ago 2004, 21:10

0
voti

[17] Re: dot or no dot?(puntini si o ne negli schemi?)

Messaggioda Foto Utentemovlw » 21 mag 2011, 22:14

Non per spirito di polemica ma per chiarire un vero problema molto infido sugli schemi disegnati senza pallini, faccio vedere due esempi pratici.

connessioni.gif
connessioni.gif (3.58 KiB) Osservato 2929 volte


Primo (A1-A2)
Succede spesso che due tracce ad angolo siano come in figura A1. Se nella manipolazione dello schema (anche con CAD puramente grafici come FidoCAD...) una delle due tracce di muove, sovrapponendosi ad un'altra come in figura A2, i pallini fanno la differenza. Questo perché se si utilizza la convenzione dei "pallini su ogni connessione", il circuito in A2 non passa la verifica avendo due pseudo-connessioni proibite, mentre se si utilizza la convenzione "pallini solo dove indispensabile", il circuito in A2 risulta perfettamente lecito anche se assolutamente errato.

Secondo (B1-B2)
Qui è rappresentato ciò che descrivevo nel mio messaggio precedente: se si accetta la convenzione rappresentata in B1, nel caso dello spostamento di una traccia si rischia di trovarsi nella situazione in B2 dove lo schema rappresenta un circuito diverso da quanto nell'intenzione del disegnatore. Adottando la convenzione "pallini su ogni connessione" la condizione in A1 non è ammessa e quindi l'errore non è più possibile.

Aggiungo uno stralcio di uno schema di piccola complessità ma con un minimo numero di incroci (tipico esempio dello schema di filatura all'interno di una macchina). Immaginatevi di lavorare su uno dei fili e di spostarlo di qualche posizione: cosa succederebbe se non ci fossero i pallini? La risposta è solo una: non sarebbe possibile sapere se lo schema è ancora valido oppure no.

Circuito.gif
Circuito.gif (107.96 KiB) Osservato 2930 volte
Avatar utente
Foto Utentemovlw
9 4
---
 
Messaggi: 120
Iscritto il: 11 mag 2011, 11:19

0
voti

[18] Re: dot or no dot?(puntini si o ne negli schemi?)

Messaggioda Foto Utenteurbano » 21 mag 2011, 22:22

30 anni fa quando ho preso questi appunti di elettronica (non usare i link imageshack ma solo rapidshare)

viewtopic.php?f=1&t=25594

non potevo proprio mancare neanche un pallino e non potevo mettere neanche un cavallotto :?

Pena un bel 3 rifilato all'istante ?%

Era esattamente cosi' che
si dovevano usare pallini e
non usare i cavallotti :D

Ma ora sono proprio cambiate le regole dei pallini :shock:

Però noto che i cavallotti non sono ben visti neanche oggi, e se ho inteso bene....proprio non ammessi .
Ultima modifica di Foto Utenteurbano il 21 mag 2011, 22:38, modificato 1 volta in totale.
Technology has the shelf life of a banana
Avatar utente
Foto Utenteurbano
368 3 4
Frequentatore
Frequentatore
 
Messaggi: 294
Iscritto il: 21 lug 2010, 18:13

0
voti

[19] Re: dot or no dot?(puntini si o ne negli schemi?)

Messaggioda Foto Utentemovlw » 21 mag 2011, 22:38

Sono molto perplesso:

Motorola
National Semiconductor
Philips
ST
Analog Devices
Microchip
Micro Maren
Mitsubishi
NEC
Cypress Semiconducto
IR
EEC
Xilinx
AVR
IR
Maxim
Quicklogic
Telefunken
Ramtron
Comlinear
Micro Power System
ISS
Matra

Tutti questi costruttori, dico TUTTI adottano la convenzione del pallino su tutte le connessioni... come si può pensare di remare contro?
Avatar utente
Foto Utentemovlw
9 4
---
 
Messaggi: 120
Iscritto il: 11 mag 2011, 11:19

0
voti

[20] Re: dot or no dot?(puntini si o ne negli schemi?)

Messaggioda Foto Utenteurbano » 21 mag 2011, 22:41

Certo che si può, per me, perché sono tutte aziende multinazionali(anche la ST).

Bisognerebbe vedere gli schemi di un'azienda nostrana, solo italiana, che so.....Mivar ?

Esiste ancora ?
Technology has the shelf life of a banana
Avatar utente
Foto Utenteurbano
368 3 4
Frequentatore
Frequentatore
 
Messaggi: 294
Iscritto il: 21 lug 2010, 18:13

PrecedenteProssimo

Torna a Elettronica generale

Chi c’è in linea

Visitano il forum: Nessuno e 71 ospiti