caricare batteria al piombo 12 volt da auto
Moderatori:
carloc,
g.schgor,
BrunoValente,
IsidoroKZ
41 messaggi
• Pagina 2 di 5 • 1, 2, 3, 4, 5
0
voti
La cosa più semplice è usare un alimentatore da notebook con uscita tra i 16 e i 20 V. In serie devi porre un LM317 configurato per avere in uscita 13,8V e ancora in serie una resistenza da 6,8 Ohm e 1 Watt di potenza.
In questo modo ottieni la corrente giusta e se lasci la batteria sotto carica non fa nulla.
Si ricaricherà in alcune ore (circa 12 per averla ben carica; ma nelle prime 5 sarà già all'80%).
Per curiosità, cosa devi farci con questa batteria?
Tieni presente che le batterie al piombo vanno ricaricate subito dopo l'uso e conservate sempre cariche, altrimenti si rovinano in pochissimi mesi.
Inoltre le batterie non vanno MAI caricate al chiuso (ad esempio nell'abitacolo dell'auto) in quanto sviluppano idrogeno (che è esplosivo) che si può accumulare in un ambiente chiuso.
In questo modo ottieni la corrente giusta e se lasci la batteria sotto carica non fa nulla.
Si ricaricherà in alcune ore (circa 12 per averla ben carica; ma nelle prime 5 sarà già all'80%).
Per curiosità, cosa devi farci con questa batteria?
Tieni presente che le batterie al piombo vanno ricaricate subito dopo l'uso e conservate sempre cariche, altrimenti si rovinano in pochissimi mesi.
Inoltre le batterie non vanno MAI caricate al chiuso (ad esempio nell'abitacolo dell'auto) in quanto sviluppano idrogeno (che è esplosivo) che si può accumulare in un ambiente chiuso.
Ultima modifica di
davi82 il 24 giu 2011, 0:18, modificato 1 volta in totale.
1
voti
LM317 + resistenza? Non è una bella soluzione.
E' meglio usare un L200 con il quale, oltre ad avere un' ottima regolazione della tensione, riesci a fare un vera limitazione in corrente.
E' meglio usare un L200 con il quale, oltre ad avere un' ottima regolazione della tensione, riesci a fare un vera limitazione in corrente.
"La follia sta nel fare sempre la stessa cosa aspettandosi risultati diversi".
"Parla soltanto quando sei sicuro che quello che dirai è più bello del silenzio".
Rispondere è cortesia, ma lasciare l'ultima parola ai cretini è arte.
"Parla soltanto quando sei sicuro che quello che dirai è più bello del silenzio".
Rispondere è cortesia, ma lasciare l'ultima parola ai cretini è arte.
-

TardoFreak
73,9k 8 12 13 - -EY Legend-

- Messaggi: 15754
- Iscritto il: 16 dic 2009, 11:10
- Località: Torino - 3° pianeta del Sistema Solare
0
voti
Visto che si era partiti per una soluzione "semplice" LM317+resistenza è un'eccellente soluzione. Peraltro molto ma molto più facile da trovare ovunque piuttosto che un L200.
Chiaro che L200 è perfetto.
Chiaro che L200 è perfetto.
0
voti
Peraltro, visto che la corrente necessaria è esigua, se lo trovassi a minor prezzo, puoi anche usare un semplice adattatore DC-DC che porta la 12V sempre a 16-20V, a volte ne esistono di economici da circa 1A di corrente.
0
voti
Se ti serve uno schema, chiedi pure.
Però non configurare l'LM317 come un semplice regolatore di corrente come scritto in un precedente post: la tensione risultante dall'alimentatore del notebook è troppo elevata e, se lasci la batteria attaccata appena finita la carica, questa si rovinerà.
Però non configurare l'LM317 come un semplice regolatore di corrente come scritto in un precedente post: la tensione risultante dall'alimentatore del notebook è troppo elevata e, se lasci la batteria attaccata appena finita la carica, questa si rovinerà.
0
voti
I miei suggerimenti precedenti riguardavano un sistema pratico e veloce da realizzare senza troppi problemi ne' ho specificato quale dovesse essere la tensione d'uscita dell'alimentatore (era solo uno tra molti che ho trovato in rete).
Se, al contrario, Sampei e' intenzionato a realizzare qualcosa di veramente valido, e' da prendere in seria considerazione il suggerimento di
TardoFreak che quoto in pieno. (L200)
Se poi ci dovessero essere problemi nel reperimento del componente, si potrebbe adottare la soluzione(piu' complicata) dei due LM 317; uno configurato come regolatore in corrente, seguito da un secondo come regolatore di tensione.

Se, al contrario, Sampei e' intenzionato a realizzare qualcosa di veramente valido, e' da prendere in seria considerazione il suggerimento di
Se poi ci dovessero essere problemi nel reperimento del componente, si potrebbe adottare la soluzione(piu' complicata) dei due LM 317; uno configurato come regolatore in corrente, seguito da un secondo come regolatore di tensione.

marco
2
voti
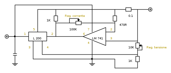
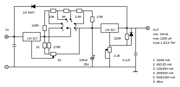
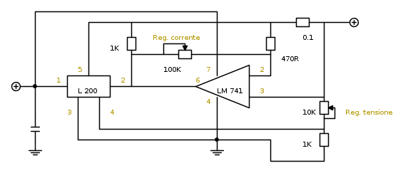
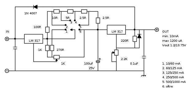
Visto che li avevo gia' fatti e perche' Sampei si faccia un'idea, allego i due schemi di cui ho parlato
Soluzione con L200, come da datasheet:
Soluzione con 2 LM317:
Le misure in tensione e corrente indicate sono approssimative e dipendenti dalla tolleranza dei componenti.

Soluzione con L200, come da datasheet:
Soluzione con 2 LM317:
Le misure in tensione e corrente indicate sono approssimative e dipendenti dalla tolleranza dei componenti.

marco
41 messaggi
• Pagina 2 di 5 • 1, 2, 3, 4, 5
Chi c’è in linea
Visitano il forum: Nessuno e 154 ospiti

Elettrotecnica e non solo (admin)
Un gatto tra gli elettroni (IsidoroKZ)
Esperienza e simulazioni (g.schgor)
Moleskine di un idraulico (RenzoDF)
Il Blog di ElectroYou (webmaster)
Idee microcontrollate (TardoFreak)
PICcoli grandi PICMicro (Paolino)
Il blog elettrico di carloc (carloc)
DirtEYblooog (dirtydeeds)
Di tutto... un po' (jordan20)
AK47 (lillo)
Esperienze elettroniche (marco438)
Telecomunicazioni musicali (clavicordo)
Automazione ed Elettronica (gustavo)
Direttive per la sicurezza (ErnestoCappelletti)
EYnfo dall'Alaska (mir)
Apriamo il quadro! (attilio)
H7-25 (asdf)
Passione Elettrica (massimob)
Elettroni a spasso (guidob)
Bloguerra (guerra)





