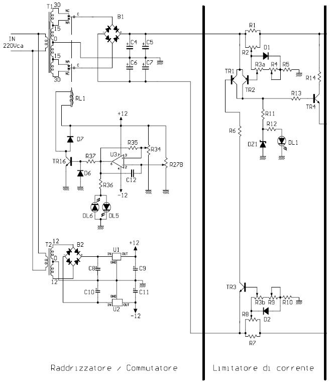
Il progetto con lm317; si potrebbe fare due canali, per avere anche due alimentazioni separatamente regolabili. Ma credo non sia prevista la limitazione di corrente. Ora vedo però lo schema che hai appena postato.
Grazie mille

Moderatori:
carloc,
g.schgor,
BrunoValente,
IsidoroKZ


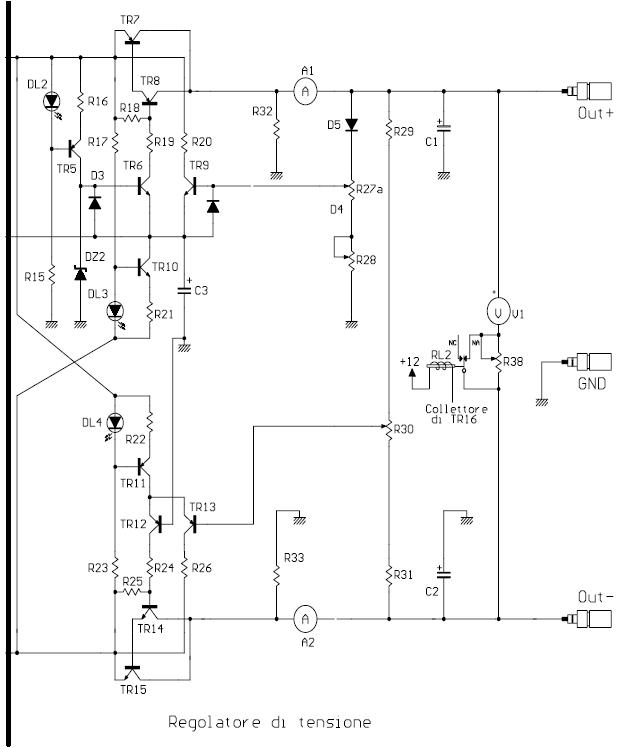
TONYSTARK ha scritto:Unico punto è che il voltmetro misura la tensione tra le linee; mi chiedo se non fosse meglio avere due voltmetri linea neutro?


Visitano il forum: Nessuno e 83 ospiti