ok, capito!
stavo tentando di simulare virtualmente il circuito con Qucs ma mi mancano una marea di componenti elettronici... possibile che non ci sia nemmeno l'orologio??? proverò a inserirli manualmente (manca anche il mosfet con quelle caratteristiche purtroppo...)
idee su come realizzare un circuito per illuminazione a led
Moderatori:
carloc,
g.schgor,
BrunoValente,
IsidoroKZ
50 messaggi
• Pagina 2 di 5 • 1, 2, 3, 4, 5
0
voti
Lascia perdere i simulatori: per usarli in modo utile bisogna sapere piu` elettronica di loro! Hai detto che non sei un esperto ma solo un principiante, un simulatore fa solo perdere tempo.
I led rossi verdi e blu quando li accendi e spegni?
I led rossi verdi e blu quando li accendi e spegni?
Per usare proficuamente un simulatore, bisogna sapere molta più elettronica di lui
Plug it in - it works better!
Il 555 sta all'elettronica come Arduino all'informatica! (entrambi loro malgrado)
Se volete risposte rispondete a tutte le mie domande
Plug it in - it works better!
Il 555 sta all'elettronica come Arduino all'informatica! (entrambi loro malgrado)
Se volete risposte rispondete a tutte le mie domande
0
voti
si, son un principiante che ha avuto un'infarinatura d'elettronica all'università.. ma niente di che!
per i simulatori allora mi fido...infatti ho visto che chiede delle cose che, neanche volendo, so dove andar a trovare!!!
i led rossi, verdi e blu si dovrebbero accendere con l'ultimo gruppo di led bianchi! può andar bene anche dopo questi..
per i simulatori allora mi fido...infatti ho visto che chiede delle cose che, neanche volendo, so dove andar a trovare!!!
i led rossi, verdi e blu si dovrebbero accendere con l'ultimo gruppo di led bianchi! può andar bene anche dopo questi..
0
voti
Il circuito che ho proposto per la prova
era già stato da me simulato con Mocrocap9.
Con V1=12V e V2 impulsiva (ON da 0.1 a 3s)
Ed ecco i risultati:
Come si vede dalla traccia rossa (corrente
in R1, con scala raddoppiata) risulta
un fade-in ed un fade-out di ca 1/2s.
E' però chiaro che solo una prova effettiva può
permettere di giudicare l'effetto luminoso.
era già stato da me simulato con Mocrocap9.
Con V1=12V e V2 impulsiva (ON da 0.1 a 3s)
Ed ecco i risultati:
Come si vede dalla traccia rossa (corrente
in R1, con scala raddoppiata) risulta
un fade-in ed un fade-out di ca 1/2s.
E' però chiaro che solo una prova effettiva può
permettere di giudicare l'effetto luminoso.
0
voti
Se metti un condensatore in parallelo a R2 in modo che il partitore capacitivo che risulta faccia passare un gradino sul gate di ampiezza circa uguale alla tensione di soglia del MOS riduci di molto il ritardo di accensione e spegnimento.
Ad esempio se V2 e` un gradino di 12V e la soglia del MOS e` di 4V, con un condensatore da 47uF dovrebbe annullarsi il ritardo.
Se poi
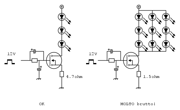
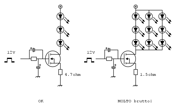
crokman mette la resistenza sul source, l'accensione e` ancora piu` graduale, perche' viene ridotta la transconduttanza del MOS, ma c'e` il problema che volendo accendere tre serie alla volta, le serie di led vengono in parallelo secco, e cio` non e` per nulla bello.
Ad esempio se V2 e` un gradino di 12V e la soglia del MOS e` di 4V, con un condensatore da 47uF dovrebbe annullarsi il ritardo.
Se poi
Per usare proficuamente un simulatore, bisogna sapere molta più elettronica di lui
Plug it in - it works better!
Il 555 sta all'elettronica come Arduino all'informatica! (entrambi loro malgrado)
Se volete risposte rispondete a tutte le mie domande
Plug it in - it works better!
Il 555 sta all'elettronica come Arduino all'informatica! (entrambi loro malgrado)
Se volete risposte rispondete a tutte le mie domande
0
voti
Non mi sono preoccupato del "ritardo" introdotto
(le accensioni e gli spegnimenti devono poi essere
ulteriormente ritardati), ma l'inconveniente introdotto
dal secondo condensatore è l'annullamento del fade-out.
(le accensioni e gli spegnimenti devono poi essere
ulteriormente ritardati), ma l'inconveniente introdotto
dal secondo condensatore è l'annullamento del fade-out.
0
voti
Dovrebbe esserci lo stesso: il gradino di 12V passando per il partitore capacitivo da` 8V sul gate, ancora piu` che sufficienti a tenere il MOS in conduzione.
Non e` che nella simulazione hai usato tempi di ON e OFF troppo corti e la rete sul gate non e` andata a regime? Questo e` quello che ottengo: la curva verde e` con la resistenza di limitazione di corrente sul drain, quella azzurra con la resistenza sul source.
Non e` che nella simulazione hai usato tempi di ON e OFF troppo corti e la rete sul gate non e` andata a regime? Questo e` quello che ottengo: la curva verde e` con la resistenza di limitazione di corrente sul drain, quella azzurra con la resistenza sul source.
Per usare proficuamente un simulatore, bisogna sapere molta più elettronica di lui
Plug it in - it works better!
Il 555 sta all'elettronica come Arduino all'informatica! (entrambi loro malgrado)
Se volete risposte rispondete a tutte le mie domande
Plug it in - it works better!
Il 555 sta all'elettronica come Arduino all'informatica! (entrambi loro malgrado)
Se volete risposte rispondete a tutte le mie domande
0
voti
Sì, in realtà avevo considerato un impulso di 8V
per 3s, ma per andare a regime occorre superare i 10s
(oltre i quali si ottiene anche il fade-out).
per 3s, ma per andare a regime occorre superare i 10s
(oltre i quali si ottiene anche il fade-out).
0
voti
....non c'ho capito tantissimo ma qualcosina son riuscito a comprendere!
a me interesserebbe che i 33 blocchi di led si accendano in circa 1ora, stessa cosa per lo spegnimento... quindi, a conti fatti, se si dividono i 60 minuti per le 33 unità, mi servirebbe un fading di circa 2 minuti a gruppo...
che ne dite, ci se la fa ad ottenere una cosa simile?
ovvero in 2 minuti il primo gruppo di led arriva alla max intensità e, diciamo che magari 30 sec prima si inizino ad accendere i successivi e così via... stesso procedimento alla rovescia per spegnere le luci...
oppure un procedimento che comunque mi dia un fading simile...
a me interesserebbe che i 33 blocchi di led si accendano in circa 1ora, stessa cosa per lo spegnimento... quindi, a conti fatti, se si dividono i 60 minuti per le 33 unità, mi servirebbe un fading di circa 2 minuti a gruppo...
che ne dite, ci se la fa ad ottenere una cosa simile?
ovvero in 2 minuti il primo gruppo di led arriva alla max intensità e, diciamo che magari 30 sec prima si inizino ad accendere i successivi e così via... stesso procedimento alla rovescia per spegnere le luci...
oppure un procedimento che comunque mi dia un fading simile...
0
voti
Ma i gruppi non erano solo 11, ciascuno formato da 3 stringhe in parallelo?
Per usare proficuamente un simulatore, bisogna sapere molta più elettronica di lui
Plug it in - it works better!
Il 555 sta all'elettronica come Arduino all'informatica! (entrambi loro malgrado)
Se volete risposte rispondete a tutte le mie domande
Plug it in - it works better!
Il 555 sta all'elettronica come Arduino all'informatica! (entrambi loro malgrado)
Se volete risposte rispondete a tutte le mie domande
50 messaggi
• Pagina 2 di 5 • 1, 2, 3, 4, 5
Chi c’è in linea
Visitano il forum: Nessuno e 69 ospiti

Elettrotecnica e non solo (admin)
Un gatto tra gli elettroni (IsidoroKZ)
Esperienza e simulazioni (g.schgor)
Moleskine di un idraulico (RenzoDF)
Il Blog di ElectroYou (webmaster)
Idee microcontrollate (TardoFreak)
PICcoli grandi PICMicro (Paolino)
Il blog elettrico di carloc (carloc)
DirtEYblooog (dirtydeeds)
Di tutto... un po' (jordan20)
AK47 (lillo)
Esperienze elettroniche (marco438)
Telecomunicazioni musicali (clavicordo)
Automazione ed Elettronica (gustavo)
Direttive per la sicurezza (ErnestoCappelletti)
EYnfo dall'Alaska (mir)
Apriamo il quadro! (attilio)
H7-25 (asdf)
Passione Elettrica (massimob)
Elettroni a spasso (guidob)
Bloguerra (guerra)



