Direi che il trigger deve essere preso dal comando del relè
(la temporizzazione deve partire solo quando questo è eccitato
ed arrestarsi se questo viene diseccitato)
Ti pregherei inoltre di usare Fidocad, in modo che possiamo
facilmente apportare eventuali correzioni.
centralina passo passo con timer auto off
Moderatori:
carloc,
g.schgor,
BrunoValente,
IsidoroKZ
0
voti
0
voti
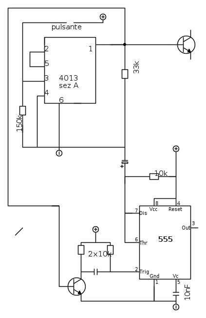
Verso le basi dei transistor ci vanno delle resistenze
limitatrici delle correnti che pilotano le basi stesse.
Ed ora l'uscita del 555 deva dare un breve impulso
positivo alla fine della temporizzazione che
resetti il 4013
limitatrici delle correnti che pilotano le basi stesse.
Ed ora l'uscita del 555 deva dare un breve impulso
positivo alla fine della temporizzazione che
resetti il 4013
Chi c’è in linea
Visitano il forum: Majestic-12 [Bot] e 48 ospiti

Elettrotecnica e non solo (admin)
Un gatto tra gli elettroni (IsidoroKZ)
Esperienza e simulazioni (g.schgor)
Moleskine di un idraulico (RenzoDF)
Il Blog di ElectroYou (webmaster)
Idee microcontrollate (TardoFreak)
PICcoli grandi PICMicro (Paolino)
Il blog elettrico di carloc (carloc)
DirtEYblooog (dirtydeeds)
Di tutto... un po' (jordan20)
AK47 (lillo)
Esperienze elettroniche (marco438)
Telecomunicazioni musicali (clavicordo)
Automazione ed Elettronica (gustavo)
Direttive per la sicurezza (ErnestoCappelletti)
EYnfo dall'Alaska (mir)
Apriamo il quadro! (attilio)
H7-25 (asdf)
Passione Elettrica (massimob)
Elettroni a spasso (guidob)
Bloguerra (guerra)



