TONYSTARK ha scritto:Non mi convince tantissimo il corto tra i due canali... ma potrebbe andare.
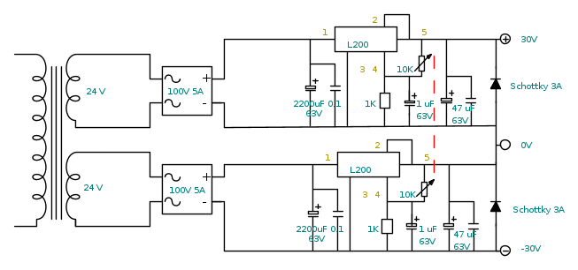
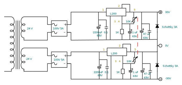
SE i secondari sono isolati, puo` funzionare. Si fa in fretta a verificare la separazione dei secondari con un ohmetro.
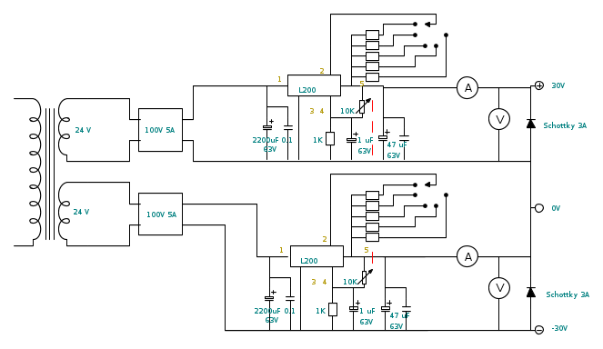
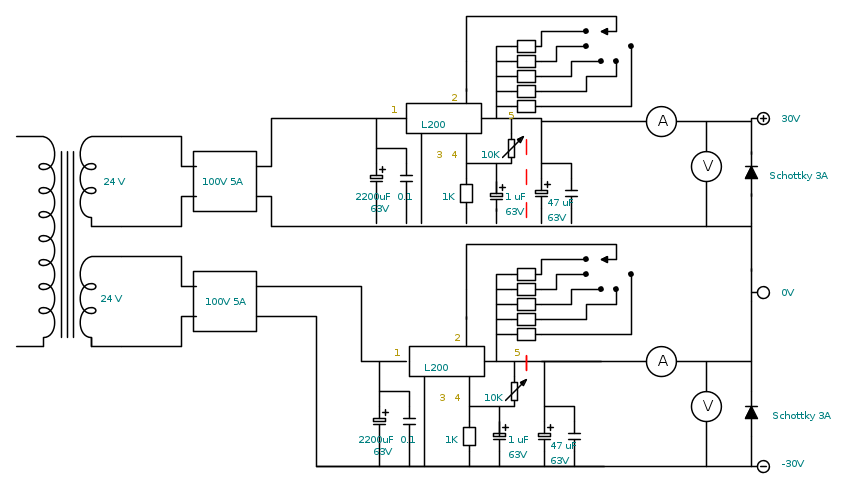
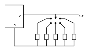
I diodi in antiparallelo sono in figura:
Meglio se sono degli Schottky da 3A. Servono a proteggere gli integrati se si fa un corto fra uscita positiva e negativa.
La tensione dopo i ponti viene di una trentina di volt abbondanti, quindi tieni presente che la massima corrente erogabile a bassa tensione e` limitata dalla protezione termica e dalla SOA protection dell'integrato. Vedi figura 3 del datasheet.

Elettrotecnica e non solo (admin)
Un gatto tra gli elettroni (IsidoroKZ)
Esperienza e simulazioni (g.schgor)
Moleskine di un idraulico (RenzoDF)
Il Blog di ElectroYou (webmaster)
Idee microcontrollate (TardoFreak)
PICcoli grandi PICMicro (Paolino)
Il blog elettrico di carloc (carloc)
DirtEYblooog (dirtydeeds)
Di tutto... un po' (jordan20)
AK47 (lillo)
Esperienze elettroniche (marco438)
Telecomunicazioni musicali (clavicordo)
Automazione ed Elettronica (gustavo)
Direttive per la sicurezza (ErnestoCappelletti)
EYnfo dall'Alaska (mir)
Apriamo il quadro! (attilio)
H7-25 (asdf)
Passione Elettrica (massimob)
Elettroni a spasso (guidob)
Bloguerra (guerra)











, allora i valori sono in
per le resistenze e
per le correnti.