da
davidde » 20 dic 2011, 13:56
IsidoroKZ grazie anche a te

!
Purtroppo il valore dell'induttanza parassita non riesco a misurarlo. Lo "strumento" che ho già fa fatica con i µH. Mi sa tanto che il valore riportato dal datasheet (<10nH) sia più affidabile.
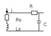
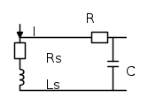
Ripensando però alla misura che devo fare posso salire con il valore dello shunt senza compromettere troppo il valore di corrente massima che scorre nel carico. Se ad esempio utilizzo uno shunt da 0,2ohm e aggiungo resistenza e condensatore per compensare gli effetti dell'induttanza parassita potrei risparmiarmi la misura a quattro fili?
IsidoroKZ ha scritto:... Dovresti vedere degli spike sui fronti.
Sì, gli spike li vedo e come, stando a quanto vedo dagli oscillogrammi la corrente in quei transitori supererebbe i 100A.