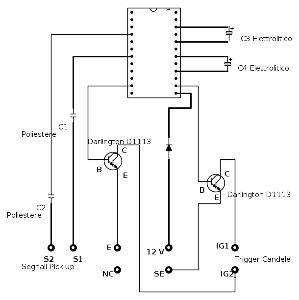
Lo schema non è molto chiaro, per i seguenti motivi:
- Le linee che si incrociano: se si toccano, devi mettere una connessione, oppure fare un giro diverso
- Mancano le indicazioni sul significato dei terminali SE, E ed NC; dove vanno?
- Ci vorrebbero i valori dei condensatori se leggibili.
In ogni caso, ho rivisto lo schema facendolo più chiaro (per me, almeno)
Concordo con te che FidoCadJ è figo, nonostante questo, non hai idea di quanto bisogna tribolare per farlo usare a certi utenti (pochi, fortunatamente).
Equivalenza Darlington NPN e MOSFET
Moderatori:
carloc,
g.schgor,
BrunoValente,
IsidoroKZ
34 messaggi
• Pagina 2 di 4 • 1, 2, 3, 4
0
voti
Purtroppo i valori dei condensatori non sono leggibili, però, credo che i due elettrolitici siano grandicelli, credo forse un 100uF.
I connettori SE ed E sono allo stesso potenziale: è il riferimento del circuito, mentre, NC non è connesso a nulla.
Credo abbiano usato un connettore con un polo in più che poi non hanno utilizzato per quel modello.
Praticamente, SE ed E sono i cavi che fanno "massa" sul telaio e sono il polo negativo della batteria di 12V.
Mi scuso per le linee che si incrociano, volevo trovare il simbolo dell'archetto in modo da rendere più chiaro lo schema, ma non sono riuscito a recuperarlo e le ho lasciate così conscio del fatto che avrebbero causato problemi di lettura, fortunatamente, hai rivisto lo schema in maniera perfetta. Ti ringrazio.
Più di così non riesco a fornire informazioni perché è tutto resinato.
Partivo dall'assunto che, sostituendo i due darlington con due componenti con simili caratteristiche non ci sarebbero stati problemi né a monte né a valle del circuito; per il resto, non ho la possibilità di testare l'integrato perché non so che algoritmo usa e non ne conosco nemmeno il tipo, sfortunatamente.
Il componente che mi ha fornito il rivenditore è sbagliato? Mi conviene optare con quelli consigliati qualche post più sopra?
I connettori SE ed E sono allo stesso potenziale: è il riferimento del circuito, mentre, NC non è connesso a nulla.
Credo abbiano usato un connettore con un polo in più che poi non hanno utilizzato per quel modello.
Praticamente, SE ed E sono i cavi che fanno "massa" sul telaio e sono il polo negativo della batteria di 12V.
Mi scuso per le linee che si incrociano, volevo trovare il simbolo dell'archetto in modo da rendere più chiaro lo schema, ma non sono riuscito a recuperarlo e le ho lasciate così conscio del fatto che avrebbero causato problemi di lettura, fortunatamente, hai rivisto lo schema in maniera perfetta. Ti ringrazio.
Più di così non riesco a fornire informazioni perché è tutto resinato.
Partivo dall'assunto che, sostituendo i due darlington con due componenti con simili caratteristiche non ci sarebbero stati problemi né a monte né a valle del circuito; per il resto, non ho la possibilità di testare l'integrato perché non so che algoritmo usa e non ne conosco nemmeno il tipo, sfortunatamente.
Il componente che mi ha fornito il rivenditore è sbagliato? Mi conviene optare con quelli consigliati qualche post più sopra?
-

marcusbarnet
19 2 - New entry

- Messaggi: 94
- Iscritto il: 12 dic 2011, 21:54
0
voti
marcusbarnet ha scritto:I connettori SE ed E sono allo stesso potenziale: è il riferimento del circuito, mentre, NC non è connesso a nulla. [...]Praticamente, SE ed E sono i cavi che fanno "massa" sul telaio e sono il polo negativo della batteria di 12 V.
Nel frattempo, osservando il circuito, avevo subodorato che fosse così, ma vedo che confermi...
Partivo dall'assunto che, sostituendo i due darlington con due componenti con simili caratteristiche non ci sarebbero stati problemi né a monte né a valle del circuito; per il resto, non ho la possibilità di testare l'integrato perché non so che algoritmo usa e non ne conosco nemmeno il tipo, sfortunatamente.
Anche io sono dell'idea che due darlington con caratteristiche simili possano andare bene, putroppo non sono molto esperto e potrei toppare; prova a dare un'occhiata al sito STM dove puoi restringere la ricerca in base ai parametri del componente, forse trovi qualcosa che possa sostituire i due darlington confrontando i parametri con il datasheet che avevi messo nel link.
A proposito, come hai effettuato la verifica dei due darlington?
Il componente che mi ha fornito il rivenditore è sbagliato? Mi conviene optare con quelli consigliati qualche post più sopra?
Il venditore ti ha dato un MOSFET; a me sembra che nel circuito, i darlington lavorino come interruttori mandando a massa il trigger delle candele (motore bicilindrico, immagino), quindi forse il mosfet funziona lo stesso ma preferisco che sia qualcuno più esperto (
0
voti
Ciao. Rispondo perché sono stato taggato da
alev.
Per sapere se puoi mettere un MOSFET (come interruttore) bisognerebbe sapere che IC è quello che pilota i transistori (se è stato riportato me lo sono perso, rileggerò) per sapere se la
è sufficiente. Inoltre la corrente
sopportata dal transistore deve rientrare nel consumo del carico.
Ciao
Per sapere se puoi mettere un MOSFET (come interruttore) bisognerebbe sapere che IC è quello che pilota i transistori (se è stato riportato me lo sono perso, rileggerò) per sapere se la
è sufficiente. Inoltre la corrente
sopportata dal transistore deve rientrare nel consumo del carico.Ciao
0
voti
marcusbarnet ha scritto:L'integrato ha un codice stampato sopra ma, anche qui, non si riesce a leggere.
Peccato. Disponi di un tester per misurare la tensione
sui piedini ai quali collegheresti i transistori?0
voti
Hai provato a cercare via rete il modello del motore per trovare questo schema? Che motore è?


Per usare un simulatore devi conoscere più elettronica di lui. [
IsidoroKZ]
40. There are two ways to write error-free programs; only the third one works.
[Alan J. Perlis, Epigrams on Programming]
40. There are two ways to write error-free programs; only the third one works.
[Alan J. Perlis, Epigrams on Programming]
0
voti
Certo senza avere uno schema su cui basarsi, la risposta e' difficile.
Che il Mosfet possa svolgere la stessa funzione e' possibile ma per nulla certo.
Il darlington che stai cercando e' comunque reperibile qui.
In mancanza di altri pareri e sperando che la causa del malfunzionamento sia dovuto solo a quello, l'unica soluzione pratica e' provarne la sostituzione.
Auguri.
Che il Mosfet possa svolgere la stessa funzione e' possibile ma per nulla certo.
Il darlington che stai cercando e' comunque reperibile qui.
In mancanza di altri pareri e sperando che la causa del malfunzionamento sia dovuto solo a quello, l'unica soluzione pratica e' provarne la sostituzione.
Auguri.
marco
34 messaggi
• Pagina 2 di 4 • 1, 2, 3, 4
Chi c’è in linea
Visitano il forum: Nessuno e 159 ospiti

Elettrotecnica e non solo (admin)
Un gatto tra gli elettroni (IsidoroKZ)
Esperienza e simulazioni (g.schgor)
Moleskine di un idraulico (RenzoDF)
Il Blog di ElectroYou (webmaster)
Idee microcontrollate (TardoFreak)
PICcoli grandi PICMicro (Paolino)
Il blog elettrico di carloc (carloc)
DirtEYblooog (dirtydeeds)
Di tutto... un po' (jordan20)
AK47 (lillo)
Esperienze elettroniche (marco438)
Telecomunicazioni musicali (clavicordo)
Automazione ed Elettronica (gustavo)
Direttive per la sicurezza (ErnestoCappelletti)
EYnfo dall'Alaska (mir)
Apriamo il quadro! (attilio)
H7-25 (asdf)
Passione Elettrica (massimob)
Elettroni a spasso (guidob)
Bloguerra (guerra)






