Bisogna prima risolvere la questione trasformatore.
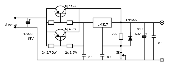
Io, per correnti elevate e quando ne ho bisogno, utilizzo questo vecchio schema ampiamente collaudato:
Valuta se puo' andare bene per quanto ti necessita; altrimenti vediamo qualcos'altro.
Realizzare un alimentatore variabile 1-30V da laboratorio
Moderatori:
carloc,
g.schgor,
BrunoValente,
IsidoroKZ
0
voti
grazie marco,ma tu mi consigli di utilizzare una sola uscita,oppure tutte e due e quindi utilizzando due diodi invece del ponte?
0
voti
Se vuoi adoperare quel trasformatore io userei una sola uscita a 27V; diversamente la tensione diverrebbe troppo elevata per il regolatore e per l'insieme stesso, che si troverebbe a dissipare il doppio sui finali.
marco
0
voti
ok...ma così sfrutterò appieno il trasformatore?
0
voti
Mi sembra di averti gia' spiegato che con quel trasformatore non si va lontano ne con una che con due uscite.
Se vuoi un alimentatore efficiente, ti serve un trasformatore adatto alle correnti e tensioni che vuoi ottenere.
Mia nonna diceva in questi casi che "non si possono fare le nozze con i fichi secchi"
Se vuoi un alimentatore efficiente, ti serve un trasformatore adatto alle correnti e tensioni che vuoi ottenere.
Mia nonna diceva in questi casi che "non si possono fare le nozze con i fichi secchi"
marco
0
voti
nnykky ha scritto:utilizzare una sola uscita,oppure tutte e due e quindi utilizzando due diodi invece del ponte?
Visto che hai già un secondario con presa centrale, tanto vale che usi due diodi invece del ponte. Non aumenterai la corrente, ma distribuirai meglio il riscaldamento del secondario, risparmierai due diodi e avrai una caduta di tensione totale sui diodi di 0,7 V anzichè 1,4 V...
La presa centrale potrà diventare per esempio il negativo, e i due diodi raddrizzatori sugli estremi ti daranno due singole semionde positive che unite ti daranno l'agognata doppia semionda...
Poi, come dice Marco
marco438 ha scritto:Per ottenere il massimo bisognerebbe mettere le due uscite a 27V in parallelo ma questa soluzione non sempre è possibile e spesso sconsigliata.
Per cui mi sa che se non cambi trasformatore dovrai accontentarti di una corrente non tanto alta... ma di esperimenti anche con un alimentatore con poca corrente puoi farne comunque tanti... tutto dipende da ciò che vuoi fare.

0
voti
Usando il raddrizzatore a presa centrale puo` tirare fuori dal trasformatore piu` corrente rispetto al caso di un solo secondario con ponte di Graetz.
Aspettiamo di conoscere la massa del trasfo e la tipologia per fare una stima della potenza e quindi della corrente.
Aspettiamo di conoscere la massa del trasfo e la tipologia per fare una stima della potenza e quindi della corrente.
Per usare proficuamente un simulatore, bisogna sapere molta più elettronica di lui
Plug it in - it works better!
Il 555 sta all'elettronica come Arduino all'informatica! (entrambi loro malgrado)
Se volete risposte rispondete a tutte le mie domande
Plug it in - it works better!
Il 555 sta all'elettronica come Arduino all'informatica! (entrambi loro malgrado)
Se volete risposte rispondete a tutte le mie domande
0
voti
marco non riesco bene a capire il valore delle resistenze vicino agli MJ...
0
voti
salve isidoro,grazie...grazie anche a te guido...
0
voti
Sono due (una per transistor) da 2.7 ohm 5W e due da 1 ohm 5W.
Perche' non fornisci i dati richiesti del trasformatore?
Perche' non fornisci i dati richiesti del trasformatore?
marco
Chi c’è in linea
Visitano il forum: Nessuno e 51 ospiti

Elettrotecnica e non solo (admin)
Un gatto tra gli elettroni (IsidoroKZ)
Esperienza e simulazioni (g.schgor)
Moleskine di un idraulico (RenzoDF)
Il Blog di ElectroYou (webmaster)
Idee microcontrollate (TardoFreak)
PICcoli grandi PICMicro (Paolino)
Il blog elettrico di carloc (carloc)
DirtEYblooog (dirtydeeds)
Di tutto... un po' (jordan20)
AK47 (lillo)
Esperienze elettroniche (marco438)
Telecomunicazioni musicali (clavicordo)
Automazione ed Elettronica (gustavo)
Direttive per la sicurezza (ErnestoCappelletti)
EYnfo dall'Alaska (mir)
Apriamo il quadro! (attilio)
H7-25 (asdf)
Passione Elettrica (massimob)
Elettroni a spasso (guidob)
Bloguerra (guerra)





