Cos'è ElectroYou | Login Iscriviti

ElectroYou - la comunità dei professionisti del mondo elettrico

Contagiri a LED

Elettronica lineare e digitale: didattica ed applicazioni

Moderatori: Foto Utentecarloc, Foto Utenteg.schgor, Foto UtenteBrunoValente, Foto UtenteIsidoroKZ

0
voti

[11] Re: Contagiri a LED

Messaggioda Foto UtentePioz » 12 apr 2012, 23:33

Il segnale non viene direttamente dalla candela perche è un sistema di accensione particolare...c'è una centralina apposita che crea un segnale di trigger, sulla base di quello della candela, onda quadra 12V.

Per quanto riguarda la tua idea:
-Siccome diciamo che la parte dei led è un po' "variabile" (volevo infatti apposta usare una 1000fori perché magari un giorno voglio aggiungere un uscita led intermedia aggiungedo 2 transistor e faccendo le 2 modifiche al circuito)
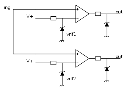
-per comparatori intendi una cosa del genere(manca la retroazione per regolare l'amplificazione,ma comunque devo ancora vederlo, siamo ancora fermi alla misura dello slew rate e correnti di ingresso!!):


Sarebbe ottima come idea :ok: ma non so se sia più conveniente, vista un po' la "variabilità" del circuito
O_/ Lorenzo
Avatar utente
Foto UtentePioz
629 4 8
Expert
Expert
 
Messaggi: 568
Iscritto il: 11 ago 2011, 21:56

0
voti

[12] Re: Contagiri a LED

Messaggioda Foto Utentebelva87 » 12 apr 2012, 23:50

Pioz ha scritto:Il segnale non viene direttamente dalla candela perche è un sistema di accensione particolare...c'è una centralina apposita che crea un segnale di trigger, sulla base di quello della candela, onda quadra 12 V.


C'è da capire o meglio verificare se il segnale è esattamente quello che ti interessa, cioè ad ogni scoppio hai un impulso o meno. Puoi verificarlo con un oscilloscopio? Serve anche per capire la tempistica dell'impulso, il tipo e altre cosette da non sottovalutare.

Per comparatore intendo integrato tipo LM393 pagina 9.

Per la variabilità del circuito a led... secondo me dipende da cosa pensi che nel futuro possa variare, di certo è che la parte che più ti interessa ed è fondamentale è ilconvertitore frequenza/tensione, che una volta fatto resta il punto fermo da cui partire per il pilotaggio dei led, per come la vedo io..... farei due circuiti separati collegati da un connettore, il quale porta la tensione generata dal convertitore frequenza/tensione al circuito di pilotaggio driver, a questo punto se vuoi variare il pilotaggio, stacchi il connettore, progetti un nuovo pilotaggio e amen.
Avatar utente
Foto Utentebelva87
2.292 2 6 12
free expert
 
Messaggi: 1323
Iscritto il: 9 mag 2011, 15:01

0
voti

[13] Re: Contagiri a LED

Messaggioda Foto UtentePioz » 13 apr 2012, 0:07

Allora intanto la questione della frequenza impulsi.
Il motore è un V8 4tempi che ha 4 combustioni per ogni giro motore, quindi 4 impulsi candela.
Il convertitore converte ogni impulso candela in 1 impulso trigger. Quindi 4 impulsi trigger/giro motore

Il motore lavora al massimo a 8000-8500 RPM, ma può avere dei picchi anche a 10000(nel caso si rompesse qualcosa e il motore andasse fuori giri)

Quindi da un calcolo:
frequenza massima=8000/60*4 (in condizioni normali)=533Hz

poi non so bisogna tenere in considerazione la frequenza massima massima oppure quella massima in cui voglio lavorare...

Per quanto riguarda l'uso dei comparatori:
Come circuito lo ritieni più semplice di questo sia per quanto riguarda progettazione che per quanto riguarda sborglio e roba varia? perché non mi hai ancora convinto...Ci sono altri svantaggi nell uso del driver?
Avatar utente
Foto UtentePioz
629 4 8
Expert
Expert
 
Messaggi: 568
Iscritto il: 11 ago 2011, 21:56

0
voti

[14] Re: Contagiri a LED

Messaggioda Foto UtentePioz » 13 apr 2012, 0:23

Però adesso che ci sto pensando, avrei 4 uscite disponibili usando 2 integrati, le tensioni sarebbero create da un partitore a 3 o 4 resistenze facile da realizzare e da tarare...Mmmm #-o
Quasi quasi mi hai convinto, vista anche la praticità del cambio driver in base all'uso!
Se hai tempo prova a mettere giù uno schema o senno domani mi cimento io, visto che mi sono fatto un idea. La parte di pilotaggio a MOS però non saprei come intendi farla, forse realizzando un comparatore invertente comandando un deplation?

Grazie O_/
Avatar utente
Foto UtentePioz
629 4 8
Expert
Expert
 
Messaggi: 568
Iscritto il: 11 ago 2011, 21:56

0
voti

[15] Re: Contagiri a LED

Messaggioda Foto Utentebelva87 » 13 apr 2012, 0:37

Pioz ha scritto:Il motore lavora al massimo a 8000-8500 RPM, ma può avere dei picchi anche a 10000(nel caso si rompesse qualcosa e il motore andasse fuori giri)


10000 giri fuori giri non ci deve andare, se rompi qualcosa i giri calano, non aumentano :roll:
partendo dal pressupposto mio, e credo il tuo motore e portafoglio siano del mio stesso avviso, fuorigiri il motore non ci deve andare, considera 8500 giri la minuti come massimo regime...

Altra cosa, la durata dell'impulso generato dal circuito ( 1 ogni 4 scoppi, che fanno un giro di albero a collo d'oca, se non ho capito male ) è costante o varia al variare del numero di giri? questo è importante da sapere, sopratutto sapere il valore massimo e minimo per la progettazione dello stadio convertitore f/v.

Pioz ha scritto:Quindi da un calcolo: frequenza massima=8000/60*4 (in condizioni normali)=533Hz


Questo non mi torna, se facciamo 8500/60 sappiamo quanti giri abbiamo al secondo, perciò se abbiamo un impulso di trigger generato dal circuito per ogni giro, perché moltiplichi per 4 ?? magari hai ragione tu ma è l'ora, se sbaglio chiedo scusa in anticipo, vengo da una giornata piena di parolacce per smontare la testata della mia macchina...


Pioz ha scritto:Per quanto riguarda l'uso dei comparatori:Come circuito lo ritieni più semplice di questo sia per quanto riguarda progettazione che per quanto riguarda sborglio e roba varia? perché non mi hai ancora convinto...Ci sono altri svantaggi nell uso del driver?


Il driver ha lo svantaggio dello sbroglio, se si può definire svantaggio, è più complesso indubbiamente e ciò non è buono sopratutto in circuiti del tipo che "di rogne ne hanno già parecchie di loro", per esperienza...
Perciò ho pensato, perché tutto quel popò di roba quando con i comparatori è molto più semplice, infondo allo status attuale ti basta un comando del tipo on off, non graduale o "a punto". Se un giorno ti servirà, puoi sempre metterlo in un secondo momento, questo però ripeto, dipende da quello che vuoi fare tu ora, di certo è che prevedere una feature di sviluppo successiva è abbastanza semplice in questo caso.

Il pilotaggio a mosfet è molto semplice, con il collettore del comparatore tramite opportuna rsistenza di pullp si pilota il mosfet di tipo N, a cui drain "attacchi" il tuo carico. Perdona la svogliatezza, dopo questo post vado a dormire, se ti interessa semai vediamo di fare qualche schema che rende più chiara la cosa.

Nel frattempo che decidi per il pilotaggio leggiti il datasheet del convertitore f/v... il resto è "facile".
Avatar utente
Foto Utentebelva87
2.292 2 6 12
free expert
 
Messaggi: 1323
Iscritto il: 9 mag 2011, 15:01

0
voti

[16] Re: Contagiri a LED

Messaggioda Foto Utentebelva87 » 13 apr 2012, 0:43

Vedo ora il tuo messaggio, secondo me.... bastano il convertitore FV, e i comparatori... per avere un controllo di tipo on/off sui led. Però ripeto dipende da quello che vuoi ora, di sicuro è che in futuro se vuoi cambiare modo di "visualizzazione" parti sempre da una tensione che è generata dal convertitore f/v...

Poi è chiaro puoi farlo come ti pare, questa è la mia personale opinione.

Non capisco quando dici:
Pioz ha scritto: La parte di pilotaggio a MOS però non saprei come intendi farla, forse realizzando un comparatore invertente comandando un deplation?


PS: considera che i comparatori puoi farli anche "bruschi" se ti servono, o anche a finestra... e ne puoi mettere "quanti ne vuoi" a seguire la tensione del convertitore f/v.

PPS: lo scopo del circuito? commerciale o non? tranquillo non ti suona la finanza a casa, solo curiosità

O_/ Luca.
Avatar utente
Foto Utentebelva87
2.292 2 6 12
free expert
 
Messaggi: 1323
Iscritto il: 9 mag 2011, 15:01

0
voti

[17] Re: Contagiri a LED

Messaggioda Foto Utentebelva87 » 13 apr 2012, 9:53

Ho riletto il post a mente fresca... probabilmente ho capito male il funzionamento della tua centralina di accensione. Ieri avevo capito che 4 impulsi candela fanno un giro d'albero motore, e che la centralina fornisse in uscita un segnale ogni 4 impulsi candela, perciò diciamo che per ogni giro motore abbiamo un segnale di trigger.
Ora invece ho capito che per ogni impulso candela la centralina fornisce un segnale di trigger, è corretto?? Se si questo spiegherebbe il tuo moltiplicare per 4 nella formula del calcolo della frequenza, ma non ho ancora la certezza di questo, fammi luce in merito grazie...

A parte questa cosa serve da sapere:

1-se ti va bene l'idea a comparatori,
2-se il segnale di trigger ha durata costante con il variare del regime di rotazione oppure no?
3-conoscere il tempo di ON di tale segnale, se varia con il regime del motore conoscere il minimo e massimo tempo di ON
4-conoscere lo "swing" del segnale, per ora sappiamo che arriva massimo a 12V ma non se parte da 0V...
5-il segnale fornito dalla centralina è "pulito" o no? intendo dire presenta spike di tensione o rumore elevato?
6-l'alimentazione del circuito che stai aggiungendo tu è presa dalla batteria dell'auto, o comunque dal suo impianto elettrico, oppure è alimentato esternamente da un'altra batteria o da un altro modo??
I punti 2 3 4 5 li verifichi con un oscilloscopio, il 6 è conseguenza dei punti precedenti perché basta "vedere" il segnale. Quando verifichi ciò è importante che lo fai a motore caldo e a diversi regimi di rotazione, ad esempio fai una misura al minimo, due misure intermedie e una al massimo regime (qualcosa meno va bene lo stess).

Ti faccio lo schema in Fidocad per il controllo a mosfet previa breve spiegazione.
Sostanzialmente è un normalissimo controllo on/off di tipo elettronico, concettualmente puoi vedere il mosfet come un relè. Il terminale di Gate del mosfet puoi vederlo come la bobina del relè che "tira" il contatto, il contatto del relè puoi associarlo al Drain e il Source del mosfet, quando piloti il Gate tra Drain e Source scorre corrente come il il contatto del relè... nella realtà la cosa è diversa ma è per farti capire il concetto, diciamo che macroscopicamente parlando le cose vanno così...



Non ho verificato la logica del funzionamento, potrebbe servirti un comparatore invertito. Non è presente l'isteresi per semplificare il circuito.Il comparatore 393 "esce" a collettore aperto...
Avatar utente
Foto Utentebelva87
2.292 2 6 12
free expert
 
Messaggi: 1323
Iscritto il: 9 mag 2011, 15:01

0
voti

[18] Re: Contagiri a LED

Messaggioda Foto UtentePioz » 13 apr 2012, 15:05

Ciao Luca.
Per fuori giri in caso di rottura intendevo nel caso ci fossero rotture nella trasmissione (come è già successo) che hanno fatto uscire la marcia facendo girare il motore a vuoto.

Ti dico intanto che i comparatori mi hanno convinto.

Poi confermo quello che hai detto nell'ultimo messaggio per quanto riguarda la centralina. 1impulso di trigger ogni impulso candela, quindi 4 impulsi trigger per ogni giro motore.

Il trigger è un onda quadra 12V con duty-cycle del 50%, quindi la durata dell'impulso varia si al variare della frequenza ma proprio perché varia la frequenza.
Ti copio quelli che mi ha scritto l'assistenza della centralina via mail quando ho chiesto le caratteristiche del segnale(posso sempre chiedere altre info comq):
Hello Lorenzo,

The Auto Meter 9118 will produce a 12v square wave and the same frequency/PPR as a standard tach signal. For an 8 cylinder engine, in most cases it will be a 4PPR signal. The target duty cycle is 50%. Let me know if I can assist you with anything else.
PPR=pulse per revolution(impulsi al giro)
Mi hai però creato il dubbio sullo swing e sul rumore...

Il tON e OFF si possono ricavare dalla frequenza di regime:

Es a 100Hz
T=1/100=10ms
tON=tOFF=5ms

A meno che non mi abbiano preso in giro nella mail.
Ora però devo andare via...Gli altri chiarimenti te li do appena posso.
Intanto grazie!
O_/
Avatar utente
Foto UtentePioz
629 4 8
Expert
Expert
 
Messaggi: 568
Iscritto il: 11 ago 2011, 21:56

0
voti

[19] Re: Contagiri a LED

Messaggioda Foto UtentePioz » 13 apr 2012, 19:55

L'uso del circuto è a scopo personale, o meglio è per il team di cui faccio parte...ma niente uso commerciale intanto..
Per il discorso che riguarda il segnale di trigger è un problema verificarlo: primo perche non ho un oscilloscopio a portata e secondo perche essendo motori da gara l'accensione viene fatta in cari prima delle gare o al termine dei lavori di manutenzione. Potrei chiedere alla casa produttrice della centralina oppure per essere sicuri non basterebbe triggerare il segnale con un trigger di schmit? almeno elimini spikes e disturbi in teoria

L'alimentazione è presa dalla batteria, pero la batteria fa funzionare solo la parte elettrica(praticamente contagiri e qualche led, e la cicala della retro) e non è collegata a nessun alternatore ma viene caricata a parte...
Avatar utente
Foto UtentePioz
629 4 8
Expert
Expert
 
Messaggi: 568
Iscritto il: 11 ago 2011, 21:56

0
voti

[20] Re: Contagiri a LED

Messaggioda Foto Utentebelva87 » 13 apr 2012, 21:41

Pioz ha scritto:Per il discorso che riguarda il segnale di trigger è un problema verificarlo...

Sarebbe il caso di verificare per sicurezza...il circuito è abbastanza importante direi..o almeno suppongo..

Pioz ha scritto:...oppure per essere sicuri non basterebbe triggerare il segnale con un trigger di schmit? almeno elimini spikes e disturbi in teoria

Il trigger può andare bene, ma potrebbe essere "sprecato"... bisogna "vedere il segnale" per decidere, potrebbe essere sufficiente un semplice filtro RC in ingresso al convertitore F/V, in effetti è questa l'idea che mi èra passata in mente... Inoltre per usare il trigger serve sapere se lo swing è full range, cioè da 0V a 12V oppure no in modo da impostare la soglia di lavoro trigger...per sapere questo può bastare una telefonata o una email come hai già fatto. Inoltre la soluzione a Trigger ha i suoi vantaggi ma svantaggi... tutto da valutare insomma, dipende dal segnale della centralina, dal costo di quello che stai facendo, dalla complessità e dall'uso e non infine l'affidabilità...

Pioz ha scritto:L'alimentazione è presa dalla batteria, pero la batteria fa funzionare solo la parte elettrica..

E questa è una ottima cosa...

All post 18 dici:
Pioz ha scritto:Il trigger è un onda quadra 12 V con duty-cycle del 50%, quindi la durata dell'impulso varia si al variare della frequenza ma proprio perché varia la frequenza.


Se il dutycicle è 50% significa che Ton = Toff, che sommati danno T chiamato periodo, da quel che dici se varia Ton, varia di conseguenza, e della stessa quantità, anche Toff perché la frequenza varia... tutto se abbiamo capito bene dall'email, se hanno detto il vero... ecc ecc... direi che prima di andare avanti dovresti verificare con un oscilloscopio effettivamete "cosa e come" fa la centralina di cui disponi e basare il progetto su una cosa misurata e sperimentata... quando è possibile è sempre bene farlo, fammi sapere se riesci.
Al limite se proprio non riesci, prova a chiedere altro materiale ai tuoi fornitori.

Intanto ti metto lo schema a blocchi del circuito, poi direi che in una prima fase di sperimentazione si può fare a mille fori o addirittura a breadboard (più comoda almeno per me), poi però meglio fare una PCB per come la vedo io o rifare un'ottima filatura su millefori dopo le opportune modifiche e del primo prototipo. Infine mettere un po' di lacca protettiva sui fili e sui componenti ed eventualmente se le sollecitazioni meccaniche sono elevate (e credo lo siano se la macchina è da gara) mettere della colla a caldo nella filatura e tra i componenti critici per evitare che si stacchino le saldature, ma queste cose vengono dopo...
Per la soluzione a breeadboard se non hai a disposizione un motore, o comunque per semplificare all'inizio, ti serve un generatore di segnale con dutycicle fisso al 50% e frequenza variabile dal minimo al massimo e... un oscilloscopio :mrgreen:

Schema a blocchi:


Il filtro RC va impiegato se il segnale fornito dalla centralina è "sporco", in ogni caso prevedere una resistenza e un condensatore non è uno sforzo e un costo estremo...

Il buffer è "facoltativo", dipende da quanti comparatori devi collegare a seguito del convertitore F/V. A spanne, senza calcoli e ad "esperienza" direi che fino a 2 LM393 (cioè 4 comparatori) non dovresti averne bisogno, ma in ogni caso è da verificare.

A= Stadio comparatore con isteresi
B=Stadio finale di pilotaggio del carico a mosfet

Effettivamente si potrebbe interporre un ulteriore stadio tra la centralina e il tuo circuito che serve per isolare elettricamente i due circuiti, si può fare con un fotoaccoppiatore... diciamo che è un'ulteriore sicurezza, ma ha anche i suoi svantaggi... se l'uso non è commerciale io lo tralascerei.

O_/ Luca.
Avatar utente
Foto Utentebelva87
2.292 2 6 12
free expert
 
Messaggi: 1323
Iscritto il: 9 mag 2011, 15:01

PrecedenteProssimo

Torna a Elettronica generale

Chi c’è in linea

Visitano il forum: Nessuno e 90 ospiti