edit gohan: USA IL TASTO RISPONDI
Me lo potresti spiegare con pin dell'integrato e dove va il pulsante di up/down?
CD 4093 (C-mos)
Moderatori:
carloc,
g.schgor,
BrunoValente,
IsidoroKZ
0
voti
[11] Re: CD 4093 (C-mos)
-

carlomusumeci
353 5 7 - Sostenitore

- Messaggi: 526
- Iscritto il: 8 apr 2011, 0:35
0
voti
[12] Re: CD 4093 (C-mos)
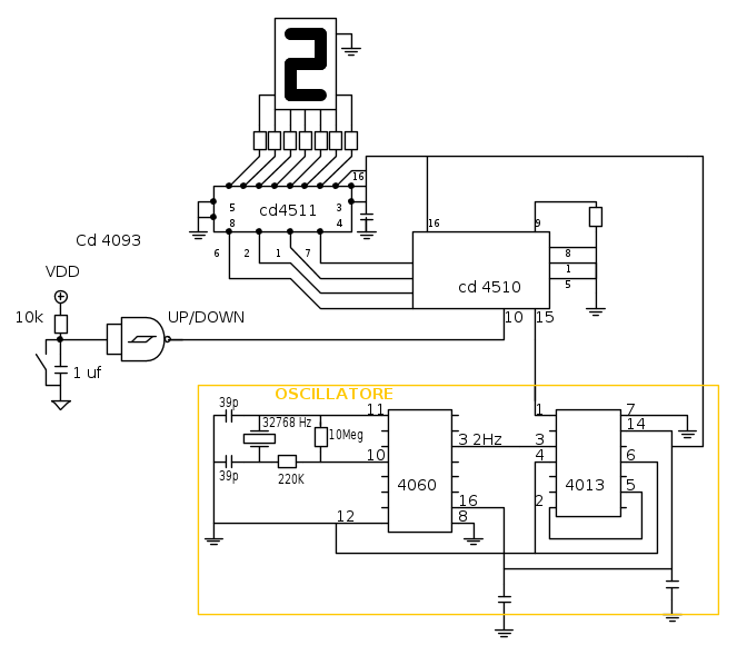
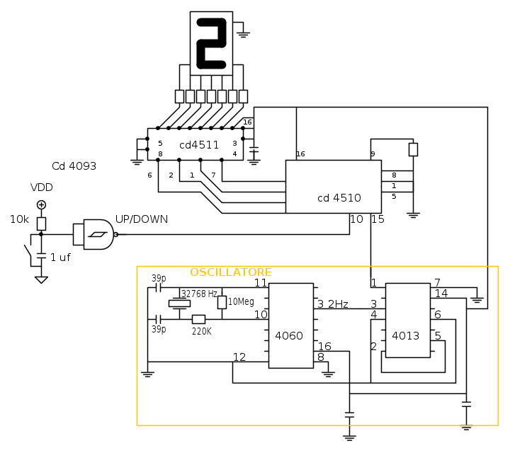
Il primo schema postato è per l'UP-DOWN, l'ultimo è l'oscillatore che puoi fare con il 4093 (ma li osservi gli schemi ?).
Se vuoi "fermare" l'oscillatore metti una R di pull-down (4k7) sul pin di CLK ed un jumper in serie con quest'ultimo e l'ouput dell'oscillatore, in modo da interrompere il conteggio manualmente.
Usa il tasto rispondi per non duplicare il forum, o cita solo la parte di testo interessata.
Grazie.

Se vuoi "fermare" l'oscillatore metti una R di pull-down (4k7) sul pin di CLK ed un jumper in serie con quest'ultimo e l'ouput dell'oscillatore, in modo da interrompere il conteggio manualmente.
Usa il tasto rispondi per non duplicare il forum, o cita solo la parte di testo interessata.
Grazie.

0
voti
[13] Re: CD 4093 (C-mos)
Buonasera a tutti...ho fatto gia qualcosa su bredboard...subito all'accensione del circuito i numeri cominciano a decrementare cioè 7 - 6 - 5 - 4 - 3 -2 -1 - 0 - 9 - 8... e cosi via...mentre se tengo piggiato il pulsante (normalmente aperto) i numeri vanno in senso orario 1 2 3 4 ecc...i collegamenti sono giusti specialmente quelli sul pin 10 (UP/DOWN) e pin 15 (clock) del 4510? Ce da dire che poi tramite i carry in e out del 4510 mettero in caduta un altro 4510 e un'altra codifica in modo da avere un conteggio da 00 a 99---
COSA PIU IMPORTANTE quando arriva a 00 anzichè continuare con 99 98 97 ecc potrei fare in modo che si blocchi e resti 00? ALLEGO QUANTO FATTO
COSA PIU IMPORTANTE quando arriva a 00 anzichè continuare con 99 98 97 ecc potrei fare in modo che si blocchi e resti 00? ALLEGO QUANTO FATTO
-

carlomusumeci
353 5 7 - Sostenitore

- Messaggi: 526
- Iscritto il: 8 apr 2011, 0:35
0
voti
[14] Re: CD 4093 (C-mos)
carlomusumeci ha scritto:quando arriva a 00 anzichè continuare con 99 98 97 ecc potrei fare in modo che si blocchi e resti 00?
Il contatore non arriva a 99.
ALLEGO QUANTO FATTO
Il 4013 potevi disegnarlo con i simboli del flip flop.
Così come lo hai rappresentato non si capisce molto.
PS: non mi è chiaro cosa vuoi fare ora.
0
voti
[15] Re: CD 4093 (C-mos)
arrivera a 99 quando mettero un altro cd4510 un'altra codifica e un altro display 7 segmenti...in ogni caso cosi funziona...vorrei che quando arriva a 0 si fermi e resti 0 anziche ricominciare da 9 8 7 6...
-

carlomusumeci
353 5 7 - Sostenitore

- Messaggi: 526
- Iscritto il: 8 apr 2011, 0:35
0
voti
[16] Re: CD 4093 (C-mos)
carlomusumeci ha scritto:vorrei che quando arriva a 0 si fermi e resti 0 anziche ricominciare da 9 8 7 6...
Risolvi la logica per il MR e i pin interessati del contatore.
0
voti
[17] Re: CD 4093 (C-mos)
buon giorno che vuole dire con : Risolvi la logica per il MR e i pin interessati del contatore. ?
-

carlomusumeci
353 5 7 - Sostenitore

- Messaggi: 526
- Iscritto il: 8 apr 2011, 0:35
0
voti
[20] Re: CD 4093 (C-mos)
Per cominciare direi che devi studiarti i datasheet degli integrati che stai adoperando se non altro per capire dove sia sto' fantomatico reset, poi capire cosa succede alle uscite quando sul display appare la cifra zero.
marco
Chi c’è in linea
Visitano il forum: Nessuno e 103 ospiti

Elettrotecnica e non solo (admin)
Un gatto tra gli elettroni (IsidoroKZ)
Esperienza e simulazioni (g.schgor)
Moleskine di un idraulico (RenzoDF)
Il Blog di ElectroYou (webmaster)
Idee microcontrollate (TardoFreak)
PICcoli grandi PICMicro (Paolino)
Il blog elettrico di carloc (carloc)
DirtEYblooog (dirtydeeds)
Di tutto... un po' (jordan20)
AK47 (lillo)
Esperienze elettroniche (marco438)
Telecomunicazioni musicali (clavicordo)
Automazione ed Elettronica (gustavo)
Direttive per la sicurezza (ErnestoCappelletti)
EYnfo dall'Alaska (mir)
Apriamo il quadro! (attilio)
H7-25 (asdf)
Passione Elettrica (massimob)
Elettroni a spasso (guidob)
Bloguerra (guerra)



