margine di fase
Moderatori:
carloc,
g.schgor,
BrunoValente,
IsidoroKZ
17 messaggi
• Pagina 2 di 2 • 1, 2
1
voti
[12] Re: margine di fase
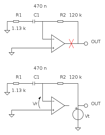
Con riferimento al tuo circuito,
per determinare il fattore di reazione devi tagliare l'anello e inserire un generatore di prova: il fattore di reazione è

per determinare il fattore di reazione devi tagliare l'anello e inserire un generatore di prova: il fattore di reazione è

It's a sin to write
instead of
(Anonimo).
...'cos you know that
ain't
, right?
You won't get a sexy tan if you write
in lieu of
.
Take a log for a fireplace, but don't take
for
arithm.
instead of
(Anonimo)....'cos you know that
ain't
, right?You won't get a sexy tan if you write
in lieu of
.Take a log for a fireplace, but don't take
for
arithm.-

DirtyDeeds
55,9k 7 11 13 - G.Master EY

- Messaggi: 7012
- Iscritto il: 13 apr 2010, 16:13
- Località: Somewhere in nowhere
0
voti
[14] Re: margine di fase
Sì, è così.
It's a sin to write
instead of
(Anonimo).
...'cos you know that
ain't
, right?
You won't get a sexy tan if you write
in lieu of
.
Take a log for a fireplace, but don't take
for
arithm.
instead of
(Anonimo)....'cos you know that
ain't
, right?You won't get a sexy tan if you write
in lieu of
.Take a log for a fireplace, but don't take
for
arithm.-

DirtyDeeds
55,9k 7 11 13 - G.Master EY

- Messaggi: 7012
- Iscritto il: 13 apr 2010, 16:13
- Località: Somewhere in nowhere
0
voti
[15] Re: margine di fase
OK, quindi nel mio caso il guadagno ideale (40 dB oltre i 300 Hz) interseca il guadagno d'anello aperto del datasheet ad una frequenza inferiore a quelle riportate nel grafico..dove suppongo la fase sia sempre piatta ed intorno a 60-70°. Tale valore mi indica il margine di fase.
Dovrei trovare lo stesso se graficassi il diagramma di nyquist del guadagno d'anello chiuso..per completezza ci provo
Dovrei trovare lo stesso se graficassi il diagramma di nyquist del guadagno d'anello chiuso..per completezza ci provo
0
voti
[16] Re: margine di fase
giulia87 ha scritto:dove suppongo la fase sia sempre piatta ed intorno a 60-70°.
Attenzione: quella indicata sul grafico non è la fase del guadagno ad anello aperto, ma è già il margine di fase: la fase in quella regione di frequenze è intorno ai -120°. Con un incrocio a frequenze più basse il margine di fase è probabilmente più vicino ai 90°. Occhio che il grafico che ti ho indicato è per una tensione di alimentazione di 5 V. Per 15 V c'è il grafico di figura 12 (non cambia praticamente nulla, comunque).
It's a sin to write
instead of
(Anonimo).
...'cos you know that
ain't
, right?
You won't get a sexy tan if you write
in lieu of
.
Take a log for a fireplace, but don't take
for
arithm.
instead of
(Anonimo)....'cos you know that
ain't
, right?You won't get a sexy tan if you write
in lieu of
.Take a log for a fireplace, but don't take
for
arithm.-

DirtyDeeds
55,9k 7 11 13 - G.Master EY

- Messaggi: 7012
- Iscritto il: 13 apr 2010, 16:13
- Località: Somewhere in nowhere
17 messaggi
• Pagina 2 di 2 • 1, 2
Chi c’è in linea
Visitano il forum: Nessuno e 145 ospiti

Elettrotecnica e non solo (admin)
Un gatto tra gli elettroni (IsidoroKZ)
Esperienza e simulazioni (g.schgor)
Moleskine di un idraulico (RenzoDF)
Il Blog di ElectroYou (webmaster)
Idee microcontrollate (TardoFreak)
PICcoli grandi PICMicro (Paolino)
Il blog elettrico di carloc (carloc)
DirtEYblooog (dirtydeeds)
Di tutto... un po' (jordan20)
AK47 (lillo)
Esperienze elettroniche (marco438)
Telecomunicazioni musicali (clavicordo)
Automazione ed Elettronica (gustavo)
Direttive per la sicurezza (ErnestoCappelletti)
EYnfo dall'Alaska (mir)
Apriamo il quadro! (attilio)
H7-25 (asdf)
Passione Elettrica (massimob)
Elettroni a spasso (guidob)
Bloguerra (guerra)


