come secondi di time out direi abbondanti, tipo almeno10, per essere sicuro...
protezione da cortocircuito per alimentatori
Moderatori:
carloc,
g.schgor,
BrunoValente,
IsidoroKZ
45 messaggi
• Pagina 2 di 5 • 1, 2, 3, 4, 5
0
voti
si, gli alimentatori sono a tensione fissa e no, non dispongo dello schema..
come secondi di time out direi abbondanti, tipo almeno10, per essere sicuro...
marco438 puoi aver ragione
è la prima volta che vedo qualcosa di simile, sono alle prime armi...
come secondi di time out direi abbondanti, tipo almeno10, per essere sicuro...
-

mikydrummer
88 1 5 - New entry

- Messaggi: 66
- Iscritto il: 1 mag 2012, 18:09
0
voti
ok, mi fido! Grazie infinite per l'aiuto!
-

mikydrummer
88 1 5 - New entry

- Messaggi: 66
- Iscritto il: 1 mag 2012, 18:09
0
voti
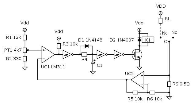
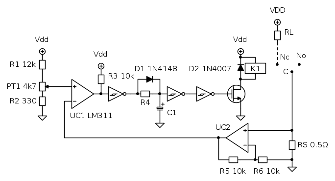
Ciao, questo è il circuito che avevo in mente..
Per il momento riporto le seguenti considerazioni. L'ho pensato per una limitazione minima di circa 100mA fino a circa 1.5A anche per non complicarlo troppo (e non mi sembra il caso..).
I resistori se sono tutti con una tolleranza bassa, 1%, meglio.
La rete di ritardo è formata da R4 e C1. Non l'ho dimensionata vedi l'ora..
RS da 1W dovrebbe andar bene, ma se si abbonda non fa male.
Se il tutto lo vuoi alimentare a 5V (nello schema è Vdd e non VDD), potresti usare la serie 74HC per le NOT. Un 74HC14, ed il relè può essere uno a tensione nominale di bobina 6V. In tal caso, per la fonte di alimentazione da 20V, un regolatore 7805 package TO-3 direi che è un bene senza pensarci troppo.
Altrimenti usi la serie 4000, con un regolatore e sempre package TO-3, tenendo anche in mente le considerazioni del relè.
UC1 è un LM311, ma anche un LM393 penso possa andar bene. È tardi e non ho guardato le differenze per interesse.
Per UC2 ho pensato subito ad un LM358 o magari uno pensato per una maggiore precisione, più adatto e migliore. Non sarebbe male effettuare qualche prova prima con quello linkato però.
Per il momento, se non mi è scappato niente e non ho avuto qualche svista, nella speranza di non aver toppato qualcosa, vado a nanna che forse è meglio..
Ciao e buonanotte.
Per il momento riporto le seguenti considerazioni. L'ho pensato per una limitazione minima di circa 100mA fino a circa 1.5A anche per non complicarlo troppo (e non mi sembra il caso..).
I resistori se sono tutti con una tolleranza bassa, 1%, meglio.
La rete di ritardo è formata da R4 e C1. Non l'ho dimensionata vedi l'ora..
RS da 1W dovrebbe andar bene, ma se si abbonda non fa male.
Se il tutto lo vuoi alimentare a 5V (nello schema è Vdd e non VDD), potresti usare la serie 74HC per le NOT. Un 74HC14, ed il relè può essere uno a tensione nominale di bobina 6V. In tal caso, per la fonte di alimentazione da 20V, un regolatore 7805 package TO-3 direi che è un bene senza pensarci troppo.
Altrimenti usi la serie 4000, con un regolatore e sempre package TO-3, tenendo anche in mente le considerazioni del relè.
UC1 è un LM311, ma anche un LM393 penso possa andar bene. È tardi e non ho guardato le differenze per interesse.
Per UC2 ho pensato subito ad un LM358 o magari uno pensato per una maggiore precisione, più adatto e migliore. Non sarebbe male effettuare qualche prova prima con quello linkato però.
Per il momento, se non mi è scappato niente e non ho avuto qualche svista, nella speranza di non aver toppato qualcosa, vado a nanna che forse è meglio..
Ciao e buonanotte.
1
voti
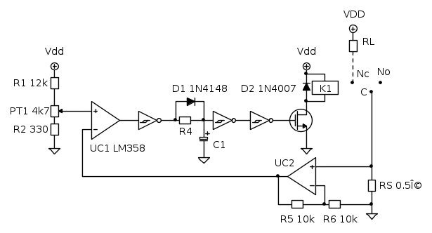
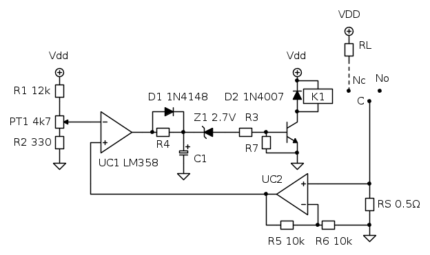
UC1 e UC2 possono essere lo stesso integrato, LM358, per il quale non serve la resistenza di pull-up.
Per usare proficuamente un simulatore, bisogna sapere molta più elettronica di lui
Plug it in - it works better!
Il 555 sta all'elettronica come Arduino all'informatica! (entrambi loro malgrado)
Se volete risposte rispondete a tutte le mie domande
Plug it in - it works better!
Il 555 sta all'elettronica come Arduino all'informatica! (entrambi loro malgrado)
Se volete risposte rispondete a tutte le mie domande
0
voti
Grazie per la precisione. Ero più insicuro riguardo UC2 ma se la dici così mi fido.
Togliendo quindi la resistenza di pull-up il circuito rimane così.
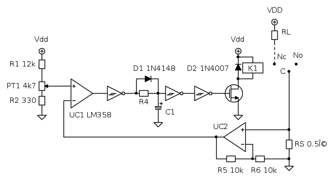
Girando UC1 però si potrebbe risparmiare l'integrato delle NOT, così:
Anche se il trigger penso sia più opportuno..
Togliendo quindi la resistenza di pull-up il circuito rimane così.
Girando UC1 però si potrebbe risparmiare l'integrato delle NOT, così:
Anche se il trigger penso sia più opportuno..

0
voti
Boh fate voi, per me meno componenti sono meglio è... una cosa, ma K1 cos'é? la bobina del relè?
Ora torno a studiare i datasheet..
Ora torno a studiare i datasheet..
-

mikydrummer
88 1 5 - New entry

- Messaggi: 66
- Iscritto il: 1 mag 2012, 18:09
0
voti
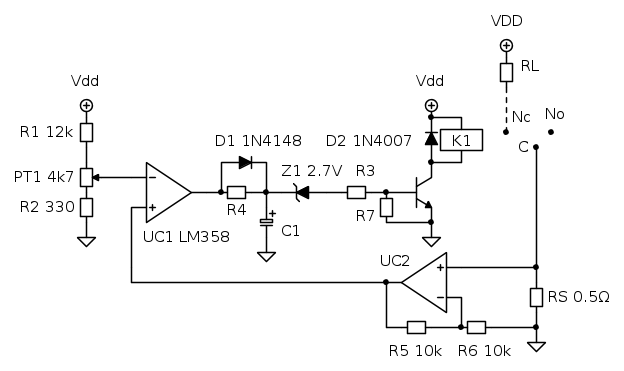
Puoi usare il primo schema del messaggio [16].
Appena posso ti dico i componenti e considerazioni varie. È che sono molto occupato ultimamente.

Appena posso ti dico i componenti e considerazioni varie. È che sono molto occupato ultimamente.

45 messaggi
• Pagina 2 di 5 • 1, 2, 3, 4, 5
Chi c’è in linea
Visitano il forum: Nessuno e 153 ospiti

Elettrotecnica e non solo (admin)
Un gatto tra gli elettroni (IsidoroKZ)
Esperienza e simulazioni (g.schgor)
Moleskine di un idraulico (RenzoDF)
Il Blog di ElectroYou (webmaster)
Idee microcontrollate (TardoFreak)
PICcoli grandi PICMicro (Paolino)
Il blog elettrico di carloc (carloc)
DirtEYblooog (dirtydeeds)
Di tutto... un po' (jordan20)
AK47 (lillo)
Esperienze elettroniche (marco438)
Telecomunicazioni musicali (clavicordo)
Automazione ed Elettronica (gustavo)
Direttive per la sicurezza (ErnestoCappelletti)
EYnfo dall'Alaska (mir)
Apriamo il quadro! (attilio)
H7-25 (asdf)
Passione Elettrica (massimob)
Elettroni a spasso (guidob)
Bloguerra (guerra)




