Gentile professore, come detto pocanzi, sono un ragazza con soli 15 giorni di studio alle spalle.
Sono qui per chiarirmi dei dubbi.. Non vorrei sembrare scortese ma ho semplicemente cercato di risolverne qualcuno.
Ho capito e mi e' chiaro che posso scegliere arbitrariamente i versi..
volevo solo capire il senso di assegnare verso concorde o discorde per le tensioni in funzione dei partitori in funzione della tensione totale.
Non ho ancora buona dimestichezza.So che le tensioni possono essere espresse come differenze di potenziale e la sua spiegazione e' ottima.
So che applicando la legge di kirchhoff avendo liberta' di scelta nei versi per le tensioni posso "giostrarmela" come più mi serve come dice massimo. Non mi e' solo chiaro l aspetto citato poco fa.
In questo caso Posso mettere +- alla tensione totale e farla coincidere anche sul ramo della tensione da determinare , è questo il senso?
in questo modo.. non so se ho fatto capire il mio dubbio.
Dubbio versi di riferimento Generatori resistori
Moderatori:
carloc,
g.schgor,
BrunoValente,
IsidoroKZ
15 messaggi
• Pagina 2 di 2 • 1, 2
0
voti
Ma se hai capito che puoi scegliere versi e polarità arbitrariamente, e se, come suppongo, conosci il significato di arbitrariamente, che senso ha avere il dubbio di quale polarità scegliere? Si può avere uno dubbio relativamente ad una scelta arbitraria? Se si lancia una moneta per scegliere testa o croce, ha senso avere il dubbio su come lanciarla? Ha senso chiedersi se la si deve lanciare in modo che venga testa o che venga croce? Possono esistere lanci sbagliati se è indifferente che esca l'una o l'altra faccia?
2
voti
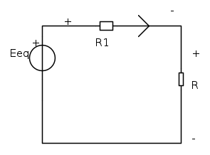
electro2013 ha scritto:volevo solo capire il senso di assegnare verso concorde o discorde per le tensioni in funzione dei partitori in funzione della tensione totale.
allora:
guarda questo schema:
scriviamo la KVL:

da cui:

e infine la tensione su R:

ora invertiamo la corrente, il cui verso per noi è arbitrale:
come avrai notato sono cambiati i versi delle tensioni sugli utilizzatori R1 e R:
scriviamo la KVL:

ricaviamo la corrente:

e ricaviamo infine la tensione su R:

i risultati trovati sembrano opposti, ma in realtà sono identici:
infatti nel primo schema, avendo scelto quel verso di corrente, la convenzione dell'utilizzatore ci impone su R il verso di tensione in figura:
dallo schema si comprende come il potenziale in A sia a -1,5 V rispetto al potenziale in B.
nel secondo caso:
e si comprende come il potenziale in B sia a +1,5 V rispetto al potenziale in A.
per dirla tra amici al bar, è vero che i due risultati trovati sono opposti, ma nei due schemi sono anche opposte le polarità delle due tensioni Vr e Vr'.
non ho usato il partitore per cercare di spiegarti meglio il concetto, ma ovviamente quella del partitore è la strada più breve.
segni e versi di corrente poco c'entrano con il partitore, che vuol essere solo un metodo risolutivo per risparmiarti qualche calcolo.
0
voti
era per gli esercizi con versi assegnati il mio dubbio. Lillo ora leggo il tuo esempio !!
-

electro2013
10 1 - New entry

- Messaggi: 67
- Iscritto il: 23 mar 2013, 13:23
15 messaggi
• Pagina 2 di 2 • 1, 2
Chi c’è in linea
Visitano il forum: Nessuno e 80 ospiti

Elettrotecnica e non solo (admin)
Un gatto tra gli elettroni (IsidoroKZ)
Esperienza e simulazioni (g.schgor)
Moleskine di un idraulico (RenzoDF)
Il Blog di ElectroYou (webmaster)
Idee microcontrollate (TardoFreak)
PICcoli grandi PICMicro (Paolino)
Il blog elettrico di carloc (carloc)
DirtEYblooog (dirtydeeds)
Di tutto... un po' (jordan20)
AK47 (lillo)
Esperienze elettroniche (marco438)
Telecomunicazioni musicali (clavicordo)
Automazione ed Elettronica (gustavo)
Direttive per la sicurezza (ErnestoCappelletti)
EYnfo dall'Alaska (mir)
Apriamo il quadro! (attilio)
H7-25 (asdf)
Passione Elettrica (massimob)
Elettroni a spasso (guidob)
Bloguerra (guerra)







