Cos'è ElectroYou | Login Iscriviti

ElectroYou - la comunità dei professionisti del mondo elettrico

Minima soglia di tensione...

Elettronica lineare e digitale: didattica ed applicazioni

Moderatori: Foto Utentecarloc, Foto Utenteg.schgor, Foto UtenteBrunoValente, Foto UtenteIsidoroKZ

2
voti

[11] Re: Minima soglia di tensione...

Messaggioda Foto UtenteBrunoValente » 26 ago 2013, 16:59

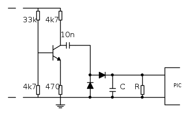
Tricka90 ha scritto:Il ponte raddrizzatore (o meglio, quello che speravo fosse un ponte raddrizzatore :mrgreen: ) mi serve per raddrizzare la corrente alternata uscente dal terzo stadio di amplificazione a transistor, perché essa possa essere letta da un microcontrollore, sottoforma di tensione continua di intensità variabile.
Il + e il - indicano semplicemente i poli d'uscita del ponte, niente di più.

Quindi avevi capito bene...è Foto Utentesimo85 che ha frainteso.
Se il morsetto contrassegnato con - è collegato al riferimento del circuito e se è anche lo stesso riferimento del microcontrollore, allora puoi togliere i diodi segnati in rosso.

Avatar utente
Foto UtenteBrunoValente
39,6k 7 11 13
G.Master EY
G.Master EY
 
Messaggi: 7796
Iscritto il: 8 mag 2007, 14:48

0
voti

[12] Re: Minima soglia di tensione...

Messaggioda Foto UtenteTricka90 » 27 ago 2013, 11:02

Perfetto! Proprio i diodi che mi consigliava di eliminare anche simo85! Vi ringrazio :D
Avatar utente
Foto UtenteTricka90
662 1 6 10
Expert
Expert
 
Messaggi: 627
Iscritto il: 1 lug 2013, 15:53

0
voti

[13] Re: Minima soglia di tensione...

Messaggioda Foto UtenteBrunoValente » 27 ago 2013, 12:22

Sì, in effetti anche per come ha inteso lui il funzionamento sarebbero superflui.
Avatar utente
Foto UtenteBrunoValente
39,6k 7 11 13
G.Master EY
G.Master EY
 
Messaggi: 7796
Iscritto il: 8 mag 2007, 14:48

0
voti

[14] Re: Minima soglia di tensione...

Messaggioda Foto UtenteTricka90 » 27 ago 2013, 12:27

Ti chiedo scusa, potrei chiederti il perché siano superflui?
Leggevo una tensione alternata perciò ho voluto semplicemente raddrizzarla col classico schema del ponte raddrizzatore, piuttosto che con un solo diodo, in modo da mantenere sia la semionda positiva che la negativa. Ottenuta quindi un onda pulsante ho applicato il condensatore da 100n per stabilizzarla (leggermente).
Non capisco dove ho sbagliato...
Suppongo di aver sbagliato qualcosa a valle del ponte, forse nel collegare a riferimento sia meno che polo dell'alternata...
Avatar utente
Foto UtenteTricka90
662 1 6 10
Expert
Expert
 
Messaggi: 627
Iscritto il: 1 lug 2013, 15:53

2
voti

[15] Re: Minima soglia di tensione...

Messaggioda Foto UtenteBrunoValente » 27 ago 2013, 14:09

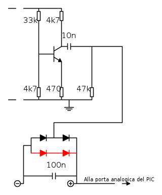
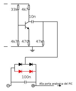
Il collegamento corretto per far funzionare i quattro diodi del ponte sarebbe dovuto essere questo



ma la tensione continua di uscita sarebbe dovuta entrare in un ingresso bilanciato dei circuiti a valle, cioè non avresti potuto collegare il meno al riferimento.
Come hai fatto tu, non collegando al riferimento il polo comune tra i due diodi rossi e collegando al riferimento il meno in uscita dal ponte, di fatto i due diodi rossi non conducono mai e la configurazione del collegamento dei diodi neri altro non è che quella di un rivelatore del valore picco-picco della tensione del segnale di ingresso al ponte.
Avatar utente
Foto UtenteBrunoValente
39,6k 7 11 13
G.Master EY
G.Master EY
 
Messaggi: 7796
Iscritto il: 8 mag 2007, 14:48

0
voti

[16] Re: Minima soglia di tensione...

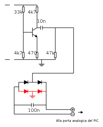
Messaggioda Foto UtenteTricka90 » 27 ago 2013, 14:36

Caspita che sbadato! #-o Io in realtà ho collegato il ponte proprio come hai appena schematizzato tu, col riferimento fra i diodi rossi! E' solo che ho dimenticato, nello schema principale, di rappresentarlo! #-o
Ti chiedo scusa per averti fatto perdere tempo...
Avatar utente
Foto UtenteTricka90
662 1 6 10
Expert
Expert
 
Messaggi: 627
Iscritto il: 1 lug 2013, 15:53

0
voti

[17] Re: Minima soglia di tensione...

Messaggioda Foto UtenteBrunoValente » 27 ago 2013, 15:50

Tricka90 ha scritto:... Io in realtà ho collegato il ponte proprio come hai appena schematizzato tu, col riferimento fra i diodi rossi...

Sì ma non basta: l'ingresso analogico del microcontrollore è differenziale? accetta anche valori negativi rispetto al riferimento?
Avatar utente
Foto UtenteBrunoValente
39,6k 7 11 13
G.Master EY
G.Master EY
 
Messaggi: 7796
Iscritto il: 8 mag 2007, 14:48

0
voti

[18] Re: Minima soglia di tensione...

Messaggioda Foto UtenteTricka90 » 28 ago 2013, 9:29

Purtroppo non ti so rispondere a queste domande :oops:
Io so solo che il mio PIC, in particolare il 18F47J53 del PIERIN PIC18, come la maggior parte degli altri PIC ritorna un valore a 10 o 12 bit in funzione della tensione in entrata, prendendo due riferimenti: 3,3V come tensione massima e quella di riferimento, nel mio caso 0V, come tensione minima.
Ho progettato il tutto basandomi su cio.
Avatar utente
Foto UtenteTricka90
662 1 6 10
Expert
Expert
 
Messaggi: 627
Iscritto il: 1 lug 2013, 15:53

1
voti

[19] Re: Minima soglia di tensione...

Messaggioda Foto UtenteBrunoValente » 28 ago 2013, 10:51

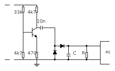
Per me con il ponte non si può fare: toglilo e monta solo i due diodi neri.
Togli anche la resistenza da 47k in ingresso ai diodi e, se serve abbassare l'impedenza dell'ingresso analogico, monta una resistenza del valore che occorre in parallelo all'ingresso analogico.


I due diodi già introducono una zona morta iniziale di circa +06V e -06V dell'escursione del segnale di ingresso
Avatar utente
Foto UtenteBrunoValente
39,6k 7 11 13
G.Master EY
G.Master EY
 
Messaggi: 7796
Iscritto il: 8 mag 2007, 14:48

Precedente

Torna a Elettronica generale

Chi c’è in linea

Visitano il forum: Nessuno e 74 ospiti