Grazie mille per la risposta IsidoroKZ, mi hai levato il dubbio; quindi diciamo che necessitando di una tensione duale, in mancanza di un trasformatore con presa centrale, la configurazione da me postata può essere usata a patto di non richiedere troppa corrente e dimensionando opportunamente trasformatore, diodi e condensatori.
Se ho ben capito poi i carichi connessi all'alimentazione positiva e negativa potrebbero anche essere sbilanciati e questo non dovrebbe creare problemi, è corretto?
Ciao e grazie di nuovo,
Francesco.
Alimentatore, proviamoci ancora.
Moderatori:
carloc,
g.schgor,
BrunoValente,
IsidoroKZ
19 messaggi
• Pagina 2 di 2 • 1, 2
2
voti
Anche con carichi sbilanciati non ci sono troppi problemi: il trasformatore lavora con una componente di corrente continua su secondario e primario ma per lo piu` non da` problemi.
Per usare proficuamente un simulatore, bisogna sapere molta più elettronica di lui
Plug it in - it works better!
Il 555 sta all'elettronica come Arduino all'informatica! (entrambi loro malgrado)
Se volete risposte rispondete a tutte le mie domande
Plug it in - it works better!
Il 555 sta all'elettronica come Arduino all'informatica! (entrambi loro malgrado)
Se volete risposte rispondete a tutte le mie domande
1
voti
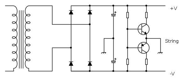
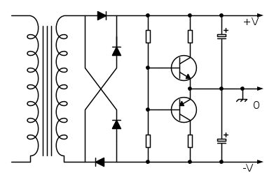
A proposito di tensioni duali da trasformatori ad uscita singola, volevo segnalare questo inusuale (almeno per me) circuito preso dall'alimentatore del Quad 606.
Non riesco a vedere il vantaggio di questa tipologia rispetto al trasformatore a doppio secondario tradizionale, però le caratteristiche dell'amplificatore sono di tutto rispetto: eroga fino a100W con un massimo di 12A in uscita. Una ragione per questa scelta c'e' di sicuro.
E' pur vero che i progettisti Quad hanno spesso usato circuitazioni originali, non a caso sono inglesi....
Non riesco a vedere il vantaggio di questa tipologia rispetto al trasformatore a doppio secondario tradizionale, però le caratteristiche dell'amplificatore sono di tutto rispetto: eroga fino a100W con un massimo di 12A in uscita. Una ragione per questa scelta c'e' di sicuro.
E' pur vero che i progettisti Quad hanno spesso usato circuitazioni originali, non a caso sono inglesi....
0
voti
edgar ha scritto:E' pur vero che i progettisti Quad hanno spesso usato circuitazioni originali, non a caso sono inglesi...
Mi ricordo lo schema di un vecchio quad (forse un preampli) in cui veniva usato l'integrato µA709: per ovviare allo SR limitato, i progettisti avevano scelto di usare solo lo stadio differenziale del 709, prendendo l'uscita sul terminale di compensazione per andare a un secondo e terzo stadio discreti.
It's a sin to write
instead of
(Anonimo).
...'cos you know that
ain't
, right?
You won't get a sexy tan if you write
in lieu of
.
Take a log for a fireplace, but don't take
for
arithm.
instead of
(Anonimo)....'cos you know that
ain't
, right?You won't get a sexy tan if you write
in lieu of
.Take a log for a fireplace, but don't take
for
arithm.-

DirtyDeeds
55,9k 7 11 13 - G.Master EY

- Messaggi: 7012
- Iscritto il: 13 apr 2010, 16:13
- Località: Somewhere in nowhere
0
voti
DirtyDeeds ha scritto:Mi ricordo lo schema di un vecchio quad (forse un preampli) in cui veniva usato l'integrato µA709: per ovviare allo SR limitato, i progettisti avevano scelto di usare solo lo stadio differenziale del 709, prendendo l'uscita sul terminale di compensazione per andare a un secondo e terzo stadio discreti.
La classe non è acqua
Ero ancora alle superiori quando uscì il 405 e fu subito un "caso" a causa dell'originale sistema di retroazione feedforward adottato
0
voti
edgar ha scritto:volevo segnalare questo inusuale (almeno per me)
interessante
l'hai mai testato?
-

ANDREA2013
887 3 6 - Utente disattivato per decisione dell'amministrazione proprietaria del sito
- Messaggi: 710
- Iscritto il: 16 lug 2013, 21:30
0
voti
ANDREA2013 ha scritto:interessante
l'hai mai testato?
No, ma avrei giusto un amplificatore con alimentazione duale a cui apporterò delle modifiche, una di queste è la possibilità di usare questa circuitazione.
Appena finisco il lotto di PCB già fatti provo.
0
voti
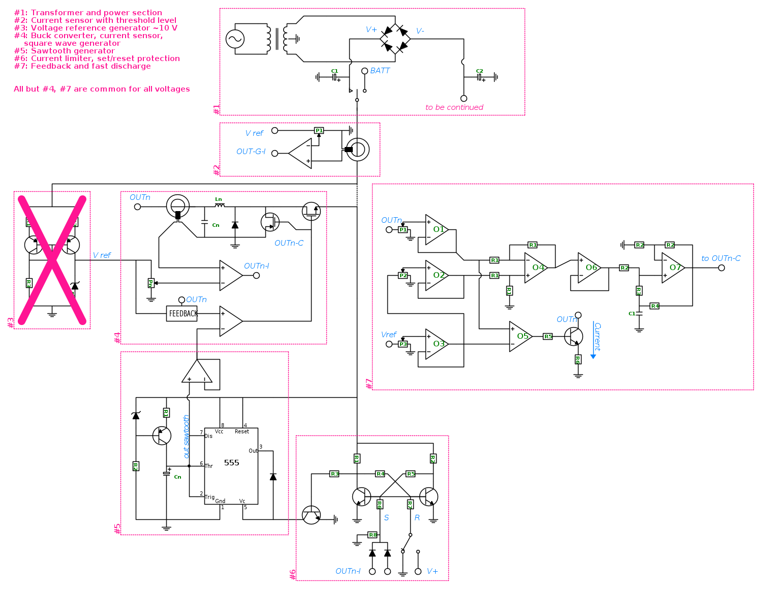
Ecco lo schema con la parte 1 modificata. Per il momento invece ignoro la tensione di riferimento, dipenderà da cosa c'è in catalogo e me ne preoccuperò verso la fine.
### Sezione 7 ###
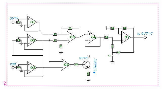
Ho esplicitato tutti gli operazionali raffigurati nella sezione 7.
O1, O2, O3 provvedono ad adattare e fornire le tre tensioni usate dal resto della sezione.
O1 adatta su 2/3 la tensione in uscita all'alimentatore
O3 adatta la tensione di riferimento a poco più dei 2/3 della tensione che si desidera in uscita.
O2 adatta la tensione derivata da O3 ai 2/3 della tensione che si desidera in uscita.
O4 è un classico sottrattore, bufferizzato da O6.
O7 è essenzialmente un sommatore non invertente, che somma la tensione di O6 allo stato precedente "memorizzato" da C1 attraverso R4.
Sono proprio R4 e C1 i punti più problematici, principali protagonisti nel rumore in uscita all'alimentatore.
Per il resto sia R1 che R2 hanno valori elevati superiori al kohm. R3 vale R2-R4/2 in modo da minimizzare l'errore.
R3*C1 deve valere più del periodo dell'onda dente di sega con cui viene successivamente comparata.
L'unico transistor NPN usato invece scarica a terra l'uscita del condensatore per stabilizzare l'uscita. Lavora in saturazione grazie a R5. R6 limita invece la massima corrente attraverso il transistor. In caso di carico non variabile non deve andare in conduzione. O5 è alimentato dualmente con V+ e GND a differenza degli altri operazionali alimentati da V+ e V-.
Quelli rappresentati con P1, P2 e P3 in realtà sono reti resistive più complesse per garantire precisione nella misura, oppure trimmer multigiri. Non avendo una strumentazione estremamente sensibile propendo per la prima alternativa. Qualcosa del tipo
### Sezione 7 ###
Ho esplicitato tutti gli operazionali raffigurati nella sezione 7.
O1, O2, O3 provvedono ad adattare e fornire le tre tensioni usate dal resto della sezione.
O1 adatta su 2/3 la tensione in uscita all'alimentatore
O3 adatta la tensione di riferimento a poco più dei 2/3 della tensione che si desidera in uscita.
O2 adatta la tensione derivata da O3 ai 2/3 della tensione che si desidera in uscita.
O4 è un classico sottrattore, bufferizzato da O6.
O7 è essenzialmente un sommatore non invertente, che somma la tensione di O6 allo stato precedente "memorizzato" da C1 attraverso R4.
Sono proprio R4 e C1 i punti più problematici, principali protagonisti nel rumore in uscita all'alimentatore.
Per il resto sia R1 che R2 hanno valori elevati superiori al kohm. R3 vale R2-R4/2 in modo da minimizzare l'errore.
R3*C1 deve valere più del periodo dell'onda dente di sega con cui viene successivamente comparata.
L'unico transistor NPN usato invece scarica a terra l'uscita del condensatore per stabilizzare l'uscita. Lavora in saturazione grazie a R5. R6 limita invece la massima corrente attraverso il transistor. In caso di carico non variabile non deve andare in conduzione. O5 è alimentato dualmente con V+ e GND a differenza degli altri operazionali alimentati da V+ e V-.
Quelli rappresentati con P1, P2 e P3 in realtà sono reti resistive più complesse per garantire precisione nella misura, oppure trimmer multigiri. Non avendo una strumentazione estremamente sensibile propendo per la prima alternativa. Qualcosa del tipo
"640K ought to be enough for anybody" Bill Gates (?) 1981
Qualcosa non ha funzionato...
Lo sapete che l'arroganza in informatica si misura in nanodijkstra?
Qualcosa non ha funzionato...
Lo sapete che l'arroganza in informatica si misura in nanodijkstra?
-

fairyvilje
15,0k 4 9 12 - G.Master EY

- Messaggi: 3047
- Iscritto il: 24 gen 2012, 19:23
19 messaggi
• Pagina 2 di 2 • 1, 2
Chi c’è in linea
Visitano il forum: Nessuno e 100 ospiti

Elettrotecnica e non solo (admin)
Un gatto tra gli elettroni (IsidoroKZ)
Esperienza e simulazioni (g.schgor)
Moleskine di un idraulico (RenzoDF)
Il Blog di ElectroYou (webmaster)
Idee microcontrollate (TardoFreak)
PICcoli grandi PICMicro (Paolino)
Il blog elettrico di carloc (carloc)
DirtEYblooog (dirtydeeds)
Di tutto... un po' (jordan20)
AK47 (lillo)
Esperienze elettroniche (marco438)
Telecomunicazioni musicali (clavicordo)
Automazione ed Elettronica (gustavo)
Direttive per la sicurezza (ErnestoCappelletti)
EYnfo dall'Alaska (mir)
Apriamo il quadro! (attilio)
H7-25 (asdf)
Passione Elettrica (massimob)
Elettroni a spasso (guidob)
Bloguerra (guerra)








