da
IsidoroKZ » 10 dic 2013, 23:14
jordan20 ha scritto:quello che tu dici vale in funzionamento dinamico o no? Io mio riferisco al funzionamento statico...
Quello che dicevo e` che non e` un generatore di corrente costante: in quel collegamento e` un bipolo non lineare con caratteristica non lineare. Se lo guardi solo per il bias, quindi un per un particolare punto di lavoro

lo puoi sostituire con
qualunque bipolo che passi per quella coppia di punti, quindi un generatore di tensione o di corrente o qualunque altra rete ancora. Se consideri un solo punto non ha senso parlare di tipo di bipolo.
Quando dici il transistore e` saturo hai ragione, ma non e` vero che e` un generatore di corrente. Per poter dire che e` un generatore di corrente devi poter cambiare la tensione ai suoi capi e la corrente che scorre non deve cambiare. In quella connessione questo non capita, il circuito si comporta localmente come una conduttanza di valore gm.
Dal punto di vista di un bipolo non lineare questo ha un legame tensione corrente

e un legame differenziale pari a gm.
jordan20 ha scritto:Se cortocircuito il potenziale di gate a quello di drain non "blocco" la tensione del dispositivo

a cui corrisponde una delle curve d'uscita (cioè la

per quel valore di

) in zona di saturazione? O mi sto confondendo?

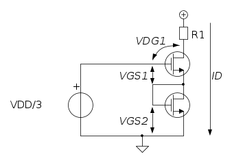
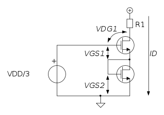
Si` saturazione, ma non generatore di corrente perche' c'e` una retroazione. Se i due MOS sono uguali, il MOS di sotto ha l'effetto per il bias di raddoppiare la tensione di gate del primo MOS (ho detto tensione di gate, non Vgs) necessaria per avere una corrente preassegnata. Invece dal punto di vista del piccolo segnale dimezza il guadagno del soure comune, rispetto al caso di source collegato direttamente al potenziale di riferimento.
simo85 un generatore di corrente che pompa corrente nel gate e` proprio bruttino
